Magna Concursos

Foram encontradas 20.455 questões.

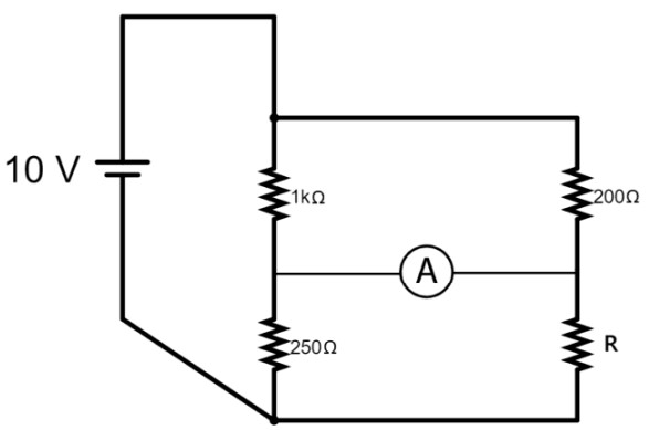
4023425 Ano: 2026
Disciplina: Engenharia Eletrônica
Banca: FGV
Orgão: AMAZUL
Provas:

Considere o circuito representado a seguir:

Enunciado 4505819-1

O valor da resistência que o resistor indicado por R no circuito deve ter para que a corrente no amperímetro indique 0 A é

 

Provas

Questão presente nas seguintes provas
4023424 Ano: 2026
Disciplina: Engenharia Eletrônica
Banca: FGV
Orgão: AMAZUL
Provas:

Considere o circuito e as características descritas na tabela a seguir:

Enunciado 4505818-1

Com base no circuito da figura e considerando que as condições de operação do LED estão detalhadas na tabela extraída do datasheet do modelo utilizado, assinale, dentre as opções abaixo, qual o valor da resistência do resistor é mais próximo do ideal para o funcionamento do circuito.

 

Provas

Questão presente nas seguintes provas
4020310 Ano: 2026
Disciplina: Engenharia Eletrônica
Banca: FGV
Orgão: PC-PI
Em um sistema embarcado cuja a comunicação serial (UART) seja crucial, a abordagem mais eficiente, em termos de desempenho, para lidar com a recepção de dados pela UART em um microcontrolador, especialmente quando a perda de dados deve ser minimizada, é
 

Provas

Questão presente nas seguintes provas
4020287 Ano: 2026
Disciplina: Engenharia Eletrônica
Banca: FGV
Orgão: PC-PI
No amplificador descrito no circuito a seguir, VCC= 12 V, C1= 1 μF, R1= 10 kΩ, R2= 4,7 kΩ, Rc= 1 kΩ, transistor: 2N3904, rE= 100 Ω, RE=330 Ω, C2= 47 μF, C3= 10 μF.

Enunciado 4508620-1

Dado que Rs= 300 Ω, r’e= 3,5 Ω, β= 200, Cbe= 6 pF, Cbc= 3,5 pF e Av=9,7, a frequência de corte superior é de aproximadamente
 

Provas

Questão presente nas seguintes provas
4008652 Ano: 2026
Disciplina: Engenharia Eletrônica
Banca: FGV
Orgão: ALEGO
No ambiente de mixagem digital, as DAWs (Digital Audio Workstations) oferecem um conjunto de ferramentas nativas essenciais para o tratamento do sinal.
Relacione as ferramentas de processamento em uma DAW ao seu uso principal.

1. Normalização
2. Compressão
3. Equalização
4. Limiter

( ) Alterar o conteúdo espectral do áudio, modificando o equilíbrio entre graves, médios e agudos.
( ) Ajustar o ganho global do arquivo para que o pico máximo atinja um valor definido.
( ) Impededir que o sinal ultrapasse um teto específico, evitando distorção digital (clipping).
( ) Reduzir a faixa dinâmica, atenuando os sons fortes para equilibrar o volume médio.
 

Provas

Questão presente nas seguintes provas
4003234 Ano: 2025
Disciplina: Engenharia Eletrônica
Banca: UECE
Orgão: UECE
Provas:
Um entusiasta em eletrônica possui a sua disposição uma caixa com capacitores comerciais dos tipos A e B. Os capacitores do tipo A e do tipo B apresentam, respectivamente, em seus corpos as especificações 100uF/25V e 1000uF/25V. Ao retirar da caixa M capacitores do tipo A e N capacitores do tipo B, o entusiasta desenvolve dois experimentos simples. No primeiro experimento, mede a capacitância equivalente de um circuito obtido a partir da associação, em paralelo, de todos os capacitores, resultando em 2300uf. No segundo experimento, com todos os capacitores ligados em série, obtém, a partir do circuito montado, uma capacitância equivalente de 31,25uF. Considere os valores dos capacitores como exatos e ideais (sem tolerância), todos em perfeito estado, e que todas as unidades foram efetivamente utilizadas nas associações.

Com base nos resultados obtidos pelo entusiasta, a razão M/N é dada por
 

Provas

Questão presente nas seguintes provas
3998737 Ano: 2025
Disciplina: Engenharia Eletrônica
Banca: FUNDATEC
Orgão: Pref. Venâncio Aires-RS
Provas:

Considerando a tabela verdade abaixo, determine a expressão simplificada extraída função S.

Enunciado 4491231-1

 

Provas

Questão presente nas seguintes provas
3984429 Ano: 2025
Disciplina: Engenharia Eletrônica
Banca: FGV
Orgão: ALEAM
Durante a medição de corrente em um circuito eletrônico sensível de um aparelho, um técnico conecta o multímetro incorretamente em paralelo a um componente, e o fusível interno do multímetro se queima.
Assinale a explicação técnica correta para esse evento
 

Provas

Questão presente nas seguintes provas
3983794 Ano: 2025
Disciplina: Engenharia Eletrônica
Banca: FGV
Orgão: ALEAM
Em plantas industriais, a análise de falhas e a mitigação de problemas são necessárias para aumentar a confiabilidade, segurança e continuidade operacional.
Neste contexto, uma das técnicas utilizadas, está corretamente apresentada em:
 

Provas

Questão presente nas seguintes provas
3983793 Ano: 2025
Disciplina: Engenharia Eletrônica
Banca: FGV
Orgão: ALEAM
Considerando os procedimentos para contribuir na manutenção industrial e automação, é correto o que se apresenta em:
 

Provas

Questão presente nas seguintes provas