Foram encontradas 853 questões.
Assinale a opção a seguir que diz respeito ao principal instrumento utilizado para registro, acompanhamento e controle da execução orçamentária, financeira e patrimonial do Governo Federal.
Provas
Questão presente nas seguintes provas
Com base na linguagem visual tridimensional, identifique a alternativa que apresenta a afirmação CORRETA:
Provas
Questão presente nas seguintes provas
Sobre a barra de cor, é CORRETO dizer que:
Provas
Questão presente nas seguintes provas
804332
Ano: 2015
Disciplina: Segurança e Saúde no Trabalho (SST)
Banca: UNIFAP
Orgão: UNIFAP
Disciplina: Segurança e Saúde no Trabalho (SST)
Banca: UNIFAP
Orgão: UNIFAP
Provas:
Com base na Norma Regulamentadora que trata sobre Segurança em Instalações e Serviços em Eletricidade, marque a alternativa CORRETA:
Provas
Questão presente nas seguintes provas
Assinale a alternativa CORRETA sobre o processo administrativo no âmbito da Administração Pública Federal (Lei nº 9.784, de 29/01/1999):
Provas
Questão presente nas seguintes provas
Para Santos e Reis (2011), o estudo dos protocolos em Arquivologia pode ser dividido em duas partes: uma relativa à própria estrutura e funcionamento do setor e outra que se refere ao tratamento e à classificação dos documentos em:
Provas
Questão presente nas seguintes provas
Em relação ao princípio da linguagem visual, assinale a alternativa CORRETA:
Provas
Questão presente nas seguintes provas
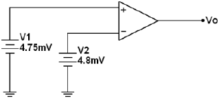
O circuito a seguir (figura 14) mostra um Amplificador Operacional cuja equação característica é: V0 = A.[(V+) – (V-)] onde A é o ganho.
Calcule V0 para um ganho de 100.000 e assinale a alternativa correta:

Figura 14
Provas
Questão presente nas seguintes provas
De acordo com o art. 52 da LDB/1996 as universidades são instituições pluridisciplinares de formação dos quadros profissionais de nível superior, de pesquisa, de extensão e de domínio e cultivo do saber humano. Quanto à caracterização das universidades, analise os itens abaixo:
I Devem possuir um terço do corpo docente, pelo menos, com titulação acadêmica de mestrado ou doutorado.
II Devem possuir um terço do corpo docente em regime de tempo integral.
III Devem apresentar produção intelectual institucionalizada mediante o estudo sistemático dos temas e problemas mais relevantes, tanto do ponto de vista científico e cultural, quanto regional e nacional.
IV Devem apresentar produção científica voltada para as questões locais, por meio de estudos sistematizados que visem amenizar os contrastes regionais e nacionais, fortalecendo a construção do conhecimento.
Os itens CORRETOS são:
Provas
Questão presente nas seguintes provas
- Linguagens e Suportes MidiáticosProdução AudiovisualTeorias, Conceitos e Terminologia de Audiovisual e Cinema
Marque a alternativa CORRETA quanto à definição de “plano master”:
Provas
Questão presente nas seguintes provas
Cadernos
Caderno Container