Foram encontradas 60 questões.
A Lei Complementar nº 94 autorizou o Poder Executivo a criar a Região Integrada de Desenvolvimento do Distrito Federal e Entorno (RIDE-DF) e instituir o Programa Especial de Desenvolvimento do Entorno do Distrito Federal. E, no art. 3º, discorre acerca dos serviços públicos comuns ao DF e aos municípios que integram esta RIDE e coloca em destaque especial esses serviços relacionados às áreas de infraestrutura e de
Provas
De acordo com a Lei Complementar nº 94/1998, que autoriza o Poder Executivo a criar a Região Integrada de Desenvolvimento do Distrito Federal e Entorno (RIDE-DF), quanto ao conceito de RIDE, assinale a alternativa correta.
Provas

Assinale a alternativa que indica o que representa o símbolo apresentado.
Provas

Para ligar os seguimentos de uma tela LCD, é preciso um codificador lógico LCD / BCD (Binary-Coded Decimal). O comportamento do codificador pode ser representado por uma tabela verdade com sete saídas: uma para cada segmento do display de sete segmentos (a,b,c,d,e,f,g). Uma saída “1” representa um segmento de exibição ativo, enquanto uma saída “0” representa um segmento inativo.
Assinale a alternativa que indica a relação de ativação do seguimento a(X3,X2,X1,X0).
Provas
Verilog, padronizado como Instituto de Engenheiros Elétricos Eletrônicos (IEEE) 1364, é uma linguagem de descrição de hardware (HDL) usada para modelar sistemas eletrônicos. É mais comumente usado no projeto e na verificação de circuitos digitais no nível de abstração de transferência de registradores. Também é usado na verificação de circuitos analógicos e de circuitos de sinais mistos, bem como no projeto de circuitos genéticos.
Assinale a alternativa que indica o operador em Verilog conhecido como atribuição “sem bloqueio” (non-blocking).
Provas

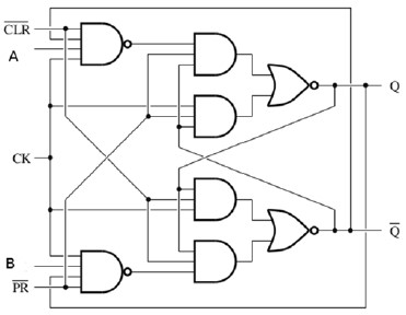
A função do circuito digital apresentado é
Provas

Assinale a alternativa que indica a função do circuito digital apresentado.
Provas

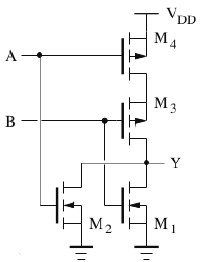
Com base na análise da figura apresentada, assinale a alternativa correspondente à função lógica que realiza o circuito retratado.
Provas

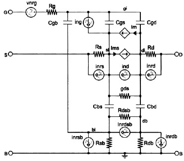
A figura apresentada mostra as diferentes fontes de ruído no transistor MOS.
Em uma frequência f, o ruído no dreno é constituído pelo ruído térmico do canal e o ruído flicker. Assinale a alternativa que apresenta a expressão clássica da sua densidade espectral de potência de ruído Sind, com !$ α !$ > 0.
Provas

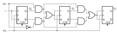
De acordo com a figura apresentada, assinale a alternativa que corresponde à função do circuito digital apresentado.
Provas
Caderno Container