Foram encontradas 60 questões.
A Lei Complementar nº 94 autorizou o Poder Executivo a criar a Região Integrada de Desenvolvimento do Distrito Federal e Entorno (RIDE-DF) e instituir o Programa Especial de Desenvolvimento do Entorno do Distrito Federal. E, no art. 3º, discorre acerca dos serviços públicos comuns ao DF e aos municípios que integram esta RIDE e coloca em destaque especial esses serviços relacionados às áreas de infraestrutura e de
Provas
De acordo com a Lei Complementar nº 94/1998, que autoriza o Poder Executivo a criar a Região Integrada de Desenvolvimento do Distrito Federal e Entorno (RIDE-DF), quanto ao conceito de RIDE, assinale a alternativa correta.
Provas

No problema cinemático direto de robôs manipuladores, usando os parâmetros Denavit-Hartenberg, a posição e a orientação do sistema de coordenadas i em relação ao sistema i-1 pode ser definida como uma sequência de quatro transformações, duas rotações (Rot) duas translações (Trans). Com base nas informações da figura, assinale a alternativa que indica a sequência correta das transformações.
Provas

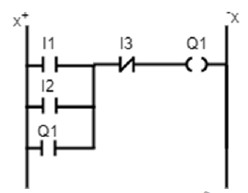
Considere que um CLP tem conectado nas suas entradas I1, I2 e I3, os botões B1, B2 e B3, respectivamente, todos normalmente abertos. Na sua saída Q1, o CLP tem conectada a lâmpada L1. Assinale a alternativa correta com relação a essa programação iadder.
Provas

Considere um sistema em malha fechada, cuja função de transferência está determinada por !$ H(s) = \dfrac{W\overset{2}{n}}{s^2+2εw_ns+w\overset{2}{n}} !$
cuja resposta ao degrau unitário está demonstrada na figura apresentada. O eixo horizontal representa o tempo em segundos. Com base nessas informações, assinale a alternativa correta.
Provas
Considere um sistema linear invariante no tempo e causal, cuja resposta ao impulso é y(t) = 2e-3t -5e-2t, t > 0. A função de transferência do sistema é
Provas

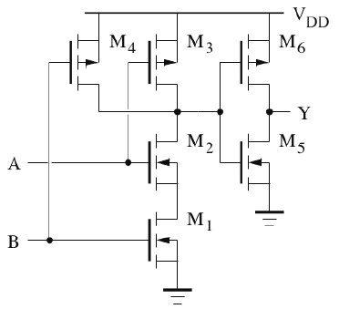
Da análise do circuito digital apresentado, é correto afirmar que a porta lógica por ele implementada é
Provas
//start –> Starting index, end --> Ending index
Quicksort(array, start, end)
{
if (start < end)
{
pIndex = Partition(A, start, end)
Quicksort(A,start,pIndex-1)
Quicksort(A,pIndex+1, end)
}
}
partition (array, start, end)
{
// Setting rightmost Index as pivot
pivot = arr[end];
i = (start - 1) // Index of smaller element and indicates the
// right position of pivot found so far
for (j = start; j <= end- 1; j++)
{
// If current element is smaller than the pivot
if (arr[j] < pivot)
{
i++; // increment index of smaller element
swap arr[i] and arr[j]
}
}
swap arr[i + 1] and arr[end])
return (i + 1)
}
Considerando as rotinas apresentadas, escritas em pseudocódigo, assinale a alternativa que indica o que faz numa lista de números inteiros.
Provas
Os processadores ARM são comuns no desenvolvimento de sistemas embarcados, tendo vantagens e desvantagens se comparado com processadores x86. A respeito desse assunto, assinale a alternativa correta.
Provas
Modbus é um protocolo de comunicação industrial aberto utilizado para transmitir informação entre CLPs, sensores, atuadores e sistemas de supervisão e aquisição de dados (SCADA) em chão de fábrica.
Provas
Caderno Container