Foram encontradas 220 questões.
Associe o formato de roteiro televisivo, na coluna à direita, com a sua característica, na coluna à esquerda.
( 1 ) É o formato preferido pela maioria dos documentaristas.
( 2 ) Apresenta as falas detalhadas dos envolvidos no diálogo, bem como a frequência em que a ação deve ser representada.
( 3 ) Contém apenas as informações essenciais de vídeo na coluna esquerda e os anúncios de abertura e fechamento padrão na coluna direita.
( 4 ) Inclui cada palavra dita pelo âncora, indicando também instruções sobre os segmentos do programa.
( 5 ) É utilizado em produções em estúdio, com rotinas de representação estabelecidas, como um programa matutino diário e painéis.
( ) Roteiro A/V de duas colunas
( ) Roteiro jornalístico
( ) Formato de programa
A sequência correta é
Provas
Para responder à questão, leia o texto a seguir.

A UFSM lança, neste mês de junho, a campanha institucional “Transforma o lugar que te transforma”. Iniciativa do projeto Universidade Meio Ambiente (UMA), a campanha é composta por materiais gráficos que orientam a comunidade universitária sobre o uso racional dos recursos, chamando a atenção para a responsabilidade de cada um na sustentabilidade da instituição.
A campanha foi elaborada pela Facos Agência e desdobrada por bolsistas de Comunicação Social e Desenho Industrial do UMA e do Laboratório de Relações Públicas (LARP). Os materiais elaborados trazem dados e orientações sobre o consumo de energia, água e copos plásticos, o uso correto do ar-condicionado, entre outros temas. As peças serão veiculadas no site institucional da UFSM e do UMA, em mídias sociais e murais das unidades universitárias. Os dados da campanha foram obtidos por meio de estudos realizados pelo UMA e pelo Grupo de Eficiência Energética e também de pesquisa desenvolvida pela Universidade Federal de Lavras (UFLA), de Minas Gerais, instituição referência em sustentabilidade e preservação do meio ambiente na América Latina.
Para a coordenadora pedagógica do LARP, professora Carlise Rudnicki, a campanha se apresenta como uma importante ferramenta de conscientização e estímulo ao debate, em que os diversos públicos da Universidade atentam a questões de interesse público e passam a fazer parte dos processos de forma mais crítica. “Temos pensadoA,C,E) em ações a partir de estatísticas e informações que tangenciam o cotidiano e que demandam contemplação de todos nós. SabemosA,B) da complexidade de entendermosB,D,E) que somosC,D) autores dos acontecimentos e que, a partir de cada um de nós, estudantes e servidores, será possível entender os processos e buscar soluções de forma coletiva”, avalia Carlise.
Fonte: UNIVERSIDADE FEDERAL DE SANTA MARIA. Disponível em: https://www.ufsm.br/2018/06/19/campanha-institucional-busca-conscientizar-
estudantes-e-servidores-para-sustentabilidade-da-universidade-2/. Acesso em: 29 jul. 2019.(Adaptado)
Na fala da professora Carlise Rudnicki, observa-se o emprego do pronome nós com a seguinte dinâmica: ora ele é uma referência à docente, à comunidade universitária e às pessoas em geral, ora ele é uma referência à docente e às pessoas com quem ela trabalhou na realização da campanha. São exemplos do primeiro e do segundo usos, respectivamente,
Provas
- Linguagens e Suportes MidiáticosProdução AudiovisualRoteiro, Produção e Edição de Conteúdo Audiovisual e Cinematográfico
As figuras a seguir ilustram fragmentos de uma produção audiovisual que deve ser montada segundo um padrão simples para o corte contínuo, representando uma conversa entre duas pessoas.

A sequência correta para a montagem é
Provas
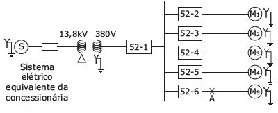
Certa instalação elétrica industrial é alimentada por meio de um transformador rebaixador (13,8kV/380V).
Do barramento principal saem 5 circuitos para alimentar 5 motores trifásicos idênticos, conforme mostra a figura a seguir. Na ocorrência de um curto-circuito no ponto A, a tensão nos terminais do estator dos motores tende a cair a zero. O rotor, ainda girando devido a sua inércia, induz uma tensão no estator, transformando os motores em geradores por alguns ciclos.
Durante um curto-circuito trifásico, a contribuição de corrente simétrica oriunda do sistema elétrico da concessionária é de 1,1 kARMS no lado de 380 V do transformador, e cada motor contribui com 250 ARMS (simétrica).

Qual será a máxima corrente simétrica RMS que passará pelo disjuntor 52-6 após um curto-circuito no trifásico no ponto A?
Provas
Recordar os fatos históricos da evolução de qualquer área do conhecimento é valorizar aqueles que antes de nós contribuíram muitas vezes com a sua própria vida em benefício da ciência e tecnologia. Com relação à História e Física das Radiações, marque a alternativa correta.
Provas
De acordo com a Lei nº 8.429, de 1992, ato de improbidade administrativa é aquele que atenta contra os princípios da administração pública, violando os deveres de honestidade, imparcialidade, legalidade e lealdade às instituições.
Assinale V (verdadeiro) ou F(falso) em cada afirmativa a seguir.
( ) Quando o ato de improbidade causar lesão ao patrimônio público ou ensejar enriquecimento ilícito, caberá a autoridade administrativa responsável pelo inquérito representar ao Ministério Público, para a indisponibilidade dos bens do indiciado.
( ) Ocorrendo lesão ao patrimônio público por ação ou omissão, dolosa ou culposa, do agente ou de terceiro, dar-se-á o integral ressarcimento do dano.
( ) O sucessor daquele que causar lesão ao patrimônio público ou se enriquecer ilicitamente está sujeito às cominações dessa lei até o limite do valor da herança.
( ) Qualquer pessoa poderá representar à autoridade administrativa competente para que seja instaurada investigação destinada a apurar prática de ato de improbidade.
A sequência correta é
Provas
- Linguagens e Suportes MidiáticosProdução AudiovisualRoteiro, Produção e Edição de Conteúdo Audiovisual e Cinematográfico
Editar exige habilidade para remover o que não é necessário e agir com critério para selecionar, combinar e montar uma produção audiovisual.
Com relação à edição em audiovisual, considere as afirmativas a seguir.
I - Muitos editores preferem fazer o corte durante os movimentos para que a mudança de um plano a outro seja mascarada pela ação, pois, no corte entre dois planos estáticos, a mudança é mais aparente.
II - Para um melhor fluxo, imagem e som devem ser sempre editados de maneira paralela, para que os elementos visuais e sonoros comecem e terminem juntos em cada plano individual.
III - Na edição de continuidade, em que a ação contínua flui de um plano a outro, um desencontro, causado por uma mudança na posição do corpo ou na direção do olhar, resultará num corte brusco.
IV - A montagem paralela consiste em editar paralelamente dois ou mais acontecimentos num padrão alternado.
Está(ão) correta(s)
Provas
- Direitos e Garantias FundamentaisDireitos PolíticosSufrágio, Voto, Plebiscito, Referendo e Iniciativa Popular
Relativamente ao tema dos direitos políticos, a Constituição Federal de 1988 dispõe que a soberania popular será exercida pelo sufrágio universal e pelo voto direto e secreto, com valor igual para todos, mediante
I - referendo.
II - plebiscito.
III - iniciativa popular.
Está(ão) correta(s)
Provas
- Linguagens e Suportes MidiáticosProdução AudiovisualLuz, Iluminação e Luminotécnica em Audiovisual e Cinema
De acordo com as técnicas de iluminação em programas televisivos, assinale V (verdadeiro) ou F (falso) em cada afirmativa.
( ) Em um ambiente iluminado com luz interna misturada com luz externa, a colocação de gelatina sobre os instrumentos de iluminação interna garante o equilíbrio de brancos adequado.
( ) A iluminação de contra-luz é um recurso para enfatizar o contorno de uma pessoa em que somente o fundo é iluminado, deixando sem iluminação na frente.
( ) A técnica de iluminação de silhueta destaca a pessoa em primeiro plano iluminada por refletores direcionais, enquanto o fundo é mantido escuro.
A sequência correta é
Provas
A obesidade é uma enfermidade crônica, multifatorial, em que o excesso da ingestão dietética é uma condição requerida para o depósito de lipídios nos adipócitos, a um nível tal que a saúde fique comprometida.
Com relação à obesidade, assinale V (verdadeiro) ou F (falso) em cada afirmativa a seguir.
( ) A resistência à insulina, o aumento de lipoproteínas com baixa densidade e a hipertensão arterial desempenham relevante papel na gênese da doença cardiovascular em indivíduos obesos.
( ) A conduta nutricional com baixo valor energético, estimada em 10 Kcal por Kg de peso desejável/ dia, em relação ao valor obtido na anamnese alimentar contribui para o emagrecimento rápido sem riscos nutricionais.
( ) As metas individuais na terapêutica nutricional, nos casos de obesidade, devem basear-se em marcadores fisiológicos importantes, como: glicose plasmática, lipídios e pressão arterial.
A sequência correta é
Provas
Caderno Container