Foram encontradas 520 questões.
A Sociedade Japonesa de Endoscopia Gastroenterológica propôs, em 1962, a definição de câncer gástrico precoce utilizada atualmente. Câncer Gástrico precoce é o que
Provas
Qual é o perímetro (em metros) da região representada na figura?

Provas
Analise as seguintes afirmativas a respeito dos métodos de gravação em videoteipe.
I - Na gravação estilo take a take, a equipe constrói a iluminação, o áudio e os movimentos de câmera para cada take individualmente.
II - Na gravação estilo ao vivo, o programa é gravado com múltiplas câmeras, mas o corte entre as imagens disponíveis ocorre somente por meio da sala de edição.
III - Na gravação de novelas, o método de gravação é idêntico ao da técnica de gravação usada no cinema,em que se utiliza uma única câmera para cada take.
Está(ão) correta(s)
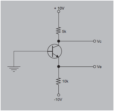
Provas
No circuito mostrado na figura abaixo, a tensão de emissor, Ve, foi medida como sendo de −0,7 V. Se, para o transistor bipolar, !$ \beta \, = \, 50 !$, calcule a tensão de coletor, Vc.

A tensão de coletor (Vc) corresponde a
Provas
Em relação aos tumores de tronco cerebral, assinale a alternativa correta.
Provas
Analise o circuito que é mostrado a seguir.

Se a diferença de potencial entre os pontos A e B vale zero Volts (Vab = 0), qual o valor da resistência R em Ohms?
Provas
A coleta de amostras para exames laboratoriais interfere diretamente no diagnóstico, tratamento e recuperação do enfermo. Levando em conta a preparação adequada para exames de coleta de urina, assinale a afirmativa CORRETA.
Provas
O termo __________ designa o ato de o __________ ficar em pé, __________ câmera e fazer um relato sobre o assunto que está sendo coberto, falando __________ para o telespectador.
A sequência que preenche adequadamente as lacunas é
Provas
Criança de 3 anos dá entrada na Emergência Pediátrica após acidente automobilístico de grandes proporções.
Chega ventilando espontaneamente, com uma área de crepitação na região temporal-E, anisocórica, com dilatação pupilar ipsilateral ao trauma, ausência de abertura ocular, agitação psicomotora, emissão de sons incompreensíveis e em postura de descerebração.
Na avaliação neurológica desse paciente, o valor da Escala do Coma de Glasgow é de
Provas
João precisou fazer um empréstimo no valor de R$ 2.000,00 com o compromisso de pagar 6% de juros. Quanto João deverá pagar ao seu credor somente de juros?
Provas
Caderno Container