Foram encontradas 1.128 questões.
Os riscos podem, ainda, receber classificação em função da probabilidade de sua ocorrência ou da natureza do agente causador em ambiente de trabalho. Em função da probabilidade de sua ocorrência, os riscos classificam-se em:
Provas
Questão presente nas seguintes provas
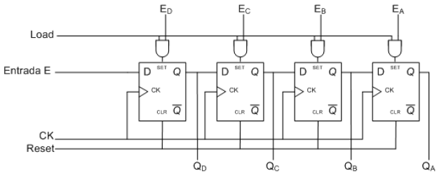
Observe o circuito lógico representado abaixo e assinale a alternativa incorreta.

Provas
Questão presente nas seguintes provas
Entre os temas ensinados aos jovens brasileiros no ensino básico, estão, por exemplo, a fase inicial da colonização, a resistência dos quilombos à escravidão e a Inconfidência Mineira. Nessas aulas, porém, os alunos ouvem falar pouco ou nada da ativista de ascendência indígena Madalena Caramuru, que viveu no século XVI, da guerreira quilombola Dandara ou da inconfidente Hipólita Jacinta de Melo.
Na literatura, estudam romances de José de Alencar e de outros autores do Romantismo, mas não são informados da existência de Maria Firmina dos Reis, autora de “Úrsula”, um dos primeiros romances de autoria feminina do Brasil, primeiro de autoria negra e primeiro escrito ficcional de cunho abolicionista. Outras, como Anita Garibaldi, são mencionadas, mas quase sempre à sombra de seus companheiros homens.
O apagamento de brasileiras responsáveis por contribuições importantes se repete em diversas áreas de atuação. Em uma tentativa de reparar esse desconhecimento, o livro “Extraordinárias mulheres que revolucionaram o Brasil”, lançado pela Companhia das Letras na última semana de novembro, reúne a trajetória de 44 mulheres, com ilustração inédita de cada uma delas.
[...] Outras obras que têm o propósito de resgatar a biografia de mulheres cuja contribuição histórica é pouco difundida, ou mesmo desconhecida, foram publicadas em vários países. O contexto é a reivindicação de representatividade que tem sido pautada por feministas e profissionais das artes, da ciência, da tecnologia, entre outros campos.
“Extraordinárias Mulheres” é o primeiro dessa onda que se propõe a compilar os dados biográficos e os feitos de mulheres nascidas no Brasil ou “abrasileiradas” – que adotaram o país para viver, como é o caso da arquiteta Lina Bo Bardi e da missionária e ativista Dorothy Stang.
O projeto das jornalistas Duda Porto de Souza e Aryane Cararo é fruto de dois anos de pesquisa – um mergulho na vida de quase 300 mulheres, a partir das quais as autoras chegaram às 44 que estão no livro. Consultaram arquivos de jornais, livros, documentos e realizaram entrevistas.
Apesar da vocação educativa explícita, seu público-alvo transcende uma faixa etária específica, segundo as autoras.
“Espero que seja um passo inicial. Que sirva de inspiração para crianças, jovens e adultos irem atrás de outras brasileiras brilhantes. E que a gente possa contar uma história um pouco mais igualitária, justa, dando nomes e rostos a quem fez o país chegar até aqui”, disse Aryane Cararo.
“Que a gente possa contar a história de Anita, a mulher que enfrentou tropas imperiais no Brasil e lutou pela unificação da Itália. E não a Anita do Garibaldi. De Dandara, a mulher que não queria fechar o quilombo para novos escravos fugitivos, e não a mulher de Zumbi. De Dinalva, que quase ficou invisível na história da luta armada no Brasil na época da ditadura. De Marinalva, que está fazendo história agorinha mesmo”, complementa a autora.
O livro também conta com uma extensa linha do tempo que mostra conquistas de direitos obtidas pelas mulheres do século XVI até o presente, e traz informações que esclarecem como era ser mulher em determinadas épocas.
Disponível em: https://www.nexojornal.com.br/expresso/2017/11/24/O-livro-que-conta-a-história-do-Brasil-pela-trajetória-de-mulheres-extraordinárias. Acesso em 03/05/18. Adaptado.
No que se refere à conjugação de alguns verbos irregulares da língua portuguesa, analise os enunciados abaixo.
1) Não podemos negar que muitas mulheres interviram na história do nosso país.
2) Quando toda mulher vir a ser reconhecida, certamente o mundo será melhor.
3) No rol das mulheres extraordinárias, espero que caibam muitas outras mulheres.
4) Os livros de História contém muitas injustiças em relação às mulheres.
Está(ão) correta(s):
Provas
Questão presente nas seguintes provas

Com o Texto, seu autor pretendeu convencer o leitor de que:
Provas
Questão presente nas seguintes provas
A validação de métodos analíticos é fundamental nas análises químicas, para garantir que a metodologia desenvolvida seja adequada àquilo que se pretende. A respeito do teste de recuperação nas análises químicas de diferentes compostos em matrizes complexas, analise as proposições abaixo.
1) A recuperação permite avaliar a interferência dos componentes da matriz na separação, detecção e quantificação dos compostos de interesse.
2) A recuperação permite avaliar a eficiência do método de separação-purificação (ex. extração líquido-líquido) no pré-tratamento da matriz.
3) Valores de recuperação próximos a 100% indicam os melhores métodos de separação-purificação, pois permitem análises químicas com elevada precisão.
4) Mesmo métodos analíticos com baixos valores de recuperação (<5%) permitem determinar os compostos de interesse em matrizes complexas com adequada precisão, exatidão e linearidade.
Estão corretas, apenas:
Provas
Questão presente nas seguintes provas
O desperdício nosso de cada dia
Em recente pesquisa feita pelo Instituto Akatu, foi constatado que uma família brasileira joga fora, em média, R$ 180 por mês em alimentos. Isso equivale a dizer que para cada R$ 100 em compras, quase R$ 30 são jogados fora. No Brasil, onde mais de 7 milhões de pessoas passam fome, cheguei a sentir um embrulho no estômago com tamanho desperdício. Para se ter uma ideia, se esse valor perdido fosse colocado em um investimento tradicional todo mês, ao final de 30 anos, se teria próximo de R$ 120 mil, já descontada a inflação.
A compra sem planejamento, de alimentos e de outros produtos, como remédios, por exemplo, evidencia a nossa quase sempre falta de controle. Recentemente, fui à farmácia comprar um xarope e a balconista me apresentou a versão de 100ml do produto. Pergunto sempre se é o menor volume comercializado. Ela me disse que não, que existia o mesmo xarope no volume de 60ml (mas ora, por que não me disse antes?). Minha pergunta me fez trocar o xarope de 100ml de R$ 50 pelo de 60ml, que me custou R$ 30 (tive uma economia de 40%). E, antes que me perguntem, o xarope de 60ml tem volume suficiente para curar duas gripes iguais à que eu enfrentava naquele momento. Provoco o leitor a visitar a farmacinha que tem em casa e a refletir sobre quais medicamentos são desperdiçados por falta de uso. E, se seguiu meu conselho, estimulo-o também a olhar suas roupas e a confirmar que, algumas delas, foram adquiridas por impulso e apenas enfeitam o seu guarda-roupa.
O desperdício vai além... Se, por exemplo, alguém tem uma casa de quatro quartos e mora somente com seu companheiro(a), estes podem estar desperdiçando espaço e dinheiro. Se gasta em média 5Gb de internet no celular e paga um plano de 20Gb, também desperdiça. E a pessoa continua desperdiçando dinheiro quando:
- paga juros altos em financiamentos, por falta de um planejamento financeiro; paga tarifas bancárias, quando existe um pacote gratuito de tarifas exigido pelo Banco Central, que os bancos não divulgam; não inclui o CPF nas notas fiscais de serviços, para ter desconto no IPTU; não aproveita o desconto da taxa de condomínio ao pagá-la até o vencimento (a maioria oferece esse benefício); não utiliza o regime de coparticipação dos planos de saúde, que reduz a mensalidade em troca de pagamento percentual a mais apenas quando usá-lo; não pergunta se o pagamento à vista oferece algum desconto na compra; e também quando não divide o pagamento sem juros, caso não tenha tal desconto (lembrei que certa vez comprei uma vela de aniversário para meu irmão, de R$ 3, em 10 vezes).
Enfim, são inúmeras oportunidades de usar seus recursos com mais inteligência e sem desperdícios. Pequenos exemplos como esses farão enorme diferença no futuro. O orçamento é um acordo que você faz com seu dinheiro, definindo previamente para onde ele vai no decorrer do mês. Sugiro que liste todas as suas despesas e busque identificar oportunidades de otimizá-las, evitando assim o desperdício nosso de cada dia.
Benjamin Rodrigues da Costa Miranda. Disponível em: http://www.diariodepernambuco.com.br/app/noticia/opiniao/46,97,43,74/2018/04/11/interna_opiniao,185999/o-desperdicio-nosso-de-cada-dia.shtml. Acesso em 15/04/2018. Adaptado.
Considerando alguns aspectos formais da língua portuguesa e as regras ortográficas vigentes, analise as proposições abaixo.
1) Estão grafadas segundo as regras vigentes de ortografia, as palavras desperdiçar e economizar.
2) Assim como em desperdício, também são acentuados os substantivos subsídio e subterfúgio.
3) No trecho: “O desperdício vai além...” (3º parágrafo), as reticências cumprem a função de sinalizar a completude do enunciado.
4) No trecho: “Recentemente, fui à farmácia comprar um xarope” (2º parágrafo), o sinal indicativo de crase é facultativo, já que a regência do verbo “ir” é flexível.
Estão corretas:
Provas
Questão presente nas seguintes provas
1064760
Ano: 2018
Disciplina: TI - Organização e Arquitetura dos Computadores
Banca: UFRPE
Orgão: UFRPE
Disciplina: TI - Organização e Arquitetura dos Computadores
Banca: UFRPE
Orgão: UFRPE
Em relação à manutenção de periféricos e microcomputadores, assinale a alternativa correta.
Provas
Questão presente nas seguintes provas
O coentro é uma hortaliça condimentar muito utilizada na culinária nordestina e seu cultivo é realizado através da propagação sexuada. O plantio das sementes é realizado em covas:
Provas
Questão presente nas seguintes provas
Certas plantas, como, por exemplo, as bromélias, necessitam de procedimentos diferenciados na obtenção de amostras desidratadas e herborizadas. Qual a maneira correta de produzir amostras para esse grupo de plantas?
Provas
Questão presente nas seguintes provas
Portaria nº 540, de 27 de outubro de 1997, do Ministério da Saúde e da Secretaria de Vigilância Sanitária, aprovou o Regulamento Técnico sobre Aditivos Alimentares. Sobre os aditivos alimentares, assinale a alternativa correta.
Provas
Questão presente nas seguintes provas
Cadernos
Caderno Container