Foram encontradas 560 questões.
O pH de uma amostra de água X é igual a 7.
O pH de uma amostra de água Y é igual a 5.
Assinale a afirmação correta no que se refere a essas duas amostras.
Provas
Questão presente nas seguintes provas
Considerando-se o papel de um coordenador pedagógico, na perspectiva de promover a crescente qualificação da instituição em que atua, é importante que seu trabalho abranja a avaliação institucional. Essa avaliação é entendida como uma forma de diagnóstico que identifica o que está bem, o que necessita de maior atenção, o que necessita ser reformulado, entre outras possibilidades. Sabe-se que a educação não está restrita aos papéis que desempenham alunos, docentes, equipe técnica. Muitos fatores influenciam no desenvolvimento da organização e das pessoas que ali convivem nas diferentes instâncias e com objetivos diversos e, ao mesmo tempo, comuns.
Nesse sentido, considere as afirmações abaixo e assinale-as com V (verdadeiro) ou F (falso).
( ) O repensar criativo, produto do embate das ideias, tramado no processo da avaliação institucional, precisa transbordar em soluções que conduzam à competência e à eficiência de gestão vinculadas a um compromisso social.
( ) Na avaliação de uma instituição, o importante é a clareza dos objetivos, a precisão das técnicas, a obtenção de um parâmetro em relação a outras instituições e a categorização em níveis conceituais determinados e permanentes.
( ) Quando há insucesso, em geral, são culpabilizados agentes externos à instituição. Nesse sentido, a avaliação institucional, lançando um olhar investigativo para o seu interior, traz também para si os insucessos, responsabilizando-se por mudanças.
( ) Na avaliação institucional, os resultados têm sempre caráter provisório e podem não ser fidedignos no momento seguinte. Decorre, daí, que a comunicação aos avaliados não tem o valor que lhe tem sido atribuído e, por isso, não favorece a promoção de mudanças, podendo, inclusive, perturbar o ambiente de trabalho e as relações interpessoais.
( ) Ao apresentar os resultados, os avaliadores devem evidenciar a compreensão da situação como um todo e promover a análise com os interessados com vistas à tomada de decisões.
A sequência correta de preenchimento dos parênteses, de cima para baixo, é
Provas
Questão presente nas seguintes provas
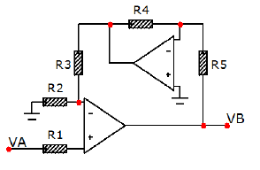
Observe a figura abaixo.

No circuito da figura acima, sendo os amplificadores operacionais ideais, a tensão no ponto VA igual a 1 Volt, os resistores R1, R2, R3, R4 e R5, respectivamente, iguais a 1000 Ohms, 1000 Ohms, 10000 Ohms, 4000 Ohms e 1000 Ohms, a tensão no ponto VB vale, aproximadamente,
Provas
Questão presente nas seguintes provas
Na avaliação de dor torácica aguda na Emergência, é correto afirmar que
Provas
Questão presente nas seguintes provas
Um frasco continha 112 mL de HCl, de concentração desconhecida. Para determiná-la, um técnico pipetou 3 alíquotas de 10 mL para 3 diferentes erlenmeyers, e titulou cada alíquota, gastando um volume médio de 21,40 mL de uma solução de NaOH 0,1200 mol/L.
A concentração da solução de HCl era
Provas
Questão presente nas seguintes provas
Como se chama o equipamento que faz a reintegração mecânica de papel?
Provas
Questão presente nas seguintes provas
Nos últimos quatro anos, além do FUMPROARTE, outros fundos, editais e programas de fomento direto à produção cultural viabilizaram a realização de projetos de artes cênicas em Porto Alegre, tais como:
Provas
Questão presente nas seguintes provas
A seleção e a adaptação de próteses auditivas é de responsabilidade do fonoaudiólogo. Idosos com perda auditiva apresentam dificuldade de compreensão de fala em ambiente ruidoso e esta queixa pode permanecer mesmo com o uso de prótese auditiva. Assim, é importante que o fonoaudiólogo esteja atento à indicação de dispositivos eletrônicos de amplificação com algoritmos de e de , que podem melhorar a capacidade comunicativa em situações de fala no ruído e propiciar maior conforto ao usuário da prótese auditiva.
Assinale a alternativa que completa, correta e respectivamente, as lacunas do parágrafo acima.
Provas
Questão presente nas seguintes provas
O tabagismo é considerado pela OMS a principal causa de morte evitável em todo o mundo. Sobre esse tema, considere as afirmações abaixo.
I - O tratamento do fumante está entre as intervenções médicas que apresentam a melhor relação custo-benefício, com custo inferior ao tratamento da HAS, da dislipidemia e do infarto.
II - A cessação do tabagismo reduz significativamente a incidência de doença coronariana, acidente vascular cerebral e insuficiência renal.
III - Mulheres fumantes têm menor risco relativo de desenvolver doenças cardiovasculares do que os homens fumantes. Os motivos para essa diferença ainda não são conhecidos.
Quais estão corretas?
Provas
Questão presente nas seguintes provas
Sobre a formação da termoclina sazonal, assinale a afirmação correta.
Provas
Questão presente nas seguintes provas
Cadernos
Caderno Container