Foram encontradas 1.914 questões.
528636
Ano: 2016
Disciplina: Direito da Criança e do Adolescente
Banca: COVEST-COPSET
Orgão: UFPE
Disciplina: Direito da Criança e do Adolescente
Banca: COVEST-COPSET
Orgão: UFPE
Provas:
- ECAGeralDireitos Fundamentais (art. 7º ao 69)Do Direito à Educação, à Cultura, ao Esporte e ao Lazer (Art. 53 a 59)
O Art. 58 do Estatuto da Criança e do Adolescente – ECA – determina que, no processo educacional, respeitar-se-ão os valores culturais, artísticos e históricos próprios do contexto social da criança e do adolescente, garantindo-se a estes:
Provas
Questão presente nas seguintes provas
Analisando amostras de rochas sedimentares eocretáceas da Bacia do Araripe, foram encontradas várias espécies do gênero de ostracodes Darwinula. Qual é a forma correta de apresentar esta informação?
Provas
Questão presente nas seguintes provas
É uma infraestrutura comumente utilizada para implementar configurações específicas para usuários e computadores em diversos sistemas Windows e Windows Server, além de ser uma das principais razões para implantar o Active Directory. Trata-se de:
Provas
Questão presente nas seguintes provas
O Frame Relay é uma tecnologia que foi muito usada em redes de comunicação ao redor do mundo. Sobre o Frame Relay, pode-se dizer que:
Provas
Questão presente nas seguintes provas
Hoje, o uso das funções da administração como maneira de classificar o cargo de gerente ainda é bastante difundido; porém, costuma-se condensá-las em cinco: planejamento, organização, liderança, execução e controle. A função ‘organização’ é aquela que procura:
Provas
Questão presente nas seguintes provas
Sobre as máquinas síncronas trifásicas, as máquinas assíncronas trifásicas de rotor gaiola, e as máquinas de corrente contínua, é correto afirmar que:
Provas
Questão presente nas seguintes provas
O trabalho do Coordenador Pedagógico, no contexto atual, é fundamentalmente um trabalho de formação continuada em serviço. Ao subsidiar e organizar a reflexão dos professores sobre as razões que justificam suas opções pedagógicas e sobre as dificuldades que encontram para desenvolver seu trabalho, o coordenador está favorecendo a tomada de consciência dos professores sobre:
Provas
Questão presente nas seguintes provas
O eletroscópio é um instrumento utilizado para detectar carga elétrica, cuja composição é constituída por duas folhas metálicas finas posicionadas dentro de uma caixa e ligadas eletricamente a uma esfera metálica fora da caixa. Quanto ao funcionamento do eletroscópio, é incorreto o que segue.
Provas
Questão presente nas seguintes provas
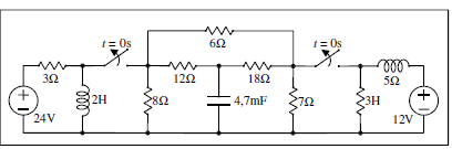
Considerando que as chaves no circuito elétrico da Figura abrem em t = 0s e permaneçam abertas, e que, antes das chaves abrirem, o circuito havia atingido a condição de regime permanente, o valor da constante de tempo do capacitor, após t = 0s, é:

Provas
Questão presente nas seguintes provas
488211
Ano: 2016
Disciplina: Direito Educacional e Tecnológico
Banca: COVEST-COPSET
Orgão: UFPE
Disciplina: Direito Educacional e Tecnológico
Banca: COVEST-COPSET
Orgão: UFPE
Provas:
As políticas públicas voltadas à inclusão das pessoas com deficiência nas IES (MEC/SECADI/SESu, 2013) devem contemplar a acessibilidade, exceto:
Provas
Questão presente nas seguintes provas
Cadernos
Caderno Container