Foram encontradas 411 questões.
Chaveta é um elemento mecânico cuja forma, em geral, é retangular. A chaveta é usada para fixar elementos como engrenagens ou polias aos eixos, de modo que se possa transferir torque entre eles. As chavetas classificam-se em
Provas
Questão presente nas seguintes provas
Um determinado indicador presente no exame de sangue é considerado normal quando seu valor pertence a um intervalo [a ; b]. Para portadores de uma determinada doença, o intervalo admissível para esse indicador fica com seu limite inferior acrescido de 10% e fica com seu limite superior diminuído de 10%, em relação ao considerado normal. Para os portadores dessa doença, o intervalo admissível para esse indicador é:
Provas
Questão presente nas seguintes provas
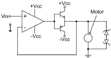
Os motores de corrente contínua (cc) estão presentes em diversos equipamentos. Considere o seguinte circuito de acionamento de um motor cc:

É CORRETO afirmar:
Provas
Questão presente nas seguintes provas
O transdutor de pressão é aquele instrumento de medição que transforma variações de pressão em deslocamento mecânico de seu corpo. Dessa forma, são transdutores de pressão, EXCETO:
Provas
Questão presente nas seguintes provas
O torneamento em máquinas operatrizes CNC é utilizado para usinar peças cilíndricas com precisão. Considere o comando para descrever a trajetória de uma ferramenta de corte, partindo do ponto A para o ponto B, conforme ilustração abaixo:

O comando utilizado via código G, para representar essa operação, é:
Provas
Questão presente nas seguintes provas
Numere a Coluna II de acordo com a Coluna I:
Coluna I
1 – Verbos sem concordância
2 -Verbos com concordância
3- Verbos manuais
2 -Verbos com concordância
3- Verbos manuais
Coluna II
( ) São verbos que mimetizam uma mão segurando um objeto, ou seja, esses verbos incorporam o objeto instrumental na forma da mão utilizada.
( ) Exemplos: PENSAR, GOSTAR, COMER.
( ) Esses verbos apresentam um movimento ou uma orientação associados ao locus de cada argumento (sujeito, objeto e/ou locativo).
( ) Exemplos: CORTAR-COM-TESOURA, PINTAR-COM-ROLO, CORTAR-COM-FACA.
( ) São verbos que não apresentam nenhum movimento ou orientação associados aos loci (localizações) de seus argumentos.
( ) Exemplos: DAR, AVISAR, PERGUNTAR.
Assinale a alternativa que apresenta a sequência CORRETA.
Provas
Questão presente nas seguintes provas
É CORRETO afirmar que são técnicas que participam da etapa de acabamento de um livro:
Provas
Questão presente nas seguintes provas
No programa InDesign, os vínculos permitem que, ao editar um arquivo do Illustrator, por exemplo, as modificações sejam atualizadas sem a necessidade de importá-lo novamente. Um desenho criado no programa Adobe Illustrator deve ser salvo nos seguintes formatos, para que possa ser editado a partir do InDesign utilizando a opção “editar original”:
Provas
Questão presente nas seguintes provas
Um switch pode utilizar um entre vários mecanismos de encaminhamento de pacotes. Entre esses mecanismos, podem ser destacados “Store-and Forward” e “Cut-Through”. Em relação a esses mecanismos, é CORRETO afirmar:
Provas
Questão presente nas seguintes provas
O ensaio hidrostático em caldeiras visa a detectar vazamentos e insuficiência de resistência dos componentes sujeitos à pressão. Com relação a esse ensaio, considere as proposições abaixo:
I – O ensaio deve ser realizado com a caldeira fria, cheia de água, evitando a retenção de bolsas de ar.
II – Nesse ensaio, não é recomendável utilizar a mesma água tratada usada no funcionamento normal da caldeira.
III – O ensaio hidrostático é de realização obrigatória, sempre que, após a última inspeção, tenham ocorrido vazamentos.
II – Nesse ensaio, não é recomendável utilizar a mesma água tratada usada no funcionamento normal da caldeira.
III – O ensaio hidrostático é de realização obrigatória, sempre que, após a última inspeção, tenham ocorrido vazamentos.
Assinale a alternativa CORRETA.
Provas
Questão presente nas seguintes provas
Cadernos
Caderno Container