Foram encontradas 160 questões.
Simulações são feitas pelo aplicativo Remini; “Deus está triste com tanto bebê de IA” e (sic.) “cafona demais”, criticam perfis (Nayani Real)
( ) Apalavra “geração” é formada por derivação sufixal.
( ) No período “Com características similares às suas, os bebês aparecem em seus colos, em imagens que simulam retratos de família”, os pronomes em destaque fazem uma retomada catafórica de um mesmo referente.
( ) Sigla é o processo de formação da palavra IA.
( ) Apalavra “cafona” é um neologismo.
( ) No período “alguns perfis se mostram avessos à moda”, o termo em destaque estabelece uma relação de sinonímia com o termo “contrários”.
Marque a sequência CORRETA:
Provas
Simulações são feitas pelo aplicativo Remini; “Deus está triste com tanto bebê de IA” e (sic.) “cafona demais”, criticam perfis (Nayani Real)
Provas
Simulações são feitas pelo aplicativo Remini; “Deus está triste com tanto bebê de IA” e (sic.) “cafona demais”, criticam perfis (Nayani Real)
Provas
Sobre a responsabilidade tributária prevista na legislação brasileira, é CORRETO afirmar:
Provas
Fonte: BRASIL. Agência Nacional de Vigilância Sanitária (Anvisa). Formulário Nacional da Farmacopeia Brasileira. 2. ed. Revisão – 02. Brasísia, 2012, 1v.
Sobre as vantagens que as soluções farmacêuticas apresentam em relação às outras formas farmacêuticas, analise as afirmações abaixo.
I- Disponibilidade retardada do IFA para absorção.
II- Homogeneidade na administração da dose.
III- Versatilidade quanto à via de administração.
IV- Flexibilidade de doses.
É CORRETO o que se afirma apenas em:
Provas
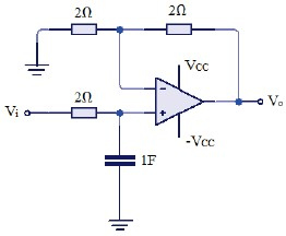
O amplificador de diferenças é amplamente utilizado em instrumentação. O circuito representado na figura abaixo contém um amplificador de diferenças.

Nesse circuito, o amplificador operacional ideal é alimentado por uma fonte simétrica com tensão VCC de 12 V. Qual é o valor da tensão de entrada, Vi, que é uma tensão contínua e constante, se a tensão de saída, Vo, for 2 V?
Provas
Uma fonte de tensão contínua e constante alimenta uma carga resistiva variável. Na carga, foram feitas duas medições. Na primeira, constatou-se que, quando a carga consumia uma corrente de 6 A, a tensão sobre ela era de 20 V. Na segunda medição, verificou-se que, quando a carga consumia uma corrente de 12 A, a tensão sobre ela era de 14 V. Considerando as duas medições feitas na carga, o valor da resistência interna da fonte é
Provas
A Lei de Improbidade Administrativa (Lei nº 8.429/1992) no Brasil:
Provas
TEXTO III
● Não tinham responsabilidades.
● Andavam por aí cheias de celulites.
● Faziam doces.
● Visitavam as amigas.
Do ponto de vista sintático, as expressões em destaque exercem, na ordem CORRETA, as seguintes funções:
Provas
TEXTO II

Disponível em: <https://vestibulares.estrategia.com/portal/materias/portugues/ambiguidade/>. Acesso em: 13 jul. 2023.
Provas
Caderno Container