Foram encontradas 40 questões.
A configuração Darlington é de grande importância na eletrônica, proporcionando um alto ganho de corrente e melhor desempenho. Ela é amplamente empregada em circuitos de acionamento de cargas de potência, amplificação de sinais de baixa amplitude e circuitos de controle. Observe a configuração Darlington representada na figura abaixo.

Sabendo que !$ \beta_1 !$ = 100 é o parâmetro !$ \beta !$ para o transistor Q1 e !$ \beta_2 !$ = 100 é o parâmetro !$ \beta !$ para o transistor Q2, se a corrente I1 = 1 μA, qual é o valor, em mA, da corrente I2?
Provas
A tecnologia Complementary Metal-Oxide-Semiconductor, conhecida como CMOS, é amplamente utilizada em circuitos digitais. Basicamente, ela é composta pela utilização de dois tipos de transistores de efeito de campo, um MOSFET tipo N e outro tipo P. Na tecnologia CMOS, esses transistores trabalham juntos para formar um circuito que pode realizar operações lógicas. O circuito apresentado na figura abaixo é um circuito lógico com CMOS.

Esse circuito possui duas entradas, representadas por A e B, e uma saída, representada por Y. Ele implementa uma determinada porta lógica. Considerando 0 V como nível lógico baixo e 5 V como nível lógico alto, a porta lógica implementada pelo circuito é uma
Provas
A curva de carga de uma instalação industrial está mostrada na figura abaixo.

Com base nas informações apresentadas na figura, e sendo a potência instalada total igual a 1.250 kW, o fator de demanda e o fator de carga diário serão, respectivamente, iguais a
Provas
Deseja-se determinar o número de luminárias a serem instaladas para iluminar um auditório com iluminância de 500 LUX. Para tanto, deve-se utilizar o método dos lúmens. Considerando o extensão do auditório possui 120 m2 e as seguintes informações:
Fator de utilização = 0,7.
Fator de depreciação = 0,7.
Fluxo por luminária = 2.450 lúmens.
A quantidade total de luminárias necessárias é igual a
Provas
Uma das principais funções dos transformadores é a de transferir energia elétrica de um circuito de entrada (primário) para um de saída (secundário), elevando ou diminuindo os valores de tensão, ou corrente, mantendo a frequência constante. Para determinar a relação de transformação de um determinado transformador, um engenheiro eletricista fez medições da tensão, simultaneamente, nos enrolamentos primário e secundário do equipamento. Ao fazer as medições, o engenheiro observou os sinais de tensão apresentados nos gráficos a seguir.

Ao fazer uma análise adequada das informações apresentadas nos gráficos, o engenheiro constatou que a relação de transformação, do enrolamento primário para o secundário, do transformador é:
Provas
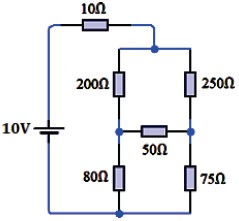
As técnicas de análise de circuitos elétricos são fundamentais para entender e analisar circuitos como o apresentado na figura a seguir.

A utilização das técnicas permite que as principais grandezas elétricas do circuito possam ser calculadas. Ao calcular a corrente fornecida pela fonte de alimentação, é CORRETO dizer que ela é igual a
Provas
Um engenheiro eletricista utilizou um osciloscópio para medir o valor eficaz e a frequência do sinal de tensão apresentado na figura abaixo.

O osciloscópio estava configurado da seguinte forma: 2 V/divisão e 5 ms/divisão. Sabendo que o osciloscópio mostra a tensão no eixo das ordenadas, o tempo no eixo das abscissas, e que o sinal de tensão possui valor médio nulo e !$ \sqrt{2} \cong 1,41 !$, o valor eficaz e a frequência do sinal de tensão observados pelo engenheiro foram, respectivamente, iguais a
Provas
Um gerador CC de excitação independente é alimentado por uma fonte de tensão CC e tem seu rotor girado por uma fonte de força mecânica externa conectada ao seu eixo. Se uma carga for conectada aos terminais do comutador, a adição da carga provocará
Provas
De acordo com a NBR 5419 – Proteção contra descargas atmosféricas, a armadura de aço presente nas estruturas de concreto armado é considerada eletricamente contínua em determinadas condições. A partir da realização de ensaios elétricos efetuados entre a parte mais alta e o nível do solo, é possível determinar a continuidade elétrica da armadura. A resistência elétrica total obtida nos ensaios não pode ser maior que
Provas
A respeito do esquema de aterramento TN, conforme está disposto na NBR 5410, considere as afirmativas a seguir:
I- No esquema TN-S, os condutores de neutro e de proteção são distintos.
II- No esquema TN-C-S, um único condutor desempenha as funções de neutro e proteção na totalidade da instalação.
III- No esquema TN-C, um único condutor desempenha as funções de neutro e proteção apenas em uma parte da instalação.
IV- No esquema TN-S, o seccionamento automático visando a proteção contra choques elétricos pode ser feito pelos dispositivos de proteção a sobrecorrente e pelos dispositivos de proteção a corrente diferencial-residual (DR).
Está CORRETO o que se afirma apenas em:
Provas
Caderno Container