Foram encontradas 1.836 questões.
Uma espécie nativa própria para arborização urbana é a:
Provas
O balanço patrimonial, em 31 de dezembro, de uma determinada sociedade comercial limitada apresentava as seguintes contas com os seus respectivos valores (em R$):
| Caixa | 1.200 | Fornecedores | 4.650 |
| Bancos c/Movimento | 3.000 | Móveis e Utensílios | 2.350 |
| Mercadorias | 2.490 | Salários a Pagar | 5.190 |
| Aplicações financeiras | 750 | Lucros Acumulados | 1.650 |
| Capital social | 3.300 | Veículos | 5.000 |
Com os dados apresentados, o montante do capital total à disposição da empresa era igual a:
Provas
No tratamento do glaucoma de ângulo aberto, é utilizado o diurético acetazolamida que apresenta o desenvolvimento de acidose metabólica nas terapias de longo prazo. O mecanismo de ação desse fármaco é baseado em sua propriedade de inibição da enzima:
Provas
Observe a representação de uma solda, apresentada na figura abaixo.

Essa indicação corresponde à soldagem na forma:
Provas
A administração tributária com frequência busca tornar os mecanismos de recolhimento do tributo mais eficazes. Como uma das técnicas utilizadas, surge a substituição tributária, que pode ser considerada em várias modalidades. Na denominada substituição para a frente, uma das características é:
Provas
Disciplina: Desenho Técnico e Industrial
Banca: CEPERJ
Orgão: Pref. Saquarema-RJ
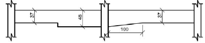
A figura abaixo apresenta a viga de concreto armado V1 de uma edificação em elevação.

A opção que apresenta uma vista em planta dessa viga é:
Provas
Um paciente de 42 anos de idade, diabético insulino-dependente há 15 anos, realizou teste ergométrico para poder iniciar atividade física regular. No primeiro minuto do protocolo de Bruce, houve aparecimento de infradesnível do segmento ST de 4 mm e dor precordial. Necessitou de medicação vasodilatadora para remissão do quadro. Mediante o exposto, a conduta deve ser:
Provas
Segundo a 5a Edição do Manual de Diagnóstico e Estatística de Distúrbios Mentais da American Psychiatric Association (DSM-5), para o diagnóstico de Bulimia Nervosa é necessário que as crises bulímicas (episódio de comer compulsivo) e os comportamentos compensatórios inadequados tenham, em média, frequência e duração mínimas de:
Provas
Uma criança que apresenta retardo mental profundo, comportamento automutilante, microcefalia, mãos e pés desproporcionalmente pequenos, baixa estatura, sobrancelhas confluentes, nariz pequeno com narinas antevertidas, lábio superior fino e malformação de membros superiores sofre de síndrome de:
Provas
Seja z um número complexo de argumento !$ { \Large { 5 \pi \over 6}} !$ rd e módulo igual a !$ \sqrt{2} !$. O número z12 tem argumento e módulo, respectivamente iguais a:
Provas
Caderno Container