Magna Concursos

Foram encontradas 564 questões.

613368 Ano: 2014
Disciplina: Administração Financeira e Orçamentária
Banca: FADESP
Orgão: Pref. Parauapebas-PA
Provas:
As receitas tributárias, de contribuições e patrimoniais são classificadas na administração pública como receitas
 

Provas

Questão presente nas seguintes provas
Texto
O poder da geração hashtag está em compartilhar
FLÁVIA YURI OSHIMA
Uma pesquisa inédita feita por uma das maiores agências de propaganda do mundo, a Havas Worldwide, empresa com sede em Paris e presença em 75 países (I), mostra como pensam e vivem (I) jovens entre 16 a 34 anos. Realizada este ano com 10 572 pessoas de mais de 16 anos, em 29 países, o Nação Hashtag, como foi chamado o estudo, mostra não só as preferências desse público como também algumas das principais diferenças entre esses jovens e a geração que nasceu nos anos 1950. (...)
Para os filhos e netos dos jovens das décadas de 1950 e 1960, a atração por rebelião e revolução deu lugar ao desejo de “mexer, consertar, hackear”. Na definição do estudo, é a geração dos makers (fazedores). “Em inglês dizemos que esses jovens trocaram o dropping out, que é a atitude de abandonar qualquer (IV) situação que os incomode, pela sigla DIY, de faça você mesmo em inglês”, afirmou Seth Godin, autor americano de livros sobre marketing e comportamento. “É como se antes os jovens precisassem largar ou quebrar tudo para ir atrás do que queriam. Hoje, a postura é mudar, com as próprias mãos, a partir do que existe”, disse ele. A possibilidade de fazer por si só está muito relacionada à geração de conteúdo e à uma certa disposição ao autodidatismo, alimentada pela possibilidade de poder pesquisar e explorar sozinhos vários campos de conhecimento.
Uma diferença importante detectada pelo estudo é que antes os grupos eram (II) bem divididos de acordo com as idades. Hoje, as tribos são montadas muito mais pelos interesses (III) e pela forma como se comunicam do que pela faixa etária. “O que separa os jovens dos mais velhos hoje é menos o que eles pensam e sentem e mais a forma como empregam seu tempo e as ferramentas que usam para fazer suas vidas fluir”, diz Godin. Em outras palavras, usuários de diferentes idades de Instagram e Viber têm mais chances de se encontrar na mesma tribo do que os de mesma geração que não tenham os mesmos interesses e não usem as mesmas ferramentas tecnológicas.
Sentir-se ligado a quem usa os mesmos aplicativos de comunicação está intimamente relacionado à cultura de compartilhar. O estudo da Havas corrobora a avaliação de vários analistas de marketing e publicidade. O ato de dividir o que pensam, o que veem e o que vivenciam com conhecidos e, às vezes, com estranhos também, faz os jovens se sentirem poderosos de diversas formas.
Disponível em:<http://epoca.globo.com/colunas-e-blogs/Flavia-Yuri-Oshima/noticia/
2014/12/o-poder-da-bgeracao-hashtagb-esta-em-compartilhar.html>Acesso em: 5 jan. 2015.
Julgue os itens abaixo com base nos fatos gramaticais de língua.
I. O sujeito do verbo “vivem” é “países”.
II. O uso do “que” é expletivo em “é que antes os grupos eram”.
III. O verbo está na voz passiva em “as tribos são montadas muito mais pelos interesses”.
IV. A substituição de “qualquer” por “toda” não altera o sentido nem a correção gramatical do período.
Está correto o que se afirma em
 

Provas

Questão presente nas seguintes provas
610596 Ano: 2014
Disciplina: Direito Ambiental
Banca: FADESP
Orgão: Pref. Parauapebas-PA
Provas:
Considere-se as seguintes situações referentes ao processo de licenciamento ambiental:
I. violação de quaisquer condicionantes ou normas legais;
II. omissão de informações relevantes que subsidiaram a expedição da licença;
III. falsa descrição de informações relevantes que subsidiaram a expedição da licença;
IV. superveniência de graves riscos ambientais e de saúde.
O órgão ambiental competente, mediante decisão motivada, poderá modificar os condicionantes e as medidas de controle e adequação, suspender ou cancelar uma licença ambiental expedida, quando identificar as situações descritas nos itens
 

Provas

Questão presente nas seguintes provas
De acordo com norma regulamentadora específica, cabe ao empregador, após o término do contrato de trabalho envolvendo exposição ao asbesto, manter disponível a realização periódica de exames médicos de controle dos trabalhadores durante 30 (trinta) anos. Esses exames deverão ser realizados com a seguinte periodicidade:
 

Provas

Questão presente nas seguintes provas
609511 Ano: 2014
Disciplina: Psicologia
Banca: FADESP
Orgão: Pref. Parauapebas-PA
Provas:
A atuação do psicólogo no contexto hospitalar não se restringe à atenção direta ao paciente. Pressupõe também ao/à
 

Provas

Questão presente nas seguintes provas
609490 Ano: 2014
Disciplina: Sociologia
Banca: FADESP
Orgão: Pref. Parauapebas-PA
Provas:
A. de Toquecville, ao analisar as leis políticas dos EUA, comenta que estas devem
 

Provas

Questão presente nas seguintes provas
608220 Ano: 2014
Disciplina: Engenharia Elétrica
Banca: FADESP
Orgão: Pref. Parauapebas-PA
Provas:
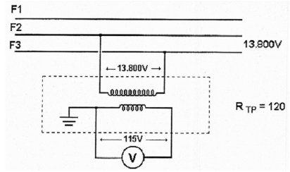
O esquema abaixo mostra um equipamento utilizado para conectar os medidores de energia à rede de média tensão. Esse equipamento chama-se transformador de potencial. Considerando que o bobinamento onde está conectado o voltímetro mede 115V e possui 10 espiras, o bobinamento de 13800V contém
Enunciado 608220-1
 

Provas

Questão presente nas seguintes provas
605314 Ano: 2014
Disciplina: Engenharia Elétrica
Banca: FADESP
Orgão: Pref. Parauapebas-PA
Provas:
No motor de um determinado equipamento, encontramos a placa de identificação apresentada abaixo. Considerando que esse motor trabalha com carga nominal em um rede trifásica de 380V e 60Hz, concui-se que a corrente que circula na linha elétrica de alimentação é de
Enunciado 605314-1
 

Provas

Questão presente nas seguintes provas
604934 Ano: 2014
Disciplina: Sociologia
Banca: FADESP
Orgão: Pref. Parauapebas-PA
Provas:
N. Maquiavel, demonstrando a teatralização da política, afirma que um príncipe, para permanecer no poder deve
 

Provas

Questão presente nas seguintes provas
601369 Ano: 2014
Disciplina: Atualidades e Conhecimentos Gerais
Banca: FADESP
Orgão: Pref. Parauapebas-PA
Provas:
A responsabilidade maior pela reaproximação entre os EEUU e Cuba ocorrida no ano passado, após mais de 50 anos de rompimento diplomático, fato que aponta o surgimento de uma nova era nas relações entre esses dois países, foi do(da)
 

Provas

Questão presente nas seguintes provas