Magna Concursos

Foram encontradas 400 questões.

2632762 Ano: 2023
Disciplina: Engenharia Elétrica
Banca: FUNDATEC
Orgão: Pref. Farroupilha-RS
Provas:

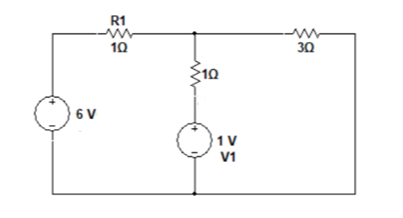
Para o circuito a seguir, determine a potência da fonte V1.

Enunciado 2990400-1

 

Provas

Questão presente nas seguintes provas
2632761 Ano: 2023
Disciplina: Engenharia Civil
Banca: FUNDATEC
Orgão: Pref. Farroupilha-RS
Provas:

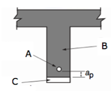
De acordo com a NBR 6.118, a imagem abaixo apresenta o estado-limite de descompressão parcial. A letra C corresponde respectivamente à:

Enunciado 2990389-1

 

Provas

Questão presente nas seguintes provas
2632760 Ano: 2023
Disciplina: Engenharia Civil
Banca: FUNDATEC
Orgão: Pref. Farroupilha-RS
Provas:

Levando em consideração a NBR 9.077, analise as assertivas abaixo:

I. Local de saída única é o local em um pavimento da edificação onde a saída é possível apenas em um sentido.

II. Os patamares das rampas devem ser sempre em nível, tendo comprimento mínimo de 1,00 m, medidos na direção do trânsito, sendo obrigatórios sempre que houver mudança de direção ou quando a altura a ser vencida ultrapassar 4,00 m.

III. Em qualquer edificação, os pavimentos sem saída em nível para o espaço livre exterior devem ser dotados de escadas, enclausuradas ou não, as quais devem ser dotadas de guardas em seus lados abertos, dentre outros.

Quais estão corretas?

 

Provas

Questão presente nas seguintes provas
2632759 Ano: 2023
Disciplina: Engenharia Civil
Banca: FUNDATEC
Orgão: Pref. Farroupilha-RS
Provas:

De acordo com a NBR 15.575, analise as assertivas abaixo:

I. Telhado de alpendre é o telhado constituído ou formado por uma única água.

II. Ático é o espaço compreendido entre o forro e uma laje ou pano de telhado que lhe é paralelo.

III. Laje plana é a laje de cobertura com declividade menor ou igual a 8%.

IV. Teto é a superfície inferior de uma cobertura, ou de entrepisos, que delimita internamente a parte superior de um cômodo.

Quais estão corretas?

 

Provas

Questão presente nas seguintes provas
2632758 Ano: 2023
Disciplina: Engenharia Civil
Banca: FUNDATEC
Orgão: Pref. Farroupilha-RS
Provas:

Sobre a corrosão de armaduras, analise as assertivas abaixo e assinale a alternativa correta.

I. O surgimento da corrosão de armaduras em estruturas de concreto armado requer um conjunto de fatores que tornam o ambiente propício, são eles: presença de água, presença de ar, área anódica, área catódica, um condutor metálico (armadura) e um eletrólito (solução aquosa presente no concreto).

II. O cobrimento do concreto atua como uma proteção física (barreira), evitando que os agentes agressivos entrem em contato com a armação, uma vez que o processo de corrosão avança da superfície do concreto até o interior do elemento estrutural onde a armadura se encontra.

III. Uma das formas de avaliar o fenômeno da carbonatação do concreto, o qual resulta na despassivação da armadura, é através da averiguação do pH utilizando nitrato de prata.

IV. As regiões carbonatadas, isto é, em que houve a redução do pH do concreto para valores inferiores a 9, apresentam coloração rosa após a aspersão do nitrato de prata.

 

Provas

Questão presente nas seguintes provas
2632757 Ano: 2023
Disciplina: Engenharia Civil
Banca: FUNDATEC
Orgão: Pref. Farroupilha-RS
Provas:

Conforme Isaia (2010), analise a sentença abaixo:

De forma geral, todos os tipos de cimento Portland são adequados a todos os tipos de estrutura e aplicações (1ª parte). Existem, entretanto, alguns tipos de cimento que são mais vantajosos ou recomendáveis para determinadas aplicações (2ª parte). Dentro desse princípio, pode-se afirmar que os cimentos CP I e CP II se destinam a aplicações gerais, ao passo que o CP III, o CP IV e o ARI comportam-se melhor em algumas situações específicas (3ª parte).

Quais partes estão corretas?

 

Provas

Questão presente nas seguintes provas
2632756 Ano: 2023
Disciplina: Direitos Humanos
Banca: FUNDATEC
Orgão: Pref. Farroupilha-RS
Provas:
Em relação ao Estatuto Nacional da Igualdade Racial, analise as assertivas abaixo, assinalando V, se verdadeiras, ou F, se falsas.

( ) A implementação de políticas públicas para o fortalecimento da juventude negra brasileira é prevista no estatuto.
( ) Segundo o estatuto, é garantida a proteção aos locais de culto.
( ) O estatuto não previu a adoção de programas de ação afirmativa pelo poder público.

A ordem correta de preenchimento dos parênteses, de cima para baixo, é:
 

Provas

Questão presente nas seguintes provas
O Estatuto Nacional da Igualdade Racial, em seu texto, garante o direito ao livre exercício dos cultos religiosos:
 

Provas

Questão presente nas seguintes provas
2632753 Ano: 2023
Disciplina: Direito Ambiental
Banca: FUNDATEC
Orgão: Pref. Farroupilha-RS
Provas:

Em relação à Lei Federal nº 6.938/1981 – Política Nacional do Meio Ambiente, analise as assertivas abaixo, assinalando V, se verdadeiras, ou F, se falsas.

( ) A Política Nacional do Meio Ambiente visará à atenuação de tecnologias de manejo do meio ambiente.

( ) Os órgãos e entidades da União, bem como as fundações instituídas pelo Poder Executivo, são responsáveis pela proteção e melhoria da qualidade ambiental e dos recursos hídricos.

( ) As atividades empresariais públicas ou privadas serão exercidas em consonância com as diretrizes da Política Nacional do Meio Ambiente.

( ) A Política Nacional do Meio Ambiente visará ao desenvolvimento de pesquisas e de tecnologias nacionais orientadas para o uso racional de recursos ambientais.

A ordem correta de preenchimento dos parênteses, de cima para baixo, é:

 

Provas

Questão presente nas seguintes provas
2632752 Ano: 2023
Disciplina: Direito Ambiental
Banca: FUNDATEC
Orgão: Pref. Farroupilha-RS
Provas:

De acordo com o Art. 10 da Resolução CONAMA nº 237/1997, o procedimento de licenciamento ambiental obedecerá às seguintes etapas, EXCETO:

 

Provas

Questão presente nas seguintes provas