Foram encontradas 40 questões.
Provas
Disciplina: Engenharia Eletrônica
Banca: FUNDATEC
Orgão: Pref. Farroupilha-RS
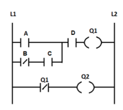
Para o diagrama Ladder a seguir, determine a expressão booleana equivalente para a saída Q2.

Provas
Disciplina: Engenharia Eletrônica
Banca: FUNDATEC
Orgão: Pref. Farroupilha-RS
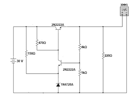
Para a fonte linear com realimentação a seguir, determine a tensão na carga de 220Ω, sabendo que o diodo Zener 1N4728A possui tensão Vz = 3,3V. Considere o Vbe do transistor 2N2222 de 0,7V.

Provas
Disciplina: Engenharia Eletrônica
Banca: FUNDATEC
Orgão: Pref. Farroupilha-RS
Para o circuito a seguir, determine o ganho em dB, sabendo que log 2 = 0,301, log 3 = 0,477 e log 5 = 0,699. Considere o valor arredondado sem casas decimais e que os AMPOP estão devidamente alimentados.

Provas
Disciplina: Engenharia Eletrônica
Banca: FUNDATEC
Orgão: Pref. Farroupilha-RS
Para a tabela verdade a seguir, determine o circuito simplificado pelo método de Karnaugh.
A | B | C | D | S |
0 | 0 | 0 | 0 | 1 |
0 | 0 | 0 | 1 | 1 |
0 | 0 | 1 | 0 | 1 |
0 | 0 | 1 | 1 | 1 |
0 | 1 | 0 | 0 | 0 |
0 | 1 | 0 | 1 | 1 |
0 | 1 | 1 | 0 | 0 |
0 | 1 | 1 | 1 | 1 |
1 | 0 | 0 | 0 | 1 |
1 | 0 | 0 | 1 | 1 |
1 | 0 | 1 | 0 | 1 |
1 | 0 | 1 | 1 | 1 |
1 | 1 | 0 | 0 | 0 |
1 | 1 | 0 | 1 | 1 |
1 | 1 | 1 | 0 | 0 |
1 | 1 | 1 | 1 | 1 |
Provas
Disciplina: Engenharia Elétrica
Banca: FUNDATEC
Orgão: Pref. Farroupilha-RS
Uma indústria têxtil possui uma máquina de corte que apresenta fator de potência 0,5 indutivo. Sabendo que a tensão de alimentação é de 220V e que o equipamento possui uma potência aparente de 2KVA, determine o novo fator de potência se for ligado com esta carga um banco de capacitor de 80 µF. Considere a frequência da rede elétrica em 60Hz e o valor de π = 3,1415.
Provas
Disciplina: Engenharia Elétrica
Banca: FUNDATEC
Orgão: Pref. Farroupilha-RS
Sabendo que o circuito está com a chave S fechada por um longo tempo, determine o valor de C baseado na leitura do osciloscópio. O canal está configurado na escala de tensão em 5V/Div e na escala de tempo em 5ms/Div.

Provas
Disciplina: Engenharia Elétrica
Banca: FUNDATEC
Orgão: Pref. Farroupilha-RS
Para o circuito a seguir, determine o valor da tensão RMS no canal B do osciloscópio com base na leitura do canal A que está na escala de 1V/Div.

Provas
Disciplina: Engenharia Elétrica
Banca: FUNDATEC
Orgão: Pref. Farroupilha-RS
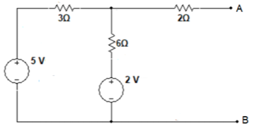
Para o circuito a seguir, determine a corrente e resistência do equivalente de Norton entre os terminais A e B.

Provas
Disciplina: Engenharia Elétrica
Banca: FUNDATEC
Orgão: Pref. Farroupilha-RS
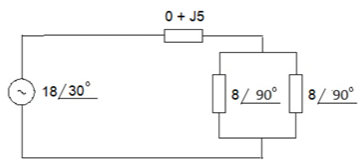
Para o circuito a seguir, determine a corrente I fornecida pela fonte.

Provas
Caderno Container