Foram encontradas 40 questões.
De acordo com a Lei Maria da Penha, a política pública que visa coibir a violência doméstica e familiar contra a mulher terá como diretriz a implementação de atendimento policial
especializado para as mulheres, em particular nas Delegacias de:
Provas
Questão presente nas seguintes provas
2632786
Ano: 2023
Disciplina: Engenharia Elétrica
Banca: FUNDATEC
Orgão: Pref. Farroupilha-RS
Disciplina: Engenharia Elétrica
Banca: FUNDATEC
Orgão: Pref. Farroupilha-RS
Provas:
Dimensione corretamente o cabeamento e o disjuntor de proteção de um banheiro
de quarto de hotel na capital com a seguinte configuração:
• 1 um chuveiro elétrico de 6000W (bifásico), uma torneira de água quente de 4400W (bifásico).
• 2 luminárias de 120W cada, uma no espelho do lavatório, outra no teto do banheiro.
• 2 tomadas de energia, uma de 100W simples no lavatório (considere potência variável até 1000W, devido ao uso de secadores de cabelo), outra de 5000W (bifásico, espera para uma banheira).
Para fins de cálculo, considere tensão de 120V para circuitos monofásicos, e 220V para circuitos bifásicos.
• 1 um chuveiro elétrico de 6000W (bifásico), uma torneira de água quente de 4400W (bifásico).
• 2 luminárias de 120W cada, uma no espelho do lavatório, outra no teto do banheiro.
• 2 tomadas de energia, uma de 100W simples no lavatório (considere potência variável até 1000W, devido ao uso de secadores de cabelo), outra de 5000W (bifásico, espera para uma banheira).
Para fins de cálculo, considere tensão de 120V para circuitos monofásicos, e 220V para circuitos bifásicos.
Provas
Questão presente nas seguintes provas
2632785
Ano: 2023
Disciplina: Engenharia Elétrica
Banca: FUNDATEC
Orgão: Pref. Farroupilha-RS
Disciplina: Engenharia Elétrica
Banca: FUNDATEC
Orgão: Pref. Farroupilha-RS
Provas:
Durante a reforma de um prédio onde não se tem acesso ao projeto elétrico, a
alternativa para conhecer a instalação presente foi a de inspecionar os pontos de luz e caixas de
passagem. Ao abrir uma caixa de passagem, localizada em um corredor entre duas salas, observa-se
a seguinte situação:
• 2 cabos azul claro vindos do eletroduto do corredor e seguindo um para cada eletroduto direcionado para cada sala.
• 2 cabos verdes vindo do eletroduto do corredor e seguindo um para cada eletroduto direcionado para cada sala.
• 1 cabo preto vindo do eletroduto do corredor e seguindo para o eletroduto de uma das salas.
• 1 cabo vermelho vindo do eletroduto do corredor e seguindo para o eletroduto da outra sala.
Baseando-se na descrição acima, pode-se afirmar que existem:
• 2 cabos azul claro vindos do eletroduto do corredor e seguindo um para cada eletroduto direcionado para cada sala.
• 2 cabos verdes vindo do eletroduto do corredor e seguindo um para cada eletroduto direcionado para cada sala.
• 1 cabo preto vindo do eletroduto do corredor e seguindo para o eletroduto de uma das salas.
• 1 cabo vermelho vindo do eletroduto do corredor e seguindo para o eletroduto da outra sala.
Baseando-se na descrição acima, pode-se afirmar que existem:
Provas
Questão presente nas seguintes provas
2632784
Ano: 2023
Disciplina: Engenharia Elétrica
Banca: FUNDATEC
Orgão: Pref. Farroupilha-RS
Disciplina: Engenharia Elétrica
Banca: FUNDATEC
Orgão: Pref. Farroupilha-RS
Provas:
Um técnico necessita medir em campo a potência consumida por uma máquina CA
monofásica, ligada adequadamente à instalação elétrica. De posse de um multímetro e de demais
ferramentas e materiais, o técnico deve:
Provas
Questão presente nas seguintes provas
2632783
Ano: 2023
Disciplina: Engenharia Elétrica
Banca: FUNDATEC
Orgão: Pref. Farroupilha-RS
Disciplina: Engenharia Elétrica
Banca: FUNDATEC
Orgão: Pref. Farroupilha-RS
Provas:
Um arquiteto responsável pela reforma de uma academia de esportes na capital
encomendou um projeto elétrico em substituição às instalações elétricas antigas. Observe que o prédio
recebe duas fases pela concessionária, assim, todo o sistema poderá ser monofásico (127V) ou bifásico
(220V). O projeto arquitetônico atual consiste em dois vestiários, cada um com: 4 chuveiros elétricos
de 6000W (bifásico), duas torneiras de água quente de 4400W (bifásico) 4 luminárias de 120W cada
e 4 tomadas de 100W simples. A alternativa mais adequada para o projeto inicial do quadro de
distribuição será:
Provas
Questão presente nas seguintes provas
2632782
Ano: 2023
Disciplina: Engenharia Elétrica
Banca: FUNDATEC
Orgão: Pref. Farroupilha-RS
Disciplina: Engenharia Elétrica
Banca: FUNDATEC
Orgão: Pref. Farroupilha-RS
Provas:
Uma ordem de serviço solicita o comparecimento de um técnico para instalação de
um motor CA. Ao chegar ao local, as informações que constam na parte externa do motor dizem que
se trata de um motor CA trifásico, com a recomendação de utilizar partida estrela-triângulo
(informando tempo mínimo de partida), em sua operação de acionamento. Sobre essa situação,
assinale a alternativa correta.
Provas
Questão presente nas seguintes provas
2632781
Ano: 2023
Disciplina: Engenharia Elétrica
Banca: FUNDATEC
Orgão: Pref. Farroupilha-RS
Disciplina: Engenharia Elétrica
Banca: FUNDATEC
Orgão: Pref. Farroupilha-RS
Provas:
A figura abaixo representa o circuito de iluminação de um auditório e sua antessala,
onde estão instaladas quatro luminárias a LED de 120W. Sobre isso, assinale a alternativa correta.


Provas
Questão presente nas seguintes provas
2632780
Ano: 2023
Disciplina: Engenharia Elétrica
Banca: FUNDATEC
Orgão: Pref. Farroupilha-RS
Disciplina: Engenharia Elétrica
Banca: FUNDATEC
Orgão: Pref. Farroupilha-RS
Provas:
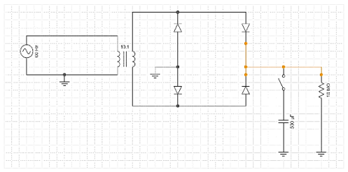
Observando o circuito da figura abaixo, pode-se afirmar que se trata de um:


Provas
Questão presente nas seguintes provas
2632779
Ano: 2023
Disciplina: Engenharia Elétrica
Banca: FUNDATEC
Orgão: Pref. Farroupilha-RS
Disciplina: Engenharia Elétrica
Banca: FUNDATEC
Orgão: Pref. Farroupilha-RS
Provas:
A figura abaixo apresenta um circuito que será montado em bancada para realização
de medições elétricas. Observando a disposição dos instrumentos de medição, pode-se afirmar que:


Provas
Questão presente nas seguintes provas
2632778
Ano: 2023
Disciplina: Engenharia Elétrica
Banca: FUNDATEC
Orgão: Pref. Farroupilha-RS
Disciplina: Engenharia Elétrica
Banca: FUNDATEC
Orgão: Pref. Farroupilha-RS
Provas:
Analise a figura abaixo e assinale a alternativa correta.


Provas
Questão presente nas seguintes provas
Cadernos
Caderno Container