Foram encontradas 997 questões.
927569
Ano: 2016
Disciplina: Contabilidade Pública
Banca: BIO-RIO
Orgão: Pref. Barra Mansa-RJ
Disciplina: Contabilidade Pública
Banca: BIO-RIO
Orgão: Pref. Barra Mansa-RJ
Provas:
As regras e procedimentos estabelecidos para a contabilidade do setor público permitiu controles e conceitos para a área e o próprio processo de evolução das finanças públicas. Assim, marque a opção INCORRETA em referência à contabilidade pública:
Provas
Questão presente nas seguintes provas
927535
Ano: 2016
Disciplina: Legislação de Trânsito
Banca: BIO-RIO
Orgão: Pref. Barra Mansa-RJ
Disciplina: Legislação de Trânsito
Banca: BIO-RIO
Orgão: Pref. Barra Mansa-RJ
Provas:
Identifique o bloco de placas a seguir, respectivamente:

Provas
Questão presente nas seguintes provas
Na compra de uma mesa com seis cadeiras, paguei por elas R$ 964,00. Dei 30% à vista e o restante parcelei em 4 prestações, sendo cada prestação no valor de:
Provas
Questão presente nas seguintes provas
Assinale a opção INCORRETA:
Provas
Questão presente nas seguintes provas
Dois prédios, numa mesma base plana, um com 10 m de altura e outro com 16 m de altura, estão a 8 m de distância um do outro. A distância entre os pontos mais altos desses prédios é de:
Provas
Questão presente nas seguintes provas
O símbolo representado na figura refere-se a:

Provas
Questão presente nas seguintes provas
As estruturas podem ser hipoestáticas, isostáticas e hiperestáticas. O grau de hiperestaticidade de uma estrutura é igual
Provas
Questão presente nas seguintes provas
Na sequência lógica \( { \large 25 \over 8}, { \large 5 \over 4}, { \large 1 \over 2}, { \large 1 \over 5 }, { \large 2 \over 25} \),..., o sexto termo é igual a:
Provas
Questão presente nas seguintes provas
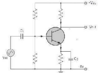
923115
Ano: 2016
Disciplina: Engenharia Eletrônica
Banca: BIO-RIO
Orgão: Pref. Barra Mansa-RJ
Disciplina: Engenharia Eletrônica
Banca: BIO-RIO
Orgão: Pref. Barra Mansa-RJ
Provas:
Observe o circuito da figura e analise as afirmativas:

I. Trata-se de amplificador emissor comum.
II. A função do capacitor C1 é acoplar a componente DC presente em \( Vin \).
III. Sendo \( Vin= V sen ω t \) temos \( V_o = \beta \times V (sen ω t + \pi / 2 ) \)
Assinale a opção VERDADEIRA:
Provas
Questão presente nas seguintes provas
Um circuito tem uma fonte com um sinal senoidal de v(t) = 10 . sen (20\( \pi \)t + 60º) volts. Analise as proposições a seguir:
I. O valor eficaz da tensão é aproximadamente 7,1 volts
II. O valor de pico a pico da tensão é 10 volts
III. A frequência é 10 Hz
IV. Asenoide da figura 4 representa este sinal

Estão CORRETAS as proposições:
Provas
Questão presente nas seguintes provas
Cadernos
Caderno Container