Foram encontradas 950 questões.
Um navio da Marinha do Brasil está realizando um levantamento hidrográfico ao longo da linha do Equador, a 50 milhas náuticas da costa do Amapá. Assinale a opção que indica os números que podem ser utilizados pelo navio para indicar sua longitude no grupo QcLoLoLoLo do código SHIP.
Provas
De acordo com a Constituição Federal de 1988, assinale a opção que apresenta uma das principais características da lei de diretrizes orçamentárias .
Provas
De acordo com as Diretrizes para a presunção de autenticidade de documentos arquivísticos digitais(2012),a presunção de autenticidade de tais documentos baseia-se na existência da:
Provas
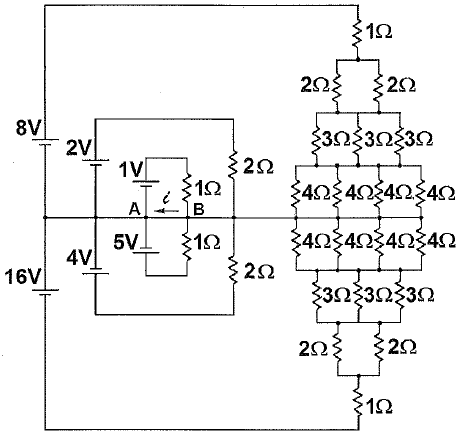
Observe o circuito elétrico abaixo.

A intensidade da corrente elétrica i, que flui do nó B para o nó A, em Amperes, vale:
Provas
Um dos princípios da Orientação Educacional (OE) consiste em ver o aluno como um ser global que deve desenvolver-se equilibradamente em todos os aspectos: físico, mental, emocional, social, moral, estético, político, educacional e vocacional. A fim de que esse princípio seja evidenciado, Lück (2011) registra que o Plano de Ação de Orientação Educacional deve
Provas
Assinale a opção que apresenta o filósofo que criticou o absolutismo, elaborou os fundamentos da doutrina liberal e centralizou os interesses pedagógicos no aluno e não mais no professor.
Provas
Observe a tabela a seguir.
| 2003 | 2013 | |
| Vendas(unidades) | 580 | 435 |
| Preço (R$/unid.) | 0,80 | 1,44 |
O proprietário de uma loja de CD/DVD novos para gravação, adquirida em 2003, deseja comparar as vendas e preços em 2013 com as vendas e preços do ano em que adquiriu o estabelecimento. Os dados da tabela acima representam os valores para a primeira semana de junho dos respectivos anos.
Utilizando o ano de 2003 como base, o índice de preço, o índice de quantidade e o índice de valor para esses dados são, respectivamente:
Provas
Gabarrón e Landa, in BRANDÃO, "Pesquisa participante: o saber da partilha" (2ª edição), afirmam que os conceitos básicos da pesquisa participante e seus princípios fundamentais provêm de paradigmas, teorias, disciplinas e experiências práticas diferentes. Nesse contexto, assinale a opção que NÃO está relacionada aos paradigmas precursores da pesquisa participante, conforme destacado pelos autores.
Provas
Dois capitais fora aplicados por quatro anos, com a mesma taxa de juros de 5% ao ano. Um capital foi aplicado no regime de juros simples e o outro no regime de juros compostos. Assinale a opção que apresenta o valor da diferença dos valores dos capitais aplicados, sabendo que eles produzem montantes iguais a $ 24.000,00, no final dos quatros anos e assumindo o ano comercial com 360 dias.
Provas
Analise a tabela abaixo.

Esta tabela apresenta pequenas amostras dos volumes de latas de suco que foram retiradas, em intervalos de tempo regulares, durante o processo de produção. Tendo em vista essas informações, calcule o estimador do desvio padrão do processo baseado na amplitude amostral e assinale a opção correta.
Provas
Caderno Container