Foram encontradas 750 questões.
Qual é o volume, em m3, do sólido de revolução obtido ao girar a região !$ R = \left\{ (x,y) \in \mathfrak{R}^2 / \sqrt{x} \le y \le 1\ e\ 0 \le x \le 1 \right\} !$ em torno da reta y=0?
Provas
Sabe-se que, numa determinada região do Hemisfério Sul, as isóbaras estão orientadas no sentido leste-oeste, e que o espaçamento entre as isóbaras adjacentes é de 200 km. Considere que a diferença de pressão entre as isóbaras é de 4 hPa, sendo que a pressão atmosférica aumenta em direção ao norte. Sendo assim, calcule as componentes zonal (ug) e meridional (vg) do vento geostrófico, e assinale a opção correta.
Dados:
módulo do parâmetro de
Coriolis = 10-4s-1
densidade= 1 kg/m3
Provas
Sabendo que o segundo e o terceiro momentos centrados na média de uma distribuição são, respectivamente, 16 e -12,8, determine o coeficiente do momento de assimetria, e assinale a opção correta.
Provas
Segundo o Dicionário Brasileiro de Terminologia Arquivística (2005), a prevenção da deterioração e danos em documentos, por meio de adequado controle ambiental e/ou tratamento físico e/ou químico é denominada
Provas
Em relação às distribuições amostrais, analise as afirmativas abaixo.
I - Quando se extraem repetidas amostras da mesma população, por causa de fatores casuais relacionados à amostragem, há uma tendência da estatística amostral variar de uma amostra para outra, mas não em relação ao verdadeiro valor do parâmetro.
II - As estatísticas amostrais não são necessariamente iguais ao parâmetro populacional. Quando a amostragem é aleatória, há uma elevada probabilidade de que a estatística amostral se aproxime do parâmetro populacional.
III- Na medida em que o tamanho da amostra aumenta, a distribuição dos resultados amostrais tende para a forma da distribuição normal. A razão segundo a qual adistribuição amostral tende para a normalidade depende de quão simétrica a população é.
IV - As distribuições amostrais são distribuições de probabilidade para estatísticas amostrais.
Assinale a opção correta.
Provas
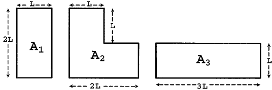
Analise a figura abaixo.

Três placas metálicas retangulares feitas do mesmo material possuem áreas A1, A2 e A3, cujas dimensões estão indicadas na figura acima. Considerando que elas sofrem um aumento de temperatura de mesmo valor, pode-se afirmar que o aumento das áreas das placas, !$ \triangle\,A_1, \triangle\,A_2,\,e\,\triangle\,A_3 !$ se relacionam por:
Provas
Se um assistente social, com especialização em Terapia de Família, for contratado por uma associação de moradores financiada pelo tráfico de drogas para desenvolver um trabalho com as famílias de uma comunidade do Rio de Janeiro, com outros profissionais de diversas áreas, pode-se afirmar que, com base no Código de Ética, a situação do contrato será
Provas
Analise a figura abaixo.

Um cabo isolante, muito fino e carregado com uniformemente distribuída em seu comprimento de 1,0m, ao longo do eixo x, na posição indicada na figura carga +Q está fixo acima. Sabendo que uma partícula de razão !$ \mathbf{ { \large carga \over massa} = 2.10^S C/Kg} !$ e abandonada em !$ \mathbf{t=0} !$, na posição 1,5m sobre o eixo x, qual será o módulo (em m/s2), a direção e o sentido da aceleração que a partícula sofrerá em !$ \mathbf{t=0} !$?
Dado:
constante elétrica = !$ 9.10^9(N.m^2)/C^2 !$
Provas
Segundo May (2009), qual é o ponto central do problema da personalidade?
Provas
O Ponto de Equilíbrio, também denominado Ponto de Ruptura (BREAK-EVEN POINT), nasce da conjunção dos Custos e Despesas quando a soma das Margens de Contribuição totalizar o montante suficiente para cobrir todos os Custos e Despesas e Fixos é o:
Provas
Caderno Container