Foram encontradas 400 questões.

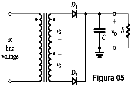
O circuito da figura 05 é um retificador de onda completa com tap central e capacitor de filtragem. Ele deve operar em uma rede elétrica de 60 Hz, fornecendo uma tensão média à carga R de 12 V, com um ripple de 1,0 Vpp (volt pico-a-pico), quando a carga consumir uma corrente média de 1A. Para atender a essa especificação, qual deve ser o valor
aproximado do capacitor C?
aproximado do capacitor C?
Provas
Questão presente nas seguintes provas
Nos sistemas hidráulicos, encontramos várias características que os tornam interessantes para determinadas aplicações. Seguem abaixo algumas características:
I. Componentes lubrificados pelo próprio fluido;
II. Segurança eficaz contra sobrecargas através do uso de válvulas limitadoras de pressão, evitando danos ao sistema;
III. O trabalho realizado é insensível às oscilações da temperatura. Isto garante, também em situações térmicas extremas, um funcionamento seguro.
Está(ão) correta(s) a(s) característica(s) de sistemas hidráulicos
Provas
Questão presente nas seguintes provas
Observe a figura 9 para responder a questão.

Figura 9
Sobre o diagrama de Bode representado na figura 9, é correto dizer que
Provas
Questão presente nas seguintes provas
O valor máximo da função real
!$ f(x) = \begin{cases} -x^2 + 8x\,\,\mbox{para}\,\,x\le\,3\\21 - 2x\,\,\mbox{para}\,\,x\,>\,3 \end{cases} !$ é
Provas
Questão presente nas seguintes provas
Considere as afirmativas, referentes a circuitos elétricos.
I. Uma fonte real de tensão vai apresentar uma variação da tensão presente nos seus terminais de acordo com a corrente que seja demandada pela carga.
II. Aplicando-se o teorema da superposição, pode-se determinar a potência dissipada por uma resistência pela soma das contribuições individuais de potência para essa resistência, determinada por cada fonte individualmente.
III. A condição de máxima transferência de potência é observada quando a resistência de carga de um circuito é igual à resistência de Norton do mesmo.
IV. Uma fonte ideal de tensão vai apresentar uma variação da tensão presente nos seus terminais de acordo com a corrente que seja demandada pela carga.
Estão corretas apenas as afirmativas
Provas
Questão presente nas seguintes provas

O circuito da figura 01 representa o modelo linear de um amplificador de tensão, com sua entrada ligada a uma fonte de sinal (vf) e sua saída ligada a uma carga (RL). Considerando-se que RL= 8Ω e RO= 2Ω, qual é o percentual da potência fornecida pelo amplificador que é entregue à carga?
Provas
Questão presente nas seguintes provas
Se 50 cm3 de ácido acético 0,1M (Ka=1,8 x 10-5) são titulados com NaOH 0,1M, qual é o pH após a adição de 25mL de NaOH?
Provas
Questão presente nas seguintes provas
Numa determinada hora do dia uma pessoa em pé, de 1,80 metros de altura, verifica que a sua sombra tem 1,20 metros de comprimento. Nesse mesmo instante, qual será o comprimento da sombra de uma casa de 4,5 metros de altura?
Provas
Questão presente nas seguintes provas
Um filtro passa- banda tem uma frequência central de 1 kHz e uma largura de banda de 100 Hz. Quais são as frequências de corte superior e inferior, respectivamente?
Provas
Questão presente nas seguintes provas
O circuito mostrado na figura 08 deve ser utilizado para solucionar a questão.

Considerando o circuito, determine qual deve ser o valor da impedância ZL, de modo que se tenha a máxima transferência de potência para a carga.
Provas
Questão presente nas seguintes provas
Cadernos
Caderno Container