Magna Concursos

Foram encontradas 200 questões.

1374101 Ano: 2008
Disciplina: Educação Física
Banca: IF-SUL
Orgão: IF-SUL
Em todas as provas realizadas em raias marcadas, cada competidor deverá manter-se em sua raia do início ao fim da prova. NÃO será considerada infração se um competidor
I. for empurrado ou forçado por outro atleta a correr fora de sua raia, sem levar nenhuma vantagem.
II. corre fora de sua raia, na reta, e não obtém nenhuma vantagem material.
III. corre fora da linha externa de sua raia na curva, sem levar vantagem e sem prejudicar o adversário.
Estão corretas as afirmativas
 

Provas

Questão presente nas seguintes provas
1373928 Ano: 2008
Disciplina: Engenharia Eletrônica
Banca: IF-SUL
Orgão: IF-SUL
Um circuito RLC, alimentado em corrente alternada está ressonante quando a corrente:
 

Provas

Questão presente nas seguintes provas
1373481 Ano: 2008
Disciplina: Engenharia Eletrônica
Banca: IF-SUL
Orgão: IF-SUL
O gráfico abaixo representa a tensão sobre um capacitor em um circuito RC, alimentado por tensão corrente contínua.
Enunciado 1373481-1
Sabendo-se que o valor de R é 20 k!$ \Omega !$, o valor de C é
 

Provas

Questão presente nas seguintes provas
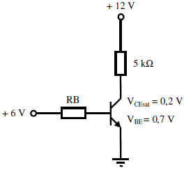
1372725 Ano: 2008
Disciplina: Engenharia Eletrônica
Banca: IF-SUL
Orgão: IF-SUL
Observe o circuito abaixo.
Enunciado 1372725-1
O valor de RB que resulta na saturação com um !$ \beta !$ de saturação igual a 20 é, aproximadamente,
 

Provas

Questão presente nas seguintes provas
1372651 Ano: 2008
Disciplina: Geografia
Banca: IF-SUL
Orgão: IF-SUL
Provas:
A questão ambiental, fundamentalmente para qualquer plano de desenvolvimento, começou a ganhar destaque nos meios de comunicação por volta de 1960.
Que evento foi o primeiro a tratar o relacionamento entre os conceitos de conservação ambiental e desenvolvimento industrial, discutindo os efeitos causados pela falta de desenvolvimento, quando surgiram as idéias de “poluição da pobreza e ecodesenvolvimento”?
 

Provas

Questão presente nas seguintes provas
1372486 Ano: 2008
Disciplina: Engenharia Mecânica
Banca: IF-SUL
Orgão: IF-SUL
Provas:
Sendo dado um eixo de diâmetro 24 mm, calcule o lado de um quadrado inscrito e a profundidade de corte necessária para a sua usinagem.
Qual o resultado obtido?
 

Provas

Questão presente nas seguintes provas
1371964 Ano: 2008
Disciplina: Engenharia Mecânica
Banca: IF-SUL
Orgão: IF-SUL
Provas:
A propriedade de um óleo lubrificante, que indica a temperatura máxima na qual esse óleo pode ser utilizado denomina-se
 

Provas

Questão presente nas seguintes provas
1371798 Ano: 2008
Disciplina: Engenharia Elétrica
Banca: IF-SUL
Orgão: IF-SUL
Observe a figura e a tabela abaixo
Enunciado 1371798-1
Característica B x H – Ferro Forjado e Aço Fundido
B(T) 0,1 0,2 0,3 0,4 0,5 0,6 0,7 0,8 0,9 1,0 1,1 1,2 1,3 1,4 1,5 1,6 1,7
H (Ae/m) 0 70 90 100 120 140 170 220 270 320 400 500 620 850 1200 2000 3500
Sendo o toróide de secção transversal quadrada com 2350 espiras, raio interno de 9 cm e externo de 14 cm e núcleo de Ferro Forjado e Aço fundido .
Qual deve ser a indução e o fluxo para uma corrente de 0,25 A no ponto médio do núcleo?
 

Provas

Questão presente nas seguintes provas
695310 Ano: 2008
Disciplina: Educação Física
Banca: IF-SUL
Orgão: IF-SUL
Em geral, a redistribuição do fluxo sangüíneo durante o exercício físico
 

Provas

Questão presente nas seguintes provas
695309 Ano: 2008
Disciplina: Desenho Técnico e Industrial
Banca: IF-SUL
Orgão: IF-SUL
Provas:
A representação gráfica no desenho da característica do elemento, através de linhas, símbolos, notas e valor numérico numa unidade de medida é denominada
 

Provas

Questão presente nas seguintes provas