Foram encontradas 40 questões.
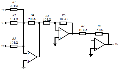
Observe o circuito abaixo.

A tensão de saída, considerando os amplificadores operacionais ideais, é dada por
Provas
Questão presente nas seguintes provas
Observe o circuito abaixo.

Os valores do resistor R6 e da corrente I5 valem, respectivamente,
Provas
Questão presente nas seguintes provas
Observe o circuito abaixo e o Mapa de Karnaugh.

A porta lógica que completa o circuito digital é
Provas
Questão presente nas seguintes provas
Observe o circuito RLC paralelo na figura abaixo

As correntes parciais para uma freqüência de 60Hz valem, respectivamente:
Provas
Questão presente nas seguintes provas
Observe o sistema abaixo.

A matriz de transferência entre a saída e as entradas é dada por
Provas
Questão presente nas seguintes provas
Observe o sistema abaixo.

A região de valores de K para haver estabilidade é dada por
Provas
Questão presente nas seguintes provas
Em uma instalação elétrica se obteve com o Wattímetro 6 kW e com o Varímetro 8 kVar. O que significa e qual será o valor do fator de potência dessa instalação?
Provas
Questão presente nas seguintes provas
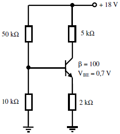
Observe o circuito abaixo.

Assumindo a operação no modo ativo, os valores das correntes do circuito são
Provas
Questão presente nas seguintes provas
Considere a função rampa abaixo, onde A é uma constante:
!$ f \, (t) \, = \, 0 \,\,\,\,\, para \,\, t \, < \, 0 !$
!$ f \, (t) \, = \, A \, . \, t \,\,\,\,\, para \,\, t \, \ge \, 0 !$
A transformada de Laplace da função rampa é dada por
Provas
Questão presente nas seguintes provas
Um dado microprocessador possui 20 pinos de endereços (A0-A19).
Quantos algarismos hexadecimais são necessários para representar qualquer endereço fornecido por esse microprocessador?
Provas
Questão presente nas seguintes provas
Cadernos
Caderno Container