Foram encontradas 160 questões.
O catálogo do fabricante informa que um motor de indução monofásico de ¾ cv, 3530 rpm, tem a corrente nominal de 5,0 A, quando alimentado em 220 V. Sabendo-se que o rendimento do motor é 70 %, a sua corrente sob torque nominal, quando ligado em 127 V será de
Provas
Questão presente nas seguintes provas
No que depende das características do circuito alimentador e do motor de indução trifásico (MIT) de nove terminais, para usar a chave série-paralelo, é correto afirmar que a tensão do circuito alimentador deve ser igual
Provas
Questão presente nas seguintes provas
Sendo !$ A=\lim_{x \rightarrow \infty} \dfrac{3x-7}{\sqrt{2x^2+3}} !$ e !$ B=\lim_{x \rightarrow 0} \dfrac{\sqrt{x+2}-\sqrt{2}}{x} !$ é correto afirmar que o produto do valor de A pelo valor de B é
Provas
Questão presente nas seguintes provas
Um barramento de cobre com 1,5 m está colocado no ar paralelamente a outro de mesmo comprimento, havendo um afastamento de 15 cm entre eles. Num dado instante, um deles é percorrido por uma corrente de 30 kA e o segundo por uma corrente de 800 A. A força que age sobre cada um dos barramentos é
Provas
Questão presente nas seguintes provas
Sobre a resistência de isolação de transformadores e de motores elétricos, é correto afirmar que
Provas
Questão presente nas seguintes provas
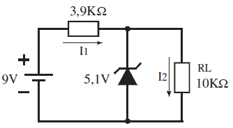
Observe o seguinte circuito.

No circuito, as correntes I1 e I2 são, respectivamente,
Provas
Questão presente nas seguintes provas
Dois automóveis A1 e A2 partem simultaneamente do repouso, ambos em movimento progressivo sobre o eixo OX. O gráfico abaixo representa a diferença entre as posições (x1-x2), sendo x1 a posição de A1 e x2 a posição de A2 em função do tempo.

Com base nesse gráfico, é correto afirmar que o automóvel A1
Provas
Questão presente nas seguintes provas
Considere que !$ A=\dfrac{2sen(x+\dfrac{\pi}{4})cos(x-\dfrac{\pi}{4})}{1+sen(2x} !$. Simplificando, obtemos
Provas
Questão presente nas seguintes provas
Sejam os vetores !$ \vec{w} !$ = (–10, 10, –4), !$ \vec{u} !$ = (–4, 0, 1), !$ \vec{v} !$ = (0, –3, 2) e !$ \vec{r} !$ = (2, –1,0). Se os números reais a1, a2 e a3 são tais que !$ vec{w} !$= a1 !$ \vec{u} !$ + a2 !$ \vec{v} !$ + a3 !$ \vec{r} !$ , então a soma a1 + a2 + a3 vale
Provas
Questão presente nas seguintes provas
Seja S o subespaço de R4 gerado pelos seguintes vetores: !$ \vec{u} !$ = (1,2,1,–3), !$ \vec{v} !$ = (2,5, –1,4), !$ \vec{w} !$ = (2,4,2,–6) e !$ \vec{r} !$ = (3,7,0,1). A dimensão de S é
Provas
Questão presente nas seguintes provas
Cadernos
Caderno Container