Foram encontradas 1.600 questões.
Dada a reta r, de coeficiente angular !$ m \, = \, { \large 4 \over 3}, !$ que passa por (1,0) e é tangente à circunferência !$ \lambda !$ de centro em (-2, 1). Dessa forma, a área da região limitada por !$ \lambda !$ vale
Provas
Questão presente nas seguintes provas
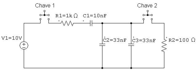
Observe o circuito abaixo.

Considere a sequência de procedimentos.
I. Chave 1 e 2 abertas e capacitores descarregados;
II. Chave 2 aberta e chave 1 fechada até o tempo equivalente a uma constante de tempo (τ) do circuito formado (R1,C1,C2,C3);
III. Chave 1 aberta e chave 2 fechada.
Qual é o valor da tensão sobre o resistor R2 no instante em que a chave 2 é fechada?
Provas
Questão presente nas seguintes provas
É correto afirmar que alguns ensaios de tipo, executados somente no protótipo de uma série de transformadores de energia elétrica, são
Provas
Questão presente nas seguintes provas
Quando se afirma que a perda em termos de desperdício de um determinado material foi de 20%, isto significa que houve
Provas
Questão presente nas seguintes provas
O símbolo abaixo indica o estado de superfície em desenhos técnicos. A sequência de letras que indicam respectivamente: o método de fabricação, tratamento ou revestimento; o comprimento da amostra, em mm; o valor da rugosidade, em !$ \mu !$m; o sobremetal para usinagem em mm e a direção das estrias é a

Provas
Questão presente nas seguintes provas
Os seres humanos criam e recriam a sua existência pela
Provas
Questão presente nas seguintes provas
Analise as seguintes afirmações quanto às lâmpadas elétricas.
I. A lâmpada fluorescente é uma lâmpada que utiliza a descarga elétrica através de um gás para produzir energia luminosa.
II. A lâmpada a Vapor de Mercúrio exige um reator cujas finalidades são fornecer a tensão necessária na partida e limitar a corrente normal de operação.
III. As lâmpadas a Vapor Metálico apresentam alta eficiência, baixo índice de reprodução de cor, baixa depreciação, vida longa e alta confiabilidade.
Estão corretas as afirmativas
Provas
Questão presente nas seguintes provas
Analise as afirmações sobre dispositivos utilizados em instalações elétricas.
I. Quando um dispositivo DR for incorporado ou associado a um dispositivo de proteção contra sobrecorrentes, as características do conjunto de dispositivos devem satisfazer as prescrições da “proteção contra sobrecorrentes de sobrecarga” e “proteção contra correntes de curto-circuito”.
II. Quando dois ou mais dispositivos de proteção forem colocados em série e quando a segurança ou as necessidades de utilização o justifiquem, suas características de funcionamento devem ser escolhidas de forma a somente seccionar parte da instalação onde ocorreu a falta.
III. O terminal de entrada dos limitadores de sobretensões deve ser ligado a um condutor vivo da instalação no ponto desejado, sempre a montante dos dispositivos de seccionamento.
Estão corretas as afirmativas
Provas
Questão presente nas seguintes provas
int func(int n)
{
int r;
if (n == 1) return (1);
r = func(n-1) * n;
return(r);
}
Considerando conceitos de uma função recursiva na linguagem C descrito acima, a alternativa correta a respeito do funcionamento do fragmento de código é
Provas
Questão presente nas seguintes provas
De acordo com os seguintes dados, qual o número de luminárias adequado para iluminar um escritório de acordo com a NBR 5413/1992 e o método dos lumens?
!$ \bullet !$ peso dos fatores determinantes da iluminância igual a zero;
!$ \bullet !$ área igual a 50 m2;
!$ \bullet !$ iluminâncias mínima, média e máxima igual a 500, 750 e 1000 lux, respectivamente;
!$ \bullet !$ fator de depreciação de serviço das luminárias igual a 0,7;
!$ \bullet !$ fator de utilização do recinto igual a 0,6;
!$ \bullet !$ índice do local igual a 1,8.
cada luminária (iluminação direta) tem 2 lâmpadas fluorescentes (3000 lúmens cada uma).
Provas
Questão presente nas seguintes provas
Cadernos
Caderno Container