Foram encontradas 213 questões.
Considerando os conceitos da Administração de acordo com Chiavenato (2002), preencha com (V) verdadeiro ou (F) falso:
( ) ATITUDE significa um comportamento pessoal frente a situações com que a pessoa se defronta em seu trabalho. A atitude compreende a maneira pessoal de se fazer as coisas.
( ) EMPREGABILIDADE é a capacidade que uma pessoa tem de ter coragem em assumir riscos para aproveitar oportunidades em situações onde outras pessoas veriam apenas problemas ou ameaças.
( ) EFICIÊNCIA significa fazer bem e corretamente. O trabalho eficiente é um trabalho bem executado.
( ) GLOBALIZAÇÃO significa a internacionalização dos negócios e do sistema produtivo e financeiro, fazendo com que o ambiente organizacional se torne imenso, complexo, mutável e incerto.
( ) HABILIDADE significa todo o acervo de informações, conceitos, idéias, experiências, aprendizagens que as pessoas possuem a respeito de suas especialidades.
A seqüência CORRETA de marcação, de cima para baixo, é:
Provas
A empresa Alfa Tecnologia exige um limite de 2 anos e meio para recuperação de qualquer investimento. No momento existe a proposta de dois novos projetos X e Y. Diante disto, analise as informações a seguir e assinale a alternativa CORRETA:
| Ano | Fluxos de caixa X | Fluxos de caixa Y |
| 0 | R$ –25.000,00 | R$ –72.000,00 |
| 1 | R$ 16.000,00 | R$ 30.000,00 |
| 2 | R$ 16.000,00 | R$ 30.000,00 |
| 3 | R$ 3.000,00 | R$ 15.000,00 |
| 5 | R$ 3.000,00 | R$ 200.000,00 |
Provas
- Lei de Responsabilidade FiscalTransparência, Controle e Fiscalização (arts. 48 ao 59)RREO: Relatório Resumido da Execução Orçamentária (arts. 52 e 53)
Com relação ao Relatório Resumido da Execução Orçamentária é CORRETO afirmar que:
Provas
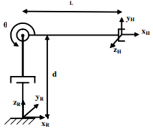
Dado o manipulador planar PR, qual das matrizes de transformação abaixo representa corretamente sua cinemática direta?

Provas
- Análise de Vulnerabilidades
- Ataques e Golpes e AmeaçasDoS: Denial of Service
- Ataques e Golpes e AmeaçasMalwaresSpyware
- Ataques e Golpes e AmeaçasSpoofing
Sobre as técnicas e ferramentas utilizadas pelos hackers para invadirem computadores, numere corretamente a coluna da direita de acordo com a da esquerda:
(1) Termo utilizado para a atividade realizada pelo hacker, que consiste em levantar o máximo de informações possíveis sobre o alvo.
(2) São ferramentas que realizam uma varredura na rede e analisam as principais portas e serviços, procurando por vulnerabilidades que possam comprometer a segurança do local.
(3) Ferramentas que capturam, armazenam e analisam pacotes que trafegam pela rede.
(4) Técnica que consiste em enviar uma requisição de conexão TCP(SYN) para um computador alvo onde a origem do endereço IP é substituída por um endereço que não está em uso na Internet, ou que pertence a outro computador.
(5) Estes ataques são muito usados porque eles podem temporariamente deixar uma máquina desligada ou travada, e dependendo de qual máquina, até sua rede inteira.
( ) Sniffers
( ) Footprinting
( ) Scanners
( ) Denial of Service
( ) Spoofing
A ordem CORRETA de associação, de cima para baixo, é:
Provas
Disciplina: TI - Organização e Arquitetura dos Computadores
Banca: IF-SC
Orgão: IF-SC
Os processadores, em geral, são os componentes que geram mais calor em um computador e necessitam de mais cuidados em relação à refrigeração. Considere as seguintes assertivas sobre os problemas gerados, quando o processador trabalha em uma temperatura mais elevada que a máxima recomendada pelo fabricante:
(I) O computador funciona bem enquanto está frio, mas depois de alguns minutos os problemas começam a aparecer, na forma de erros ou travamentos.
(II) Um processador dura muitos anos, até mesmo décadas, mas pode durar apenas um ou dois anos, talvez menos, quando trabalha em temperaturas muito elevadas.
(III) O processador esquenta tanto que pode queimar definitivamente, ficando parcialmente inoperante.
(IV) O computador pode apresentar travamentos e erros diversos durante o seu uso normal.
Sobre as assertivas, pode-se afirmar que:
Provas
Moacir Gadotti (2006), num estudo sobre a concepção dialética da educação faz referência ao marxismo para pensar os contextos educacionais. Segundo ele, Marx e Engels, preocupados com as estratégias da educação sob o capitalismo propuseram três grandes princípios para a integração do ensino e do trabalho. Qual alternativa corresponde a esses três princípios:
Provas
“A reflexão coletiva leva à leitura crítica do fracasso escolar em suas consequências sociais e à responsabilidade da escola na construção/superação deste fracasso” (GARCIA, 1992, p.60). Em relação a temática do sucesso/fracasso escolar, considere as afirmações:
I. Os valores presentes no currículo oculto (gênero, competição, consumismo, ideologias, individualismos), sutis, porém educativos e formadores de personalidades, consistem em questões pertinentes para pensarmos o sucesso escolar.
II. Os conteúdos selecionados para o currículo escolar, privilegiando o saber sistematizado e desqualificando o saber empírico do aluno, representam um convite ao fracasso escolar e social de uma grande parcela da população desfavorecida econômica e culturalmente.
III. Superar o fracasso escolar exige uma competência docente/pedagógica coletiva.
IV. É necessário pensar o processo de ensino e de aprendizagem sob a lógica do devir e não centrado no erro e acerto.
V. Reduzir os índices de fracasso escolar e de evasão pressupõe que a escola retome seu próprio campo de conhecimento, na teoria e na sala de aula (resgatar para o espaço pedagógico escolar a responsabilidade e as soluções para os problemas educacionais).
VI. A formação crítica e consistente dos profissionais da educação, vinculada à realidade e ao saber-fazer pedagógico consiste em uma ação urgente a ser implementada nas instituições educativas.
VII. É necessário redefinição do planejamento do ano letivo, adequação dos currículos e das metodologias de ensino, enfim, é preciso repensar o processo de ensino e de aprendizagem.
Assinale a alternativa CORRETA:
Provas
Ainda com base na Lei 9.784, assinale V ou F conforme considerar verdadeiras ou falsas as afirmativas a seguir:
( ) Nos processos administrativos serão observados, entre outros, os critérios de: atuação conforme a lei e o Direito; sigilo; interpretação da norma administrativa da forma a garantir o atendimento do interesse da Administração.
( ) O processo administrativo inicia-se sempre a pedido do interessado por meio de requerimento inicial formulado por escrito.
( ) É impedido de atuar em processo administrativo o servidor que tenha interesse na matéria; tenha participado ou venha a participar como perito, testemunha ou representante; esteja litigando judicialmente ou administrativamente com o interessado ou respectivo cônjuge ou companheiro.
( ) Os atos do processo somente serão realizados em dias úteis, no horário normal de funcionamento da repartição na qual tramitar o processo. Devem realizar preferencialmente na sede do órgão, cientificando-se o interessado se for outro o local de realização.
( ) Inexistindo disposição específica, os atos do órgão ou autoridade responsável e dos administrados que dele participem devem ser praticados no prazo de cinco dias, salvo motivo de força maior.
Assinale a alternativa que corresponde à seqüência CORRETA, de cima para baixo:
Provas
Considere as afirmações o sistema de transmissão digital aberto adotado no País:
I. O Sistema Brasileiro de TV Digital Terrestre (SBTVD) é híbrido. Tem como base o sistema japonês, mas adotou os padrões MPEG-4 AVC, para codificação de vídeo, e MPEG-4 AAC para o áudio.
II. As emissoras poderão transmitir programação simultânea em qualidade padrão SDTV (Standard Definition Television). Mesmo em qualidade padrão SDTV, a transmissão digital é superior à analógica, por acabar com os fantasmas e chuviscos nas imagens, e por transmitir áudio com qualidade de CD.
III. Todos os atuais televisores de tubo, LCD e Plasma sem os conversores necessitam de um aparelho externo para sintonia dos novos canais digitais, os chamados conversores digitais.
Sobre as afirmações acima se pode dizer que:
Provas
Caderno Container