Foram encontradas 30 questões.
O diodo e o transistor da Figura 2 são ideais. X e Y são sinais digitais com 0 V como lógica 0 e +VCC como lógica 1. A expressão booleana para Z é dada por:

Figura 2 - Circuito com diodo e transistor
Provas
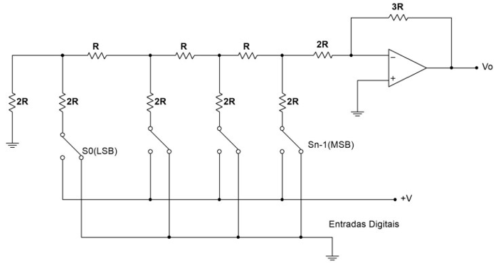
Os conversores A/D digitalizam sinais contínuos, enquanto os conversores D/A recriam sinais analógicos de entradas digitais. No conversor D/A da Figura 1, a constante +V no circuito da foi substituída por uma tensão de onda senoidal de baixa frequência de amplitude 5 V, sendo o conversor D/A de 8 bits.

Figura 1 - Conversor D/A R-2R para entrada digital de n bits
Qual será a saída de tensão Vo se a entrada digital for fixada em 00001000?
Provas
Contadores digitais são dispositivos eletrônicos usados para contar pulsos ou eventos, exibindo a contagem em formato binário ou decimal. O MSB de um contador MOD-16 produz uma onda quadrada de frequência de 1 kHz e o pulso de clock é uma onda quadrada simétrica. A frequência do clock é:
Provas
Provas
Provas
Provas
Com base no disposto na Lei nº 9.394/1996, que estabelece as diretrizes e bases da educação nacional, analise as seguintes assertivas:
I - A educação abrange os processos formativos que se desenvolvem na vida familiar, na convivência humana, no trabalho, nas instituições de ensino e pesquisa, nos movimentos sociais e organizações da sociedade civil e nas manifestações culturais.
II - A educação escolar deverá vincular-se ao mercado do trabalho e à prática esportiva e cultural da região em que a unidade escolar está inserida.
III - O calendário escolar deverá adequar-se às peculiaridades locais, inclusive climáticas e econômicas, a critério do respectivo sistema de ensino, podendo, nesse caso, reduzir o número de horas letivas previsto nesta Lei.
IV - A verificação do rendimento escolar observará, como um de seus critérios, a avaliação contínua, não-cumulativa do desempenho do aluno, com prevalência dos aspectos quantitativos sobre os qualitativos e dos resultados ao longo do período sobre os de eventuais provas finais.
V - O controle de frequência fica a cargo da escola, conforme o disposto no seu regimento e nas normas do respectivo sistema de ensino, exigida a frequência mínima de setenta e cinco por cento do total de horas letivas para aprovação.
Marque a alternativa que corresponda à sequência correta:
Provas
Provas
Provas
Provas
Caderno Container