Foram encontradas 225 questões.
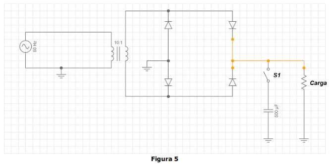
Observe o circuito da Figura 5, que se encontra incialmente descarregado e com a
chave S1 aberta e analise as assertivas abaixo: 
I. Trata-se de um circuito oscilador, aplicando sinal senoidal sobre a carga. II. Trata-se de um retificador de meia onda. III. A chave S1, quando fechada, irá reduzir o ripple de tensão sobre a carga. IV. Trata-se de um retificador de onda completa em ponte.
Quais estão corretas?

I. Trata-se de um circuito oscilador, aplicando sinal senoidal sobre a carga. II. Trata-se de um retificador de meia onda. III. A chave S1, quando fechada, irá reduzir o ripple de tensão sobre a carga. IV. Trata-se de um retificador de onda completa em ponte.
Quais estão corretas?
Provas
Questão presente nas seguintes provas
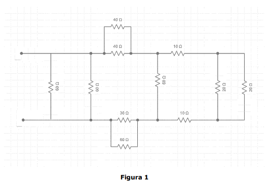
O circuito da Figura 3 é uma típica aplicação em eletrônica e utiliza um CI conhecido
há décadas.

Assinale a alternativa na qual consta a aplicação do circuito e a forma de onda de saída, ilustrada na Figura 4.

Assinale a alternativa na qual consta a aplicação do circuito e a forma de onda de saída, ilustrada na Figura 4.
Provas
Questão presente nas seguintes provas
Uma montagem feita em protoboard possui dois resistores ligados em paralelo:
• R1: Azul-Azul-Marrom – tolerância: dourado.
• R2: Laranja-Laranja-marrom - tolerância: dourado.
Por questões de espaço, tais resistores deverão ser substituídos pelo valor equivalente do paralelo, que então será:
Provas
Questão presente nas seguintes provas
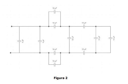
Determine o capacitor equivalente no circuito da Figura 2.

Provas
Questão presente nas seguintes provas
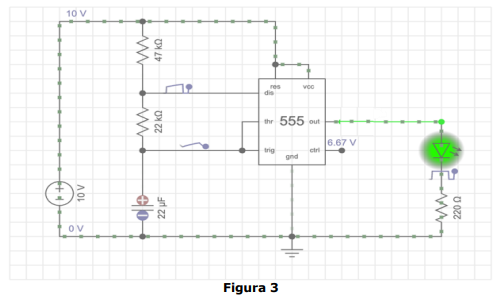
Determine a resistência equivalente no circuito da Figura 1.

Provas
Questão presente nas seguintes provas
Qual o valor aproximado da potência ativa consumida de um motor trifásico elétrico
que aciona um ventilador na tensão de 220 V e está consumindo 11.4 A? Considere um fator de
potência de 0,75.
Provas
Questão presente nas seguintes provas
De acordo com o Manual de Redação da Presidência da República (2018), o é a parte do documento no padrão ofício que é utilizado apenas na primeira página do
documento, centralizado na área determinada pela formatação.
Assinale a alternativa que preenche corretamente a lacuna do trecho acima.
Assinale a alternativa que preenche corretamente a lacuna do trecho acima.
Provas
Questão presente nas seguintes provas
Em Bond e Oliveira (2011), são definidas algumas recomendações para o atendimento
telefônico. Analise as seguintes assertivas relacionadas a essas recomendações:
I. Quando transferir alguma ligação, certifique-se de que a pessoa realmente conseguiu falar com quem desejava. II. Seja simpático. Não é porque a pessoa não a vê que ela não percebe essa qualidade. A simpatia abre canais para que possam instaurar-se a credibilidade e a confiança. III. Peça desculpas quando errar. Ser humilde é uma das qualidades essenciais nos dias de hoje.
Quais estão corretas?
I. Quando transferir alguma ligação, certifique-se de que a pessoa realmente conseguiu falar com quem desejava. II. Seja simpático. Não é porque a pessoa não a vê que ela não percebe essa qualidade. A simpatia abre canais para que possam instaurar-se a credibilidade e a confiança. III. Peça desculpas quando errar. Ser humilde é uma das qualidades essenciais nos dias de hoje.
Quais estão corretas?
Provas
Questão presente nas seguintes provas
Bond e Oliveira (2011) definem que se trata de uma ferramenta muito importante
para o secretário, pois é nela que são anotados todos os compromissos marcados, o planejamento de
diversas atividades, como reuniões, viagens e eventos, as despesas, as contas a pagar, o vencimento
de assinaturas, as datas importantes, as datas de aniversário de clientes e de familiares do executivo.
Essa ferramenta pode ser, ainda, eletrônica. Que ferramenta é essa?
Provas
Questão presente nas seguintes provas
Medeiros e Hernandes (2010) definem que no arquivamento, pelo método alfabético,
por nome de empresas ou razões sociais, existem também algumas regras básicas. Nesse sentido, o
primeiro nome ou razão social na ordem de arquivamento alfabético de nomes de empresas ou razão
social abaixo, em pastas, será:
Provas
Questão presente nas seguintes provas
Cadernos
Caderno Container