Foram encontradas 225 questões.

Provas
Analise as assertivas abaixo sobre os esquemas de aterramento de instalações elétricas de BT:
I. No esquema de aterramento TN-S, o condutor de terra e o condutor de neutro são distintos, enquanto no esquema de aterramento TN-C-S, o condutor de neutro e terra estão combinados em um único condutor em uma parte do sistema.
II. No esquema de aterramento TN-C, o condutor de terra e neutro estão combinados em um único condutor.
III. No esquema de aterramento T-T, o condutor de neutro está aterrado independente do aterramento da massa.
Quais estão corretas?
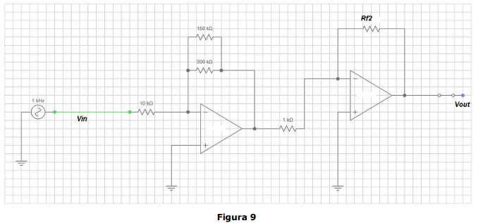
Provas
Observe a Figura 9 abaixo e determine o valor de Rf2 para que o ganho do circuito seja de 30dB.

Provas
Sabendo que a tensão de entrada no circuito da Figura 8 é Vin = 1V (Vp) ou 2V (Vpp), a saída Vout será:

Provas
Provas

Provas
Provas
Provas
A montagem da Figura 6 foi realizada às pressas por um estagiário.

Quais seriam as leituras esperadas nos instrumentos de medida voltímetro e amperímetro, respectivamente?
Provas
I. Não existe nenhuma recomendação ou norma que estabeleça o tipo de calçado a ser utilizado no laboratório, permitindo-se inclusive sandálias, contanto que estejam sendo usadas meias longas e grossas. II. É proibido comer, beber ou fumar no interior dos laboratórios. III. Durante realização de atividade em laboratório, é vedado o uso de adornos pessoais (relógio, aliança, correntes, piercing, etc.).
Quais estão corretas?
Provas
Caderno Container