Foram encontradas 185 questões.
Um fato corriqueiro ao se cozinhar arroz é o derramamento de parte da água de cozimento sobre a chama azul do fogo, mudando-a para uma chama amarela. Essa mudança de cor pode suscitar interpretações diversas, relacionadas às substâncias presentes na água de cozimento. Além do sal de cozinha (NaCl), nela se encontram carboidratos, proteínas e sais minerais.
Cientificamente, sabe-se que essa mudança de cor da chama ocorre pela
Provas
Questão presente nas seguintes provas
Sou filho natural de uma negra, africana livre, da Costa da Mina (Nagô de Nação), de nome Luiza Mahin, pagã, que sempre recusou o batismo e a doutrina cristã. Minha mãe era baixa de estatura, magra, bonita, a cor era de um preto retinto e sem lustro, tinha os dentes alvíssimos como a neve, era muito altiva, geniosa, insofrida. Dava-se ao comércio — era quitandeira, muito laboriosa e, mais de uma vez, na Bahia, foi presa como suspeita de envolver-se em planos de insurreição de escravos, que não tiveram efeito.
AZEVEDO, E. "Lá vai verso". Luiz Gama e as primeiras trovas burlescas de Getulino. In: CHALHOUB, S.; PEREIRA, L. A. M. A história contada: capítulos de história social da literatura no Brasil. Rio de Janeiro: Nova Fronteira, 1998 (adaptado).
Nesse trecho de suas memórias, Luiz Gama ressalta a importância dos(as)
Provas
Questão presente nas seguintes provas
A diversidade de atividades relacionadas ao setor terciário reforça a tendência mais geral de desindustrialização de muitos dos países desenvolvidos sem que estes, contudo, percam o comando da economia. Essa mudança implica nova divisão internacional do trabalho, que não é mais apoiada na clara segmentação setorial das atividades econômicas.
RIO, G. A. P. A espacialidade da economia. In: CASTRO, I. E.; GOMES, P. C. C.; CORRÊA, R. L. (Org.). Olhares geográficos: modos de ver e viver o espaço. Rio de Janeiro: Bertrand Brasil, 2012 (adaptado).
Nesse contexto, o fenômeno descrito tem como um de seus resultados a
Provas
Questão presente nas seguintes provas
Mas assim que penetramos no universo da web, descobrimos que ele constitui não apenas um imenso “território” em expansão acelerada, mas que também oferece inúmeros "mapas", filtros, seleções para ajudar o navegante a orientar-se. O melhor guia para a web é a própria web. Ainda que seja preciso ter a paciência de explorá-la. Ainda que seja preciso arriscar-se a ficar perdido, aceitar “a perda de tempo” para familiarizar-se com esta terra estranha. Talvez seja preciso ceder por um instante a seu aspecto lúdico para descobrir, no desvio de um link, os sites que mais se aproximam de nossos interesses profissionais ou de nossas paixões e que poderão, portanto, alimentar da melhor maneira possível nossa jornada pessoal.
LÉVY, P. Cibercultura. São Paulo: Editora 34, 1999.
O usuário iniciante sente-se não raramente desorientado no oceano de informações e possibilidades disponíveis na rede mundial de computadores. Nesse sentido, Pierre Lévy destaca como um dos principais aspectos da internet o(a)
Provas
Questão presente nas seguintes provas
Israel Travel Guide
Israel has always been a standout destination. From the days of prophets to the modern day nomad this tiny slice of land on the eastern Mediteranean has long attracted visitors. While some arrive in the ‘Holy Land’ on a spiritual quest, many others are on cultural tours, beach holidays and eco-tourism trips. Weeding through Israel’s convoluted history is both exhilarating and exhausting. There are crumbling temples, ruined cities, abandoned forts and hundreds of places associated with the Bible. And while a sense of adventure is required, most sites are safe and easily accessible. Most of all, Israel is about its incredibly diverse population. Jews come from all over the world to live here, while about 20% of the population is Muslim. Politics are hard to get away from in Israel as everyone has an opinion on how to move the country forward — with a ready ear you’re sure to hear opinions from every side of the political spectrum.
Disponível em: www.worldtravelguide.net. Acesso em: 15 jun. 2012.
Antes de viajar, turistas geralmente buscam informações sobre o local para onde pretendem ir. O trecho do guia de viagens de Israel
Provas
Questão presente nas seguintes provas
Em uma linha de transmissão de informações por fibra óptica, quando um sinal diminui sua intensidade para valores inferiores a 10 dB, este precisa ser retransmitido. No entanto, intensidades superiores a 100 dB não podem ser transmitidas adequadamente. A figura apresenta como se dá a perda de sinal (perda óptica) para diferentes comprimentos de onda para certo tipo de fibra óptica.

Atenuação e limitações das fibras ópticas.. Disponível em: www.gta.ufrj.br.
Acesso em: 25 maio 2017 (adaptado).
Qual é a máxima distância, em km, que um sinal pode ser enviado nessa fibra sem ser necessária uma retransmissão?
Provas
Questão presente nas seguintes provas
One of the things that made an incredible impression on me in the fikm was Frida's comfort in and celebration of her own unique beauty. She didn't try to fit into conventional ideas or images about womanhood or what makes someone or something beautiful. Instead, she fully inhabited her own unique gifts, not particularly caring what other people thought. She was magnetic and beautiful in her own right. She painted for years, not to be a commercial success or to be discovered, but to express her own inner pain, joy, family, love and culture. She absolutely and resolutely was who she was. The trueness of her own unique vision and her ability to stand firmly in her own truth was what made her successful in the end.
HUTZLER, L. Disponível em: www.etbscreenwriting.com. Acesso em: 6 maio 2013.
A autora desse comentário sobre o filme Frida mostra-se impressionada com o fato de a pintora
Provas
Questão presente nas seguintes provas
A representação de Demócrito é semelhante à de Anaxágoras, na medida em que um infinitamente múltiplo é a origem; mas nele a determinação dos princípios fundamentais aparece de maneira tal que contém aquilo que para o que foi formado não é, absolutamente, o aspecto simples para si. Por exemplo, partículas de carne e de ouro seriam princípios que, através de sua concentração, formam aquilo que aparece como figura.
HEGEL, G. W. F. Crítica moderna. In: SOUZA, J. C. (Org.). Os pré-socráticos: vida e obra.
São Paulo: Nova Cultural, 2000 (adaptado).
O texto faz uma apresentação crítica acerca do pensamento de Demócrito, segundo o qual o “princípio constitutivo das coisas” estava representado pelo(a)
Provas
Questão presente nas seguintes provas
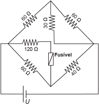
Fusível é um sobrecorrente em circuitos. Quando a corrente que passa por esse componente elétrico é maior que sua máxima corrente nominal, o fusível queima. Dessa forma, evita que a corrente elevada danifique os aparelhos do circuito. Suponha que o circuito elétrico mostrado seja alimentado por uma fonte de tensão U e que o fusível suporte uma corrente nominal de 500 mA.

Qual é o máximo valor da tensão U para que o fusível não queime?
Provas
Questão presente nas seguintes provas
Um menino acaba de se mudar para um novo bairro e deseja ir à padaria. Pediu ajuda a um amigo que lhe forneceu um mapa com pontos numerados, que representam cinco locais de interesse, entre os quais está a padaria. Além disso, o amigo passou as seguintes instruções: a partir do ponto em que você se encontra, representado pela letra X, ande para oeste, vire à direita na primeira rua que encontrar, siga em frente e vire à esquerda na próxima rua. A padaria estará logo a seguir.

A padaria está representada pelo ponto numerado com
Provas
Questão presente nas seguintes provas
Cadernos
Caderno Container