Foram encontradas 897 questões.
Provas
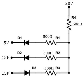
Analise o circuito abaixo, considerando os diodos com tensão direta igual a zero e com corrente reversa igual a zero.

Fonte: Arquivo da Banca Elaboradora.
Baseado na análise, pode-se considerar que os diodos que estão polarizados diretamente são
Provas

Provas
Disciplina: Direito Processual Penal Militar
Banca: DIRENS Aeronáutica
Orgão: CIAAR
Provas
As indicações constantes na bula são aquelas reconhecidas e regulamentadas pela ANVISA, e qualquer uso fora dessas condições é considerado como uso off-label, ou seja, quando não existe aprovação de seu uso para determinadas indicações, porque faltam informações sobre sua segurança e eficácia. Nesse contexto, estão as drogas utilizadas pela população de um modo geral, para aumento no rendimento das atividades acadêmicas.
Qual das alternativas abaixo não se encaixa nesse tipo de droga?
Provas
Disciplina: Engenharia Cartográfica
Banca: DIRENS Aeronáutica
Orgão: CIAAR
Para a construção de um novo prédio no centro de Instrução e Adaptação da Aeronáutica (CIAAR), foi realizado o levantamento planialtimétrico do terreno, e elaborado o perfil topográfico de uma linha longitudinal (AA’) que passa pelo centro do mesmo. De acordo com o projeto executivo, a obra deverá ficar sobre o patamar de cota igual a 705,00m.
O perfil topográfico da linha AA’ e o patamar são apresentados a seguir.

Fonte: Arquivo da Banca Elaboradora.
Após observado o croqui, analise as afirmativas abaixo
I. A diferença de nível longitudinal total do terreno é de 9,0m (nove metros).
II. Entre as estacas 3 e 4 haverá uma transição entre corte e aterro, respectivamente.
III. Para implantar o patamar AA’ (terraplenagem) haverá um corte de 3,0m (três metros) na estacada 2.
Está correto o que afirma em
Provas
Tendo em vista a recuperação de um dente funcionalmente comprometido, a seleção entre um procedimento restaurador direto ou indireto deve ser a primeira decisão a ser tomada. Qual das alternativas a seguir apresenta fatores que determinam maior limitação para a confecção de uma restauração indireta em um dente vital?
Provas
Provas
Disciplina: Ética e Regulação Profissional
Banca: DIRENS Aeronáutica
Orgão: CIAAR
Provas
Disciplina: Engenharia Cartográfica
Banca: DIRENS Aeronáutica
Orgão: CIAAR
Levantamento georreferenciado na superfície terrestre foi revolucionado com o advento dos satélites. O Global Navigation Satellite Systems (GNSS) oferece informações precisas de tempo e posicionamento na quase totalidade do planeta com alta confiabilidade, agilidade e eficiência. As operações de campo podem ser desenvolvidas dia ou noite e sem a necessidade de intervisibilidade entre as estações. Isso representa uma mudança extraordinária nos procedimentos convencionais de levantamento.
Em relação ao posicionamento por satélites GNSS é correto afirmar que
Provas
Caderno Container