Foram encontradas 940 questões.
Um motor trifásico de 10 HP, 220 V, tem, a plena carga, um rendimento de 85% e fator de potência 90%. A corrente de linha, a plena carga, para esse motor será de:
Provas
Questão presente nas seguintes provas
1289657
Ano: 2018
Disciplina: Segurança e Saúde no Trabalho (SST)
Banca: FUMARC
Orgão: CEMIG
Disciplina: Segurança e Saúde no Trabalho (SST)
Banca: FUMARC
Orgão: CEMIG
Provas:
Sobre o Programa de Prevenção de Riscos Ambientais - PPRA, é CORRETO afirmar:
Provas
Questão presente nas seguintes provas
O planejamento de um projeto de engenharia se faz em etapas de progressivo detalhamento, partindo-se de uma ideia, intenção ou conceito até chegar-se a um projeto executivo ou construtivo detalhado. É natural que, na avaliação de impacto ambiental, se proceda de maneira compatível, ou seja, com sucessivo aprofundamento, conforme o projeto vá se mostrando viável (SANCHÉZ, p. 356).
Como os empreendimentos sujeitos ao processo de AIA dependem de uma Licença Ambiental, assinale em qual das licenças o EIA é exigível.
Provas
Questão presente nas seguintes provas
Do moderno ao pós-moderno
Frei Betto / 14/05/2017 - 06h00
A morte da modernidade merece missa de sétimo dia? Os pais da modernidade nos deixaram de herança a confiança nas possibilidades da razão. E nos ensinaram a situar o homem no centro do pensamento e a acreditar que a razão, sem dogmas e donos, construiria uma sociedade livre e justa.
Pouco afeitos ao delírio e à poesia, não prestamos atenção à crítica romântica da modernidade – Byron, Rimbaud, Burckhardt, Nietzsche e Jarry. Agora, olhamos em volta e o que vemos? As ruínas do Muro de Berlim, a Estátua da Liberdade tendo o mesmo efeito no planeta que o Cristo do Corcovado na vida cristã dos cariocas, o desencanto com a política, o ceticismo frente aos valores.
Somos invadidos pela incerteza, a consciência fragmentária, o sincretismo do olhar, a disseminação, a ruptura e a dispersão. O evento soa mais importante que a história e o detalhe sobrepuja a fundamentação.
O pós-moderno aparece na moda, na estética, no estilo de vida. É a cultura de evasão da realidade. De fato, não estamos satisfeitos com a inflação, com a nossa filha gastando mais em pílulas de emagrecimento que em livros, e causa-nos profunda decepção saber que, neste país, a impunidade é mais forte que a lei. Ainda assim, temos esperança de mudá-lo. Recuamos do social ao privado e, rasgadas as antigas bandeiras, nossos ideais transformam-se em gravatas estampadas. Já não há utopias de um futuro diferente. Hoje, é considerado politicamente incorreto propagar a tese de conquista de uma sociedade onde todos tenham iguais direitos e oportunidades.
Agora predominam o efêmero, o individual, o subjetivo e o estético. Que análise de realidade previu a volta da Rússia à sociedade de classes? Resta-nos captar fragmentos do real (e aceitar que o saber é uma construção coletiva). Nosso processo de conhecimento se caracteriza pela indeterminação, descontinuidade e pluralismo.
A desconfiança da razão nos impele ao esotérico, ao espiritualismo de consumo imediato, ao hedonismo consumista, em progressiva mimetização generalizada de hábitos e costumes. Estamos em pleno naufrágio ou, como predisse Heidegger, caminhando por veredas perdidas.
Sem o resgate da ética, da cidadania e das esperanças libertárias, e do Estado-síndico dos interesses da maioria, não haverá justiça, exceto aquela que o mais forte faz com as próprias mãos.
Ingressamos na era da globalização. Graças às redes de computadores, um rapaz de São Paulo pode namorar uma chinesa de Beijing sem que nenhum dos dois saia de casa. Bilhões de dólares são eletronicamente transferidos de um país a outro no jogo da especulação, derivativo de ricos. Caem as fronteiras culturais e econômicas, afrouxam-se as políticas e morais. Prevalece o padrão do mais forte.
A globalização tem sombras e luzes. Se de um lado aproxima povos e quebra barreiras de comunicação, de outro ela assume, nas esferas econômica e cultural, o caráter de globocolonização.
(Disponível em: http://hojeemdia.com.br/opini%C3%A3o/colunas/frei-betto-
1.334186/do-moderno-ao-p%C3%B3s-moderno-1.464377. Acesso 05 jan. 2018)
São vários os interdiscursos que “dialogam” no artigo de opinião de Frei Betto, como fonte de evidências para sua argumentação. Abaixo se apontaram alguns deles, com uma exemplificação. Assinale a opção em que NÃO haja correspondência entre a nomeação e a exemplificação:
Provas
Questão presente nas seguintes provas
Xavier-da-Silva (1999c, p. 2) parte do pressuposto de que todo fenômeno pode ser localizado, ter sua extensão determinada, ser passível de alteração e possuir diversas associações e validades. Considerando essa afirmativa, analise a imagem a seguir e selecione dentre os tipos de tratamento das informações apresentados, qual deles se encontra representado.

Provas
Questão presente nas seguintes provas
Uma indústria tem três classes de carga: motores, com potência consumida de 100 kVA e fator de potência igual a 0,92 atrasado; iluminação, com potência de 30 kVA e fator de potência igual a 0,9; e demais cargas, com potência de 50 kW e fator de potência igual a 0,95.
A potência média (kW) consumida por essa indústria é:
Provas
Questão presente nas seguintes provas
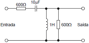
Em relação à resposta em frequência, o circuito abaixo funciona como um filtro do tipo:

Provas
Questão presente nas seguintes provas
No circuito abaixo considerar o amplificador operacional ideal alimentado com uma fonte simétrica de ± 15V e com valor de saturação da saída igual à tensão de alimentação. De acordo com o gráfico da função de transferência mostrado, o valor do resistor RX é:

Provas
Questão presente nas seguintes provas
Um sistema de transmissão de sinais de voz da telefonia convencional, que utiliza modulação por código de pulsos (PCM), segue a recomendação G.711 do ITU-T. A taxa de amostragem recomendada para o sinal de voz de acordo com essa recomendação é de:
Provas
Questão presente nas seguintes provas
A Norma Brasileira ABNT NBR 5410:2004 estabelece as condições a que devem satisfazer as instalações elétricas de baixa tensão, a fim de garantir a segurança de pessoas e animais, o funcionamento adequado da instalação e a conservação dos bens, aplicando-se principalmente às instalações elétricas de edificações, qualquer que seja seu uso (residencial, comercial, público, industrial, de serviços, agropecuário, hortigranjeiro, etc.), incluindo as pré-fabricadas.
Esta Norma também se aplica em:
Provas
Questão presente nas seguintes provas
Cadernos
Caderno Container