Foram encontradas 1.832 questões.
Um engenheiro realizou diversos testes de caracterização de um capacitor MOS variando a tensão aplicada a seus terminais e medindo a capacitância. Analise as seguintes sentenças:
I) A capacitância varia monotonicamente com a tensão.
II) A variação da capacitância é linear com relação à tensão.
III) A curva CV (Capacitância versus Tensão) apresenta um máximo de capacitância.
Este engenheiro pode concluir que estão corretas as sentenças:
Provas
Questão presente nas seguintes provas
O gentílico que se refere a quem nasce no estado do Mato Grosso do Sul é sul-mato-grossense ou mato-grossense-do-sul.
Esses dois adjetivos, quanto ao processo de formação, devem ser classificados
Provas
Questão presente nas seguintes provas
O número de flip-flops tipo D necessários para se construir um contador Johnson com módulo 16 é
Provas
Questão presente nas seguintes provas
Para que servem as lentes eletrostáticas no sistema de implantações de íons?
Provas
Questão presente nas seguintes provas
Ao escanear uma rede em busca de vulnerabilidades que pudesse explorar, um hacker recebeu respostas das portas 80, 25 e 110. Nestas condições, ele pôde deduzir que:
Provas
Questão presente nas seguintes provas
Um funcionário que trabalha exposto a agentes insalubres e perigosos tem direito a receber
Provas
Questão presente nas seguintes provas
Qual é o desbalanceamento de uma linha de produção com 5 estações, considerando que a duração do ciclo requerida é de 1 minuto/unidade e o tempo padrão-total exigido para montar cada unidade é igual a 240 segundos?
Provas
Questão presente nas seguintes provas
Entre os principais indicadores de função de RH de uma organização, não cabe incluir o seguinte item:
Provas
Questão presente nas seguintes provas
As afirmativas abaixo se referem à problemática de produção industrial eficiente de circuitos integrados.
Dentre elas aponte a que NÃO é correta.
Provas
Questão presente nas seguintes provas
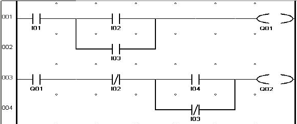
Dado o ladder abaixo e os estados das variáveis no início dos tempos, mostre qual serão os estados dessas variáveis ao final de 1 ciclo de operação(scan) do CLP...

| Variáveis | Estado inicial | Estado após primeiro scan |
| I01 | LIGAD0=1 | 1 |
| I02 | DESLIGADO=0 | 0 |
| I03 | LIGAD0=1 | 1 |
| I04 | DESLIGADO=0 | 0 |
| Q01 | DESLIGADO=0 | 1 |
| Q02 | DESLIGADO=0 | 0 |
Provas
Questão presente nas seguintes provas
Cadernos
Caderno Container