Foram encontradas 1.832 questões.
Qual tipo de solda de fios (wire bonding) não permite que seja feita uma solda em qualquer direção (omnidirectional bonding)?
Provas
Questão presente nas seguintes provas
Um transdutor com 5 Vrms de tensão e resistência de 1 MΩ é utilizado para acionar uma carga de 10 Ω. Se um amplificador isolador (buffer) de ganho unitário com resistência de entrada de 1 MΩ for inserido entre o transdutor e a carga, a tensão sobre a carga e o ganho de tensão da fonte até a carga serão, respectivamente, os seguintes:
Provas
Questão presente nas seguintes provas
No que se refere ao aval, em títulos de crédito, na forma como determina o Código Civil, é correto afirmar.
Provas
Questão presente nas seguintes provas
Os carros X, Y e Z possuem 100, 110 e 150 cavalos de potência, não necessariamente nessa ordem. Sabe-se que um deles é de fabricação nacional e que os outros dois são importados, sendo um de fabricação alemã e o outro de fabricação japonesa. Porém não se sabe qual a correta associação entre carros e países de fabricação. No entanto, sabe-se que: o carro X possui 100 cavalos de potência; o carro que possui 150 cavalos de potência é de fabricação alemã; o carro que possui 110 cavalos de potência não é nacional; e que o carro Y não é de fabricação japonesa.
Qual o país de fabricação e a potência do carro Y?
Provas
Questão presente nas seguintes provas
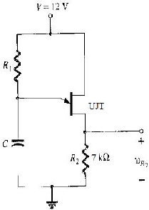
Dado o oscilador de relaxação abaixo, cujo componente ativo é um UJT (unijunction transistor - transistor de unijunção), a tensão mínima que permite o acionamento do UJT é igual a: (Considere a resistência entre os terminais do UJT aberto RBB = 5 kΩ e a relação de equilíbrio intrínseca do UJT η = 0,6)

Provas
Questão presente nas seguintes provas
A Portaria SIT 313 aprovou a Norma Regulamentadora 35 que dispõe sobre
Provas
Questão presente nas seguintes provas
Em relação à aplicação do Método de Análise e Solução de Problemas (MASP), analise as afirmativas abaixo.
I – A Fase da Identificação do Problema consiste em definir claramente o problema e em reconhecer a sua importância.
II – A Fase da Ação consiste em verificar se o bloqueio foi efetivo.
III – A Fase da Padronização consiste em prevenir o reaparecimento do problema.
Em relação aos itens acima, a opção correta é
Provas
Questão presente nas seguintes provas
A Portaria DNSHT-20, de 6 de maio de 1970, sobre normas de segurança para a instalação e inspeção de caldeiras estacionárias a vapor, exige que todas as caldeiras sejam, obrigatoriamente, submetidas à inspeção de segurança, interior e exteriormente após intervalo de inatividade de
Provas
Questão presente nas seguintes provas
- Paradigmas de ProgramaçãoOrientação a ObjetosDefinição Técnica: Orientação a Objetos
- Paradigmas de ProgramaçãoOrientação a ObjetosOrientação a Objetos: Herança
- Paradigmas de ProgramaçãoOrientação a ObjetosOrientação a Objetos: Interfaces
Analise as seguintes questões sobre orientação a objetos:
I. A herança de interface define a implementação de um objeto em termos da implementação de outro objeto. É um mecanismo para compartilhamento de código e de representação.
II. A composição de objetos é definida dinamicamente em tempo de execução pela obtenção de referências a outros objetos através de um determinado objeto e requer que os objetos respeitem as interfaces uns dos outros.
III. A composição implica em um estilo de reutilização é chamado reutilização de caixa preta, pois os detalhes internos dos objetos não são visíveis.
IV. Associação implica que um objeto possui, ou é responsável por, outro objeto. Agregação implica que um objeto meramente tem conhecimento de outro objeto.
V. Na delegação, dois objetos são envolvidos no tratamento de uma solicitação: um objeto receptor delega operações para o seu delegado; isto é análogo à postergação de solicitações enviadas às subclasses para as suas classes-mãe. A principal vantagem é que ela torna fácil compor comportamentos em tempo de execução e mudar a forma como são compostos.
São verdadeiras apenas as alternativas:
Provas
Questão presente nas seguintes provas
A corrosão por plasma é um dos processos subtrativos utilizados em microfabricação. Aponte, dentre as alternativas abaixo, a que NÃO é correta.
Provas
Questão presente nas seguintes provas
Cadernos
Caderno Container