Magna Concursos

Foram encontradas 225 questões.

484372 Ano: 2014
Disciplina: Legislação de Trânsito
Banca: FADESP
Orgão: CDSA
Provas:
O motorista profissional tem conhecimento de que o veículo só pode transitar pela via quando atendidos os requisitos e condições de segurança estabelecidos no Código de Trânsito Brasileiro e em normas do
 

Provas

Questão presente nas seguintes provas
484257 Ano: 2014
Disciplina: Inglês (Língua Inglesa)
Banca: FADESP
Orgão: CDSA
Is Breakfast Overrated?
By Gretchen Reynolds
August 21, 2014
For years, we’ve heard that breakfast is the most important meal of the day. But scientific support for that idea has been surprisingly meager, and a spate of new research at several different universities — published in multiple articles in the August issue of The American Journal of Clinical Nutrition — could change the way we think about early-hours eating.
The largest and most provocative of the studies focused on whether breakfast plays a role in weight loss. Researchers at the University of Alabama at Birmingham and other institutions recruited nearly 300 volunteers who were trying to lose weight. They randomly assigned subjects to either skip breakfast, always eat the meal or continue with their current dietary habits. (Each group contained people who habitually ate or skipped breakfast at the start, so some changed habits, and others did not.)
Sixteen weeks later, the volunteers returned to the lab to be weighed. No one had lost much, only a pound or so per person, with weight in all groups unaffected by whether someone ate breakfast or skipped it.
In another new study — this one of lean volunteers — researchers at the University of Bath determined the resting metabolic rates, cholesterol levels and blood-sugar profiles of 33 participants and randomly assigned them to eat or skip breakfast. Volunteers were then provided with activity monitors.
After six weeks, their body weights, resting metabolic rates, cholesterol and most measures of blood sugar were about the same as they had been at the start, whether people ate breakfast or not. The one difference was that the breakfast eaters seemed to move around more during the morning; their activity monitors showed that volunteers in this group burned almost 500 calories more in light-intensity movement. But by eating breakfast, they also consumed an additional 500 calories each day. Contrary to popular belief, skipping breakfast had not driven volunteers to wolf down enormous lunches and dinners — but it had made them somewhat more sluggish first thing in the morning.
Together, the new research suggests that in terms of weight loss, “breakfast may be just another meal,” said Emily Dhurandhar, the assistant professor at the University of Alabama at Birmingham who led the study there. Skipping breakfast in these studies, she said, did not fatten people.
Each study was fairly short-term, however, and involved a limited range of volunteers. More randomized experiments are needed before we can fully understand the impact of breakfast, said James Betts, the professor who led the study of lean people. It’s not yet clear, for instance, whether heavy people’s bodies respond differently to morning meals than lean people’s, or if the timing and makeup of breakfast matters.
For now, the slightly unsatisfying takeaway from the new science would seem to be that if you like breakfast, fine; but if not, don’t sweat it. “I almost never have breakfast,” Dr. Betts said. “That was part of my motivation for conducting this research, as everybody was always telling me off and saying I should know better.” Based on the results of these studies, he said his habits won’t change.
Neither will those of Dr. Dhurandhar, who enjoys a morning meal. But, she said, “I guess I won’t nag my husband to eat breakfast anymore.”
(http://well.blogs.nytimes.com/2014/08/21/is-breakfast-overrated/??src=dayp&action=click&pgtype=Homepage&module=ccolumn- above-moth-fixed-region&region=c-column-above-moth-fixed-region&WT.nav=c-column-above-moth-fixed-region)
Dr. Dhurandhar, the professor assistant who conducted the research at the University of Alabama at Birmingham, affirms in the last paragraph that she will
 

Provas

Questão presente nas seguintes provas
484248 Ano: 2014
Disciplina: Direito Administrativo
Banca: FADESP
Orgão: CDSA
Provas:
Com base na teoria do órgão, podemos conceituar órgão público como uma __________ que une atribuições praticadas por agentes __________ que o formam com o objetivo de manifestar a __________, o seu pensamento, ou, pelo menos, a sua tendência de __________.
- As expressões que preenchem correta e respectivamente as lacunas são
 

Provas

Questão presente nas seguintes provas
484167 Ano: 2014
Disciplina: Ética e Regulação Profissional
Banca: FADESP
Orgão: CDSA
Provas:
A ética está entre os principais requisitos utilizados para se analisar o posicionamento e o desempenho das organizações. Em sentido mais amplo, pode-se dizer que a ética
I. é o código de princípios e valores morais que governam o comportamento de pessoas e as organizações quanto ao que é certo ou errado;
II. estabelece padrões que indicam o que é bom ou ruim na conduta e na tomada de decisões dos indivíduos e organizações;
III. trata dos valores internos que são parte da cultura organizacional e molda as decisões referentes à responsabilidade social em relação ao ambiente externo;
IV. deve ser suficientemente flexível para permitir que a organização possa realizar transações que beneficiem seus clientes e funcionários.
- Considerando as informações contidas nos itens acima, é correto afirmar que
 

Provas

Questão presente nas seguintes provas
482490 Ano: 2014
Disciplina: Matemática
Banca: FADESP
Orgão: CDSA
Provas:
Supondo-se que o cálculo da quantidade máxima de caixas de um produto que pode faltar à descarga (F) em relação à quantidade da carga manifestada (N) seja modelado por F(F - 3) + 3 = N/100 Em um recebimento, com carga manifestada de 700 caixas, a quantidade mínima que, segundo esse modelo, deve ser recebida é de
 

Provas

Questão presente nas seguintes provas
476384 Ano: 2014
Disciplina: Segurança Privada e Transportes
Banca: FADESP
Orgão: CDSA
Provas:
Os símbolos abaixo referem-se ao Guindaste GMK 5130 e são denominados, respectivamente, de
Enunciado 476384-1
 

Provas

Questão presente nas seguintes provas
474408 Ano: 2014
Disciplina: Informática
Banca: FADESP
Orgão: CDSA
O recurso “Flip 3D”, presente no Microsoft Windows 7, possui a finalidade de mostrar os aplicativos abertos. Para utilizá-lo, é necessário pressionar as teclas <Windows> +
 

Provas

Questão presente nas seguintes provas
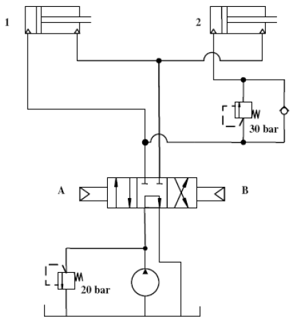
474250 Ano: 2014
Disciplina: Segurança Privada e Transportes
Banca: FADESP
Orgão: CDSA
Provas:
No sistema hidráulico abaixo, pilotando o lado A da válvula direcional, pode-se afirmar que o(os)
Enunciado 474250-1
 

Provas

Questão presente nas seguintes provas
1474138 Ano: 2014
Disciplina: Mecânica de Autos
Banca: FADESP
Orgão: CDSA
Provas:
Nas figuras abaixo, os componentes elétricos de um circuito são, respectivamente:
Enunciado 1474138-1
Questão Anulada

Provas

Questão presente nas seguintes provas
1469578 Ano: 2014
Disciplina: Português
Banca: FADESP
Orgão: CDSA
Química, pra que te quero?
Denise Fraga
Meu filho vai mal em química. Meu outro filho também vai mal em química. Eu fui mal em química. Que me perdoem os químicos, mas alguém poderia me dizer por que ainda se estuda química nas escolas?
É uma linda ciência e concordo que deveríamos ter ao menos um ano de estudo da matéria para entender a composição das coisas que juntas e inter-relacionadas compõem o Universo.
Tudo é química e, pessoalmente, acredito que até as relações humanas o são. Mas não o afirmo baseada em nada que tenha aprendido no estudo de tal matéria durante minha vida escolar. Aprende-se para esquecer. E, no meu tempo, ainda se decorava a maldita tabela periódica!$ ^{B)} !$. Não lembro de um bromo sequer e meus filhos ainda têm todas as cadeias de carbono e hidrogênio pela frente.
Tenho uma antiga discussão com uma amiga professora a respeito das matérias que compõem o currículo escolar. O acesso à informação anda no nosso bolso!$ ^{D)} !$ a um clique de nossos dedos e mesmo assim precisamos decorar os nomes do aparelho reprodutor dos platelmintos?
Podemos saber de tudo navegando por aí. Tanto pra aprender! E quem nos ensina a escolher o que queremos saber? Não poderíamos gastar o tempo de Química 3 com algo relacionado ao autoconhecimento e à capacidade seletiva e deixar as cadeias de carbono e hidrogênio pra quem realmente precisasse delas?
Minha amiga insiste comigo defendendo o ensino das atuais matérias com o argumento de que tudo leva ao desenvolvimento!$ ^{A)} !$ e à ampliação do raciocínio. Não tenho dúvida disso.
Mas por que não optar por xadrez, por exemplo? Você já viu alguém jogar cadeias de carbono e hidrogênio com um amigo numa tarde chuvosa? Imagina que maravilha seria se todos nós fôssemos potenciais jogadores de xadrez formados pela escola?
Raciocínio ampliado e prazer nas horas de lazer!$ ^{C)} !$. Por que precisamos aprender coisas pra esquecer depois da prova e não para nos ajudar a viver? Não esqueceríamos o que teríamos aprendido se houvesse uma matéria chamada Diálogo, por exemplo. Poder de escuta, argumentação, retórica, articulação de raciocínio aprendidos em anos de estudos semanais garantiriam com certeza melhores conversas por aí. Inclusive entre os químicos.
Disponível em: http://www1.folha.uol.com.br/colunas/denisefraga/2014/08/1494462- quimica-pra-que-te-quero.shtml. Acesso em: 29 ago. 2014.
Em “Mas por que não optar por xadrez, por exemplo?”, a função sintática do termo sublinhado é idêntica à do que se encontra, igualmente sublinhado, em
Questão Anulada

Provas

Questão presente nas seguintes provas