Foram encontradas 13.249 questões.
(https://www.labsupply2u.com)
A figura mostra uma aparelhagem de laboratório químico que representa um sistema de
Provas
São partes ou seções da FISPQ:
Provas
Ligas metálicas podem passar por um processo de endurecimento em função do tempo de armazenamento, quando o tratamento de térmico de solubilização não é adequado, isto é, nem todo o soluto da liga encontra-se em solução sólida. Ensaios mecânicos realizados antes e depois da armazenagem podem indicar que a liga endureceu (aumentou sua resistência mecânica) durante o período em que ficou armazenada. Esse processo é conhecido por envelhecimento natural de ligas, devido à formação de precipitados da ordem de 10,0 nm.
Em relação a esses precipitados, é correto afirmar que eles podem ser identificados por microscopia
Provas
Na Espectroscopia de Absorção no Infravermelho, os movimentos dos átomos que constituem as moléculas resultam em rotações e vibrações moleculares. Consequentemente, além das transições entre níveis eletrônicos, deve-se levar em consideração as transições devido a rotações e vibrações moleculares. Considerando a figura a seguir:

Assinale a alternativa que indica corretamente os modos de deformações axiais e angulares, considerando que os sinais (x) indicam o movimento para fora do plano do desenho.
Provas
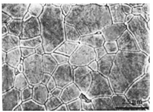
Considerando a figura a seguir, obtida por microscopia eletrônica de varredura (SEM), os grãos, após fratura, lixamento e polimento, foram revelados por ataque térmico.

(Mohamed N. Rahaman. Sintering of Ceramics, 2007)
Utilizando o método dos interceptos:

Sendo: Lt o comprimento total de traços, P o número total de interceptos e M a ampliação.
É correto afirmar que o tamanho médio de grãos (G) é
Provas
Através de um difratograma de raios X, é possível realizar análises qualitativas e quantitativa de uma amostra que está sendo estudada. Qual o procedimento para a identificação das fases presentes e da quantidade dessas fases utilizando um difratograma de raios X?
Provas
A microscopia correlativa (CLEM) é uma técnica que pode ser associada à microscopia eletrônica de varredura (SEM) e de transmissão (TEM).

(https://iopscience.iop.org/article/10.1088/1361-6463/aad055)
Assinale a alternativa que definir corretamente a microscopia correlativa e identifica as associações na figura, considerando que o feixe azul é relativo à luz e o verde aos elétrons.
Provas
O Refinamento de Rietveld tem diferentes aplicações científicas, tecnológicas e de controle de qualidade nas áreas de determinação de estruturas cristalinas, análise quantitativa de fases, caracterização de materiais (parâmetros de rede, tamanho de cristalitos, deformações etc.), estudo de transições de fase e desenvolvimento de novos materiais.
Assinale a alternativa que apresenta a definição correta para o refinamento Rietveld.
Provas
A microanálise por espectrometria de energia dispersiva (EDS) é uma técnica analítica usada para identificar a composição elementar de materiais, especialmente em regiões micro e nano métricas de amostras. Ela é frequentemente acoplada a um microscópio eletrônico de varredura (MEV) ou a um microscópio eletrônico de transmissão (MET) para fornecer informações morfológicas e químicas da amostra de diferentes materiais, como polímeros, metais, cerâmicas e materiais biológicos.
Sobre o princípio de funcionamento dessa técnica, é correto afirmar que o feixe de elétrons incide sobre a amostra, excitando os elétrons dos átomos, o que faz com que
Provas
O espectro FTIR do CO

(doi: 10.26434/chemrxiv-2022-jh9d6)
O conhecimento do espectro FTIR do CO
Provas
Caderno Container