Foram encontradas 773 questões.
Provas
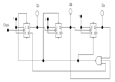
Considerando a figura a seguir, determine de qual valor o contador assíncrono começa a contar e em qual valor termina a contagem.
Provas

Provas

Provas

Provas
Em relação aos tipos de controles contínuos e discretos usados na indústria, assim como as entidades envolvidas, analise.
I. Os valores das variáveis discretas podem ser originados, diretamente, das grandezas medidas em sensores, como um LDR, por exemplo.
II. Em relação aos sensores típicos do controle contínuo pode-se citar o medidor de vazão ou temperatura.
III. Um dos objetivos do controle contínuo é manter o valor de uma variável de saída em um nível desejado.
IV. Geralmente, na indústria de processo, as variáveis e os parâmetros de interesse tendem a ser discretos.
Estão corretas apenas as afirmativas
Provas
Relacione adequadamente os cinco níveis de automação industrial às respectivas características.
1. Dispositivo.
2. Máquina.
3. Célula ou sistema.
4. Fábrica.
5. Empreendimento.
( ) Sistema de produção.
( ) Sensor, atuador e outros elementos de softwares.
( ) Máquina individual.
( ) Sistema de informação corporativo.
( ) Sistema de manufatura – grupos de máquinas.
A sequência está correta em
Provas
A figura a seguir representa um controle por realimentação (malha fechada).

Em relação às funções de cada bloco da figura anterior, assinale a alternativa correta.
Provas
Provas
Provas
Caderno Container