Foram encontradas 653 questões.
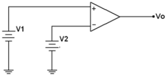
O circuito apresentado na figura 16 representa:

FIGURA 16
Provas
Questão presente nas seguintes provas
Segundo a Society of American Archivists (2002), seu propósito é o de identificar, gerenciar, estabelecer controle intelectual, localizar, explicar o acervo arquivístico e promover o acesso.
Assinale a alternativa a que se refere o texto acima:
Provas
Questão presente nas seguintes provas
Assinale a alternativa que apresenta uma das desvantagens da avaliação de desempenho por escalas gráficas, segundo Chiavenato (2004).
Provas
Questão presente nas seguintes provas
Assinale a alternativa que apresenta a fase em que se determina a posição do arquivo na estrutura da instituição e se escolhe os métodos de arquivamento, dentre outras atividades que nela devem ser executadas.
Provas
Questão presente nas seguintes provas
Dada uma tabela relacional chamada de “empregado_do_mes”, que possui uma chave primária “id_empregado”, a exclusão (deleção) do empregado identificado como número 10 (id_empregado =10) é executada pelo comando SQL:
Provas
Questão presente nas seguintes provas
790134
Ano: 2015
Disciplina: TI - Organização e Arquitetura dos Computadores
Banca: UNIFAP
Orgão: UNIFAP
Disciplina: TI - Organização e Arquitetura dos Computadores
Banca: UNIFAP
Orgão: UNIFAP
Considere a configuração de um computador apresentada abaixo:
Intel Core i5– 3,3 GHz 6 MB L2 cache;
1 TB HDD;
6 GB DDR3,
Placa de vídeo Intel HD Graphics 4400
802.11 a/b/g wireless LAN.
Com referencia ao computador apresentado, assinale a opção CORRETA.
Provas
Questão presente nas seguintes provas
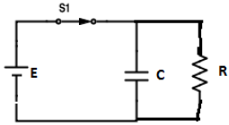
Na figura 07, considere os seguintes dados: C=3F, R=10!$ \Omega !$ e E=24V.
Qual a corrente que circulará no circuito depois da chave S1 ser fechada?

FIGURA 07
Provas
Questão presente nas seguintes provas

Carlos Zilio. Lute, 1967.
Dipinível em:
http://enciclopedia.itaucultural.org.br/pessoa962/carlos-zilio.
Acesso em: 22/042016
FIGURA 05
Em Lute (1967), um rosto vazio e comum – como a face anônima da multidão – é confinado numa marmita. Ao abri-la, há uma película plástica que estampa a palavra que dá título ao trabalho sob a boca (muda) da figura. Efetivamente, o rosto não é o de Zilio, embora metaforicamente seja o dele e ao mesmo tempo o de todos os brasileiros. (Felipe Scovino, Conexão Artes Visuais, 2010)
Considerando a imagem e o texto acima, analise as proposições a seguir.
I. A obra “Lute (1967)” pode ser considerada como um esforço do artista para integrar temas como arte e política.
II. A obra “Lute (1967)” é uma performance de marketing sem invento artístico.
III. A obra “Lute (1967)” mostra que as movimentações artísticas do século XX reuniram esforços no sentido de construir pesquisas de linguagens.
IV. A obra “Lute (1967)” é um exemplo do binômio arte e vida que convergia nas propostas vanguardistas dos “anos 60” e agregava o posicionamento político dos artistas.
V. A obra “Lute (1967)” pode ser considerada um trabalho tridimensional.
Estão CORRETAS, apenas:
Provas
Questão presente nas seguintes provas
São direitos e vantagens dos servidores públicos federais:
Provas
Questão presente nas seguintes provas
Segundo a doutrina, licitação é um procedimento administrativo destinado à seleção da melhor proposta dentre as apresentadas pelos interessados que desejam contratar com a Administração Pública.
Sobre o procedimento licitatório, é CORRETO afirmar que:
Provas
Questão presente nas seguintes provas
Cadernos
Caderno Container