Foram encontradas 1.914 questões.
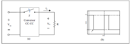
Com relação ao conversor CC-CC básico apresentado na Figura (a), com o regime de tensão (Vo) aplicada na carga (resistor R), conforme a Figura (b), no qual a chave S fecha (conduz corrente) em t = 0s e abre em t = 3ms interrompendo a condução de corrente para o resistor R, repetindo-se o ciclo em t = 10ms, assinale o valor da tensão média no resistor R em um ciclo de chaveamento, se Vcc = 210V.

Provas
Questão presente nas seguintes provas
Softwares para imagens vetoriais – como o Adobe Illustrator e o Corel DRAW – trabalham com demarcadores ou vetores matematicamente determinados e criados entre dois pontos, que são manipulados por meio de alças aplicadas nos dois lados das curvas, conhecidas também por:
Provas
Questão presente nas seguintes provas
O lançamento indevido de esgoto sanitário, sem tratamento ou com tratamento insuficiente nos sistemas de drenagem pluvial, ou mesmo, diretamente nos meios receptores, repercute sobre o uso da água, impondo restrições e riscos à população e ao meio ambiente. Diante do exposto, analise as proposições a seguir.
1) Os mecanismos de descarte de resíduos sólidos domésticos ou do setor industrial têm sido incipientes no Brasil.
2) O aumento populacional e as desigualdades entre o urbano e o rural facilitaram as políticas ambientais de consumo de água e, consequentemente, a emissão de resíduos sólidos.
3) As políticas públicas de tratamento de resíduos exercidas no Brasil facultam à indústria a construção de manutenção de estações de tratamento de efluentes.
4) A crise urbana está relacionada, principalmente, com a contaminação de mananciais superficiais e subterrâneos em razão do inadequado atendimento de serviços de saneamento.
5) Nas áreas urbanas, o esgotamento sanitário contribui para a propagação de doenças e vetores, tendo consequências na saúde e no abastecimento de água para a população.
Estão corretas, apenas:
Provas
Questão presente nas seguintes provas
Acerca das competências do CONARQ, assinale a alternativa incorreta.
Provas
Questão presente nas seguintes provas
Para uma variável quantitativa discreta, foi construída a seguinte figura, sendo o eixo das abscissas os valores possíveis da variável e, o eixo das ordenadas, a frequência observada:

A partir da figura, analise as seguintes alternativas.
1) A distribuição é simétrica.
2) O valor modal é 20.
3) A mediana é 2.
4) A média aritmética não pode ser calculada.
5) O tamanho da amostra é 50.
Estão corretas apenas:
Provas
Questão presente nas seguintes provas
O método de síntese sonora chamado de modulação de amplitude, quando aplicado a duas ondas senoidais, uma chamada de portadora ou carregadora, e a outra de moduladora, gerará um som complexo:
Provas
Questão presente nas seguintes provas
- Gerenciamento de ProcessosCiclo de Vida de Processos
- Gerenciamento de ProcessosEstados dos Processos
Sobre os possíveis estados de um processo em um sistema operacional, é incorreto afirmar que:
Provas
Questão presente nas seguintes provas
Por conveniência, a maioria dos laboratórios armazena produtos químicos em prateleiras na ordem alfabética. Embora isso possa ser suficiente, em alguns casos, não é o método mais seguro de armazenamento, uma vez que é possível armazenar produtos químicos incompatíveis (nitrito de sódio e tiossulfato de sódio, por exemplo) em estreita proximidade uns dos outros. De acordo com o conjunto de recomendações para armazenamento de produtos químicos em laboratório, assinale a recomendação correta.
Provas
Questão presente nas seguintes provas
Culturas de vigilância são extremamente relevantes no controle das infecções hospitalares. No laboratório de microbiologia, foi semeada secreção de ferida cirúrgica em meio ágar sangue e em ágar MacConkey, que, após 24 horas de crescimento, exibiu as seguintes características fenotípicas: Bacilos Gram Negativos (cocobacilos), colônias de aspecto opaco, TSI alcalino/alcalino, teste da oxidase negativo e perfil de sensibilidade ao imipenem. Pode-se concluir que o referido caso trata de uma infecção de ferida cirúrgica por:
Provas
Questão presente nas seguintes provas
Sobre segurança lógica da informação, analise as afirmações a seguir.
1) Segurança lógica é a forma como um sistema é protegido no nível de sistema operacional e de aplicação.
2) Para garantir a segurança lógica, podem-se especificar dois tipos de controle: “o que um sujeito pode fazer” e “o que pode ser feito com um objeto”.
3) O processo de backup é um controle de segurança exclusivamente lógico.
Está(ão) correta(s), apenas:
Provas
Questão presente nas seguintes provas
Cadernos
Caderno Container