Foram encontradas 65 questões.
TEXTO 1
REUSO DE ÁGUA
A reutilização ou reuso de água [...] não é um conceito novo e tem sido praticado em todo o mundo há muitos anos. Existem relatos de sua prática na Grécia Antiga, com a disposição de esgotos e sua utilização na irrigação. No entanto, a demanda crescente por água tem feito do reuso planejado da água um tema atual e de grande importância. Nesse sentido, deve-se considerar o reuso de água como parte de uma atividade mais abrangente que é o uso racional ou eficiente da água, o qual compreende também o controle de perdas e desperdícios, e a minimização da produção de efluentes e do consumo de água.
Dentro dessa ótica, os esgotos tratados têm um papel fundamental no planejamento e na gestão sustentável dos recursos hídricos como um substituto para o uso de águas destinadas a fins agrícolas e de irrigação, entre outros. Ao liberar as fontes de água de boa qualidade para abastecimento público e outros usos prioritários, o uso de esgotos contribui para a conservação dos recursos e acrescenta uma dimensão econômica ao planejamento dos recursos hídricos.
O “reuso” reduz a demanda sobre os mananciais de água devido à substituição da água potável por uma água de qualidade inferior. Essa prática, atualmente muito discutida, posta em evidência e já utilizada em alguns países é baseada no conceito de substituição de mananciais. Tal substituição é possível em função da qualidade requerida para um uso específico. Dessa forma, grandes volumes de água potável podem ser poupados pelo reuso quando se utiliza água de qualidade inferior (geralmente efluentes pós-tratados) para atendimento das finalidades que podem prescindir desse recurso dentro dos padrões de potabilidade.
Fonte: CETESB. Reuso de água. Disponível em:
http://www.cetesb.sp.gov.br/agua/%C3%81guas-Superficiais/39-Reuso-de-%C3%81gua. Acesso em: 11 ago 2014.
No fragmento “grandes volumes de água potável podem ser poupados pelo reuso quando se utiliza água de qualidade inferior (geralmente efluentes pós-tratados) para atendimento das finalidades que podem prescindir desse recurso dentro dos padrões de potabilidade”, o vocábulo “prescindir” corresponde semanticamente a
Provas
Questão presente nas seguintes provas
- UniãoExecutivoDecreto 1.171/1994: Código de Ética do Servidor Público Civil do Poder Executivo Federal
Segundo as regras deontológicas do Código de Ética Profissional do Servidor Público Civil do Poder Executivo Federal (aprovado pelo Decreto nº 1.171/94 e suas alterações), é CORRETO afirmar:
Provas
Questão presente nas seguintes provas
- UniãoExecutivoDecreto 1.171/1994: Código de Ética do Servidor Público Civil do Poder Executivo Federal
Segundo o Código de Ética do Servidor Público Civil do Poder Executivo Federal, aprovado pelo Decreto nº 1.171/94 e suas alterações, é vedado aos servidores de uma universidade federal, EXCETO:
Provas
Questão presente nas seguintes provas
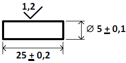
Considere o desenho abaixo e suas respectivas cotas (medidas em mm):

O símbolo
representa:
representa:Provas
Questão presente nas seguintes provas
Considerando-se as normas aplicáveis ao Sistema de Gestão da Ética do Poder Executivo Federal (Decreto nº 6.029/2007 e suas alterações), as afirmativas são corretas, EXCETO:
Provas
Questão presente nas seguintes provas
TEXTO 4
O VOLUME DE ÁGUA EXISTENTE NA TERRA É CONSTANTE?
Sim. Como um sistema fechado, o volume total absoluto de água no planeta é constante. O ciclo hidrológico não tem começo nem fim e envolve muitos processos, desde a evaporação – os oceanos respondem por 98% do total evaporado – até o acúmulo de água das chuvas, que volta aos rios e mares, e a infiltração, que formará cursos de água subterrâneos. A diferença entre o volume total e a água armazenada no subsolo e nas geleiras representa a quantidade disponível. Esta, sim, varia, mas em períodos que podem se estender de cem a 1 milhão de anos.
Fonte: O volume de água existente na Terra é constante? (Adaptado) Disponível em: http://mundoestranho.abril.com.br/materia/o-volume-de-agua-existente-na-terra-e-constante. Acesso em 11 ago 2014.
Em “Esta, sim, varia, mas em períodos que podem se estender de cem a 1 milhão de anos”, o uso do vocábulo sim significa que o autor
Provas
Questão presente nas seguintes provas
Uma lâmpada que tem uma resistência de 10 Ω é ligada em série com outra cuja resistência é de 20 Ω, conforme mostra a figura:

Quando as duas lâmpadas são alimentadas por uma bateria, pode-se afirmar que:
Provas
Questão presente nas seguintes provas
Uma junta parafusada é normalmente utilizada em união de peças. Considere o esboço de uma vista em corte deste tipo de junta, conforme a figura

Sendo F = 314,16 N, o valor da tensão atuante no parafuso é de
Provas
Questão presente nas seguintes provas
Os filtros analógicos são circuitos eletrônicos utilizados para condicionamento de sinais. Considere que nos circuitos apresentados a seguir, Vi é a tensão de entrada de um filtro e V0 sua tensão de saída:

É CORRETO afirmar:
Provas
Questão presente nas seguintes provas
A fundição em areia é responsável por parcela significativa das toneladas de fundidos produzidos pelas indústrias do mundo todo. Para o adequado desempenho da fundição, os moldes em areia devem possuir, entre outras, a seguinte característica:
Provas
Questão presente nas seguintes provas
Cadernos
Caderno Container