Foram encontradas 50 questões.
O aterramento é a ligação elétrica intencional com a terra. Tal ligação tem por objetivo fornecer um caminho favorável e seguro ao percurso de correntes elétricas indesejáveis e inseguras. Sendo assim, nas figuras abaixo são mostradas a instalação de dois esquemas de aterramento recomendados pela norma NBR 5410. Sabe-se que L1, L2 e L3 representam as fases do sistema, N o condutor neutro e PE o condutor de proteção. A quais esquemas de aterramento referem-se às figuras A e B, respectivamente:

Provas
Questão presente nas seguintes provas
Em uma instalação elétrica, composta de vários equipamentos eletrônicos, verificou-se, através de analisador de energia, a existência de harmônicos de ordens 1, 3, 5 e 7, com intensidades (valores eficazes) de 100 A, 40 A, 20 A e 10 A, respectivamente, no alimentador principal da unidade consumidora. Para essa instalação, o valor eficaz da corrente de projeto IB a considerar no cálculo da seção dos condutores desse circuito será de aproximadamente:
Provas
Questão presente nas seguintes provas
Sendo uma edificação residencial com dimensões 20 x 10 metros e altura de 12 metros, a área de exposição equivalente (Ae) para esta unidade, segundo a NBR 5419, resulta aproximadamente em m²:
Provas
Questão presente nas seguintes provas
De acordo com a NR10, manter esquemas unifilares das instalações elétricas atualizados com as especificações do sistema de aterramento e demais equipamentos e dispositivos de proteção, são obrigatoriedade para:
Provas
Questão presente nas seguintes provas
Ao fazer uma inspeção de rotina em uma linha energizada, um membro de sua equipe recebe uma descarga elétrica, ficando desacordado. A atitude adequada com o acidentado será:
Provas
Questão presente nas seguintes provas
- UniãoExecutivoDecreto 1.171/1994: Código de Ética do Servidor Público Civil do Poder Executivo Federal
De acordo com o que estabelece o Decreto 1.171/94, a respeito dos deveres do servidor público, NÃO constitui um dever fundamental do servidor:
Provas
Questão presente nas seguintes provas
Reinvenção da cidade
Gilberto Dimenstein
Sempre mostro aqui como a tecnologia consegue reinventar as relações em uma cidade. Uma ideia começou, nesta semana, no Brasil, e, se der certo, as cidades terão uma convivência melhor e, ainda por cima, as pessoas vão economizar dinheiro. É um banco do tempo.Funciona assim: alguém presta um serviço gratuitamente. Por exemplo, cuidar do filho do vizinho. Registra esse serviço nesse banco do tempo e ganha um crédito. Assim, vai requisitar um atendimento odontológico do dentista que, por sua vez, tinha recebido a ajuda gratuita de um marceneiro.Ou seja, é um escambo de serviços adaptado à era das redes sociais.
Muita gente aqui vai dizer que não funciona: que vai ter fraude. Com certa razão. Mas a boa cidade é aquela em que as pessoas sabem colaborar com seus talentos.Temos de pensar grande se quisermos viver numa cidade civilizada.Por falar em tecnologia compartilhada, foi lançada nesta semana uma plataforma gratuita para que cada pessoa possa fazer, em poucos minutos, seu aplicativo ou site para celular. É uma boa ajuda aos pequenos comerciantes.
Mais uma dica: Nuvem de Livros. Um banco de livros e de aulas acessível em celulares, com foco na formação de professores. Nos meses de agosto e setembro é gratuito, depois R$ 1,99 semanais. Mais uma dica de que como a tecnologia consegue democratizar, com baixo custo, a educação.
(Disponível em www1.folha.uol.com.br.Publicado em 08/08/2012. Acesso em 10/08/2012. Adaptado)
De acordo com o sentido e a ideia defendida pelo autor, o substantivo, presente no texto, que define adequadamente o tipo de serviço exposto no primeiro parágrafo é:
Provas
Questão presente nas seguintes provas
Ao definir o dever do Estado com educação escolar pública, a Lei de Diretrizes e Bases da Educação Nacional (Lei nº 9.394/1996) NÃO inclui a garantia de:
Provas
Questão presente nas seguintes provas
Com base na Lei 8.112/90, que estabelece os critérios para aposentadoria do servidor público, é INCORRETO afirmar:
Provas
Questão presente nas seguintes provas
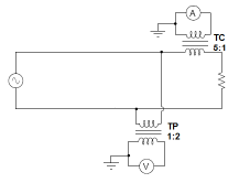
No circuito abaixo, a leitura dos equipamentos é 4 A e 15 V. Portanto, a potência na carga é:

Provas
Questão presente nas seguintes provas
Cadernos
Caderno Container