Foram encontradas 670 questões.
O movimento em defesa do consumidor passou por uma evolução no século XX e na década de 60 difundiu-se que os consumidores tinham direito a segurança, a informação, a escolha e de serem ouvidos. Como direito tradicional do comprador de um serviço inclui-se
Provas
Questão presente nas seguintes provas
Assinale o exemplo de código de servlet que não apresenta erros.
Provas
Questão presente nas seguintes provas
A demolição convencional, manual ou mecânica, será executada conforme previsto no projeto e de acordo com as recomendações da Norma NBR 5682. A respeito da etapa de demolições, assinale a alternativa correta.
Provas
Questão presente nas seguintes provas
O que faz o comando de linha php app/console generate:bundle --namespace=Acme/HelloBundle --format=yml
Provas
Questão presente nas seguintes provas
Na primeira metade do século XX, a educação escolar figurou como um relevante componente no projeto de desenvolvimento do Brasil, o que exigiu do chamado Governo Provisório de Getúlio Vargas a tomada de importantes decisões, entre elas:
Provas
Questão presente nas seguintes provas
Ao prestar assessoria na gestão pública, o secretário executivo deve compreender aspectos relativos à administração de materiais, a fim de contribuir para garantir que a instituição disponha dos insumos necessários para suas atividades. Costin (2010) elenca cinco fatores para a gestão de materiais. Assinale a alternativa que apresenta de forma correta esses fatores.
Provas
Questão presente nas seguintes provas
O processo pelo qual duas ou mais partes interdependentes, com algum conflito aparente, decidem como distribuir recursos escassos é:
Provas
Questão presente nas seguintes provas
Uma doença é a principal causa de colestase neonatal e tem como características marcantes a inflamação e estenose fibrosa dos ductos biliares hepáticos e extra-hepáticos, a destruição da árvore biliar intra-hepática, reação ductular e fibrose periportal. Como se chama essa doença?
Provas
Questão presente nas seguintes provas
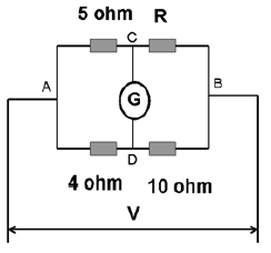
Quatro resistências são colocadas como mostrado na figura abaixo. Entre os pontos C e D é colocado um galvanômetro que indica que, nestas circunstâncias, não passa nenhuma corrente. Assim, podemos afirmar que o valor da resistência R é:

Provas
Questão presente nas seguintes provas
A NBR 15220, em sua Parte 3, define o zoneamento bioclimático brasileiro e as diretrizes construtivas para habitações unifamiliares de interesse social. Em caráter de orientação, a formulação das diretrizes construtivas para cada zona bioclimática e o estabelecimento das estratégias de condicionamento térmico passivo leva em conta o tamanho das aberturas para ventilação; a proteção das aberturas; as características das vedações externas (tipo de parede externa e tipo de cobertura); e as estratégias de condicionamento térmico passivo. A cidade de Juazeiro do Norte, no estado do Ceará, devido a proximidade da cidade de Barbalha e semelhança no clima, também está localizada na zona bioclimática 7. De acordo com a norma, a adoção de diretrizes bioclimáticas para edificações nesta localidade deve considerar:
Provas
Questão presente nas seguintes provas
Cadernos
Caderno Container