Foram encontradas 1.165 questões.
Com o advento da equideocultura moderna e racional, o cavalo passou a ser uma espécie altamente diferenciada, principalmente com o estímulo aos esportes equestres, sendo por estas razões artificializada a sua alimentação a níveis, algumas vezes, insuportáveis para a capacidade funcional do seu aparelho digestório, sendo as consequências dessa alimentação gravíssimas, aumentando a incidência de afecções digestivas refletidas pela síndrome cólica. Muitas afecções digestivas necessitam de intervenção cirúrgica, sendo necessário o conhecimento das estruturas relacionadas ao sistema digestório dos equinos para o sucesso do procedimento cirúrgico. Nesse respeito, analise as alternativas e marque a incorreta.
Provas
Questão presente nas seguintes provas
Conceito
A ideia central e dominante ou motivo apresentado em um modelo ou através de uma coleção completa de roupas. Um conceito apresenta a ideia que levou àquele modelo, é o ponto de partida e a referência constante. O conceito de uma coleção pode ser mostrado de forma evidente, literal, ou de maneira sutil. Um conceito pode ser algo simples, como África, burlesco ou piratas. [...]
(AMBROSE, G.; HARRIS, P. Dicionário ilustrado da moda. (Trad. Márcia Longarço). Barcelona: Gustavo Gili, 2012. p. 81)
Das orações apresentadas, escolha aquela cujo trecho sublinhado é o predicado dessa oração.
Provas
Questão presente nas seguintes provas
Em relação aos transtornos da identidade sexual podemos afirmar, exceto:
Provas
Questão presente nas seguintes provas
São objetivos do tratamento térmico de recozimento em aços, exceto:
Provas
Questão presente nas seguintes provas
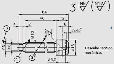
Assinale a alternativa que indica corretamente os símbolos no desenho mecânico a seguir:

Provas
Questão presente nas seguintes provas
Donald Schön e John Dewey são teóricos que apresentam conceitos e contribuições para os processos de ensino-aprendizagem e práticas pedagógicas a partir de uma perspectiva
Provas
Questão presente nas seguintes provas
Texto: GOOGLE: DRIVERLESS CARS NOW HAVE BETTER UNDERSTANDING OF CITY DRIVING
By Dominic Rushe, New York.
Monday 28 April 2014, theguardian.com
Monday 28 April 2014, theguardian.com
Google is getting closer to its dream of developing a marketable driverless car. The search company said on Monday it had improved the software in its eye-catching project, to take greater account of city driving. Google’s robot cars have now driven 700,000 miles around Mountain View in California, where the tech company is headquartered.
The company announced that its latest software includes:
• More comprehensive and detailed maps to include curbs and different types of traffic signals.
• Improvements in detecting objects around the vehicle – classifying pedestrians and cyclists separately from moving vehicles because they follow different rules of the road.
• The ability to “read” signs as they appear and not just in specific locations – for example, a stop sign unfolding from the side of a school bus.
• Modelling likely situations – Google has developed software that measure the probability of what is likely to happen in thousands of everyday driving situations.
Google has equipped about two dozen Lexus RX450H SUVs with its prototype technology, which include sensors that create 3D maps of the cars' surroundings in real time. The cars are tested with a driver in the driver's seat, ready to take control if anything goes wrong, and a Google engineer in the passenger seat.
Disponível em: http://www.theguardian.com/technology/2014/apr/28/
google-driverless-cars-city-driving Acessado e adaptado em 29/04/2014)
Com o protótipo da tecnologia, a Google equipou
Provas
Questão presente nas seguintes provas
Escala universal de mistura de tintas utilizado como guia de cores especiais:
Provas
Questão presente nas seguintes provas
Todos os elementos sguintes fazem parte de um Manual de Identidade Visual, exceto:
Provas
Questão presente nas seguintes provas
2282943
Ano: 2014
Disciplina: Direito Educacional e Tecnológico
Banca: MS CONCURSOS
Orgão: UFAC
Disciplina: Direito Educacional e Tecnológico
Banca: MS CONCURSOS
Orgão: UFAC
Provas:
À luz da Resolução nº 1, de 10 de março 2011, que fixa normas de funcionamento das unidades de Educação Infantil ligadas à Administração Pública Federal direta, suas autarquias e fundações, assinale a alternativa incorreta.
Provas
Questão presente nas seguintes provas
Cadernos
Caderno Container