Foram encontradas 1.219 questões.

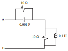
O circuito da figura acima é alimentado, entre os pontos A e B, por uma tensão senoidal de freqüência !$ \dfrac {50} {\pi} \, Hz. !$
A impedância equivalente deste circuito, em ohms, é:
Provas
No uso do tiristor como elemento de chaveamento e controle de potência em circuitos elétricos, costuma-se associar, em série com o mesmo, um indutor, com a finalidade de:
Provas
Considere a figura abaixo.

O circuito ilustrado representa um filtro passa-banda de segunda ordem.
Considerando os amplificadores operacionais ideais, a função de transferência !$ \dfrac {V_O (s)} {V_I (s)} !$ do circuito é:
Provas
Um sistema em tempo real fraco (soft real-time) possui quatro eventos periódicos, com períodos, em ms, de 40, 100, 200 e 200 cada.
Considere que os quatro eventos requeiram tempos de CPU, em ms, respectivamente 20, 20, 50 e T.
O maior valor de T, em ms, para que o sistema seja escalonável é:
Provas
O endereço IP e a máscara de sub-rede de uma determinada estação numa sub-rede TCP/IP são, respectivamente, 200.20.121.124 e 255.255.255.192.
O endereço IP de identificação da sub-rede é:
Provas
Considere um circuito combinacional de três entradas A, B e C, cuja função é composta pela seguinte soma de mintermos:
!$ f \, = \, \overline {A} B \overline {C} \, + \, AB \overline {C} \, + \, \overline {A} \overline {B} C \, + \, \overline {A} B C \, + \, A B C !$
Utilizando-se o método de simplificação de Karnaugh, obtém-se a seguinte expressão da função simplificada:
Provas
O gerente de materiais de uma empresa fabricante de diversos produtos plásticos precisa decidir sobre a instalação de um dos sistemas computadorizados de controle de estoques. O primeiro deles, de custo elevado, registra em tempo real todas as movimentações dos produtos no estoque.
O segundo registra as movimentações no estoque a cada três meses e tem custo mais modesto. Levando em conta estas considerações e as características da empresa, o gerente de materiais optou pelo primeiro sistema, apesar de mais caro, pois o(a):
Provas
Considere o processo de condução unidimensional em regime permanente da parede de um forno industrial feito de um material cuja condutividade térmica é !$ 1,5 \dfrac {W} {m \, ºC}. !$ O lado externo da parede encontra-se a uma temperatura de 100 ºC e está sujeito ao ar externo cuja temperatura e coeficiente de filme valem, respectivamente, 25 ºC e !$ 20 \dfrac {W} {m \, ºC}. !$
Considerando que a espessura da parede é igual a 0,15 m, a temperatura interna da parede do forno, em ºC, é:
Provas
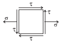
Observe a figura abaixo.

Considere o eixo de transmissão de potência da figura, em que os mancais resistem apenas a forças verticais.
As tensões atuantes em um ponto A, na superfície inferior do eixo, são representadas pelo seguinte elemento:
Provas
Num fluxo de caixa em que o valor do investimento inicial é R$ 100.000,00 e os resultados esperados são: R$ 20.000,00, no primeiro ano; R$ 30.000,00, no segundo; R$ 25.000,00, no terceiro; R$ 35.000,00, no quarto e R$ 40.000,00, no quinto, o elemento que a empresa deve utilizar para tomar a decisão no tempo 0 (zero) é denominado:
Provas
Caderno Container