Magna Concursos

Foram encontradas 1.219 questões.

87211 Ano: 2006
Disciplina: TI - Desenvolvimento de Sistemas
Banca: CESGRANRIO
Orgão: Transpetro
Provas:

Um programador necessita fazer um algoritmo para manipular alguns dados numéricos disponíveis em uma matriz C. Existem dois vetores, A e B, de mesma dimensão N, cujos elementos numa mesma posição indicam, respectivamente, a linha e a coluna do dado a ser manipulado na matriz C. Se o número da linha for diferente do número da coluna, o algoritmo deve verificar se o dado correspondente na matriz C é maior que zero. Nesse caso, o dado deverá ser trocado com o elemento da posição transposta na matriz C. Em caso contrário, isto é, se o número da linha for igual ao da coluna ou se o dado na matriz C for menor ou igual a zero, então o dado deverá ser multiplicado por 10.

O programador escreveu, em pseudocódigo, o seguinte algoritmo:

Enunciado 3571199-1

Assinale a opção que apresenta as linhas que estão faltando no programa, em pseudocódigo, para o seu correto funcionamento.

 

Provas

Questão presente nas seguintes provas
87210 Ano: 2006
Disciplina: Engenharia Mecânica
Banca: CESGRANRIO
Orgão: Transpetro
Provas:

Enunciado 3571198-1

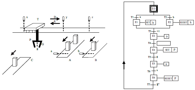
O sistema de transferência de peças da figura é composto por duas esteiras de entrada (A e B), uma garra (G) alojada num carro sobre trilhos (T) e uma esteira de saída (C). Os sinais binários referentes aos atuadores e sensores do sistema são:

D

Aciona motor que move o carro para a direita.

E

Aciona motor que move o carro para a esquerda.

P

Fecha a garra para suspender uma peça.

x

Sensor de presença do carro sobre a esteira C (posição de repouso).

y

Sensor de presença do carro sobre a esteira A.

z

Sensor de presença do carro sobre a esteira B.

g

Sensor de presença de peça na garra.

a

Sensor de presença de peça na esteira A.

b

Sensor de presença de peça na esteira B.

Quando uma peça é detectada numa das esteiras de entrada, o carro, inicialmente na posição de repouso, movimenta-se até a esteira e suspende a peça com a garra. A peça é, então, transportada para a esteira C, onde é liberada pela garra para ser evacuada. A figura também mostra o Grafcet de comando para o sistema de transporte.

A variável h tem a função de fazer com que o carro siga até a esteira A ou B, dependendo do sinal de detecção de peça recebido.

O Grafcet apresentado possui o problema de permitir que se acumulem peças numa das esteiras, em função de um atendimento que prioriza a presença de peças na outra esteira.

As modificações das receptividades para as transições T1 e T2 que evitam esse problema são, respectivamente:

 

Provas

Questão presente nas seguintes provas
87209 Ano: 2006
Disciplina: Engenharia Mecânica
Banca: CESGRANRIO
Orgão: Transpetro
Provas:

Enunciado 3571197-1

O sistema de transferência de peças da figura é composto por duas esteiras de entrada (A e B), uma garra (G) alojada num carro sobre trilhos (T) e uma esteira de saída (C). Os sinais binários referentes aos atuadores e sensores do sistema são:

D

Aciona motor que move o carro para a direita.

E

Aciona motor que move o carro para a esquerda.

P

Fecha a garra para suspender uma peça.

x

Sensor de presença do carro sobre a esteira C (posição de repouso).

y

Sensor de presença do carro sobre a esteira A.

z

Sensor de presença do carro sobre a esteira B.

g

Sensor de presença de peça na garra.

a

Sensor de presença de peça na esteira A.

b

Sensor de presença de peça na esteira B.

Quando uma peça é detectada numa das esteiras de entrada, o carro, inicialmente na posição de repouso, movimenta-se até a esteira e suspende a peça com a garra. A peça é, então, transportada para a esteira C, onde é liberada pela garra para ser evacuada. A figura também mostra o Grafcet de comando para o sistema de transporte.

A variável h tem a função de fazer com que o carro siga até a esteira A ou B, dependendo do sinal de detecção de peça recebido.

A expressão da receptividade para a transição T4 que leva ao correto funcionamento do sistema é:

 

Provas

Questão presente nas seguintes provas
87208 Ano: 2006
Disciplina: Engenharia Eletrônica
Banca: CESGRANRIO
Orgão: Transpetro
Provas:

Um sistema tem a sua entrada x(t) relacionada com a saída y(t), através da seguinte equação diferencial:

!$ \dfrac {d^2 y} {dt^2} \, + \, 5 \dfrac {dy} {dt} \, = \, 10 x (t) !$

Considerando todas as condições iniciais nulas e aplicando, neste sistema, uma realimentação de saída, com a lei de controle dada por x(t) = −Ky(t)+ r(t), a expressão da Função de Transferência relacionando a saída Y(s) e a entrada de referência R(s) é:

 

Provas

Questão presente nas seguintes provas
87207 Ano: 2006
Disciplina: Engenharia Eletrônica
Banca: CESGRANRIO
Orgão: Transpetro
Provas:

Considere a tabela abaixo:

Processo

Ordem de Chegada

Tempo estimado de execução (s)

A 1 5
B 2 3
C 3 1
D 4 2
E 5 4

Cinco processos, nomeados A, B, C, D e E, chegam quase simultaneamente a um processador para serem executados.

Consideram-se desprezíveis as diferenças entre os tempos de chegada dos processos, porém a ordem de chegada está indicada na tabela. Os tempos de execução estimados dos processos são mostrados na tabela e o processador segue um algoritmo de escalonamento por ordem de chegada e com fatia de tempo de 1s.

O tempo médio de resposta aos processos, em segundos, é:

 

Provas

Questão presente nas seguintes provas
87206 Ano: 2006
Disciplina: Engenharia Eletrônica
Banca: CESGRANRIO
Orgão: Transpetro
Provas:

Num circuito elétrico, o sinal de tensão v(t), causal, é representado matematicamente pela expressão no domínio de Laplace:

!$ V(s) \, = \, \dfrac {10s \, + \, 20} {s^2 \, + \, 4s \, + \, 20} !$

Esta tensão tem a sua expressão no domínio do tempo, para !$ t \, \ge \, 0, !$ dada por:

 

Provas

Questão presente nas seguintes provas
87205 Ano: 2006
Disciplina: Engenharia Eletrônica
Banca: CESGRANRIO
Orgão: Transpetro
Provas:

Enunciado 3571193-1

A figura acima mostra um sinal oriundo de uma descarga de capacitor, cuja expressão é dada por:

!$ \begin {cases} f(t) \, = \, Ae^{- \alpha t} \,\,\, para \,\, t \, \ge \, 0 \\ \,\,\,\,\, f (t) \, = \, 0 \,\,\, para \,\,\, t < 0 \end {cases} !$

onde A e !$ \alpha !$ são constantes positivas.

A expressão da Transformada de Fourier deste sinal é:

 

Provas

Questão presente nas seguintes provas
87204 Ano: 2006
Disciplina: Engenharia Eletrônica
Banca: CESGRANRIO
Orgão: Transpetro
Provas:

Uma planta industrial pode ser modelada através de uma Função de Transferência G(s) racional e contínua, de terceira ordem, estritamente própria e estável.

Com relação a G(s), é correto afirmar que:

 

Provas

Questão presente nas seguintes provas
87203 Ano: 2006
Disciplina: Engenharia Elétrica
Banca: CESGRANRIO
Orgão: Transpetro
Provas:

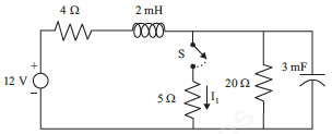
Considere a figura abaixo.

Enunciado 3571191-1

A chave S, no circuito, encontrava-se aberta por um longo tempo, tendo o circuito alcançado o regime permanente. Imediatamente após fechar a chave S, o valor da corrente I1, em ampères, será:

 

Provas

Questão presente nas seguintes provas
87202 Ano: 2006
Disciplina: Engenharia Elétrica
Banca: CESGRANRIO
Orgão: Transpetro
Provas:

Enunciado 3571190-1

A figura acima mostra uma fonte de tensão contínua alimentando um circuito RC. Com o capacitor descarregado, a chave fecha-se no instante inicial, isto é, em t=0.

A expressão matemática do tempo total (t), contado a partir do instante inicial até o capacitor se carregar com 1/5 da tensão da fonte, é:

 

Provas

Questão presente nas seguintes provas