Foram encontradas 50 questões.
Considere-se que a Administração, sem prévia licitação, tenha permitido o fechamento de uma rua para a realização de uma festa junina organizada pela associação de moradores de um bairro residencial. Nesse caso, considerando-se a doutrina majoritária, está-se diante de um(uma)
Provas
Disciplina: Legislação Estadual e Distrital
Banca: QUADRIX
Orgão: TERRACAP
Assinale a alternativa correta segundo o Estatuto Social da Terracap.
Provas
Disciplina: Legislação Estadual e Distrital
Banca: QUADRIX
Orgão: TERRACAP
Assinale a alternativa que apresenta competência privativa do Distrito Federal (DF) segundo a Lei Orgânica do Distrito Federal (LODF).
Provas
Disciplina: Legislação Estadual e Distrital
Banca: QUADRIX
Orgão: TERRACAP
Com base na Lei Complementar n.º 840/2011 (Regime jurídico dos servidores públicos civis do Distrito Federal, das autarquias e das fundações públicas distritais), assinale a alternativa correta quanto ao regime e à jornada de trabalho do servidor público.
Provas
Assinale a alternativa correta acerca do Decreto n.º 37.297/2016 (Código de conduta da alta administração e Código de ética dos servidores e empregados públicos civis do Poder Executivo).
Provas
Com relação aos conceitos de organização e de gerenciamento de pastas e arquivos de imagem em ambiente Windows, assinale a alternativa correta.
Provas
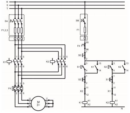
- Transformadores e Máquinas ElétricasPrincípios BásicosControle Eletrônico de Máquinas Elétricas
- Transformadores e Máquinas ElétricasMáquinas AssíncronasPartida e Controle de velocidade

Os esquemas dos circuitos de força e comando para partida e operação de um motor de indução trifásico são ilustrados na figura acima. Com base nos diagramas ilustrados, assinale a alternativa que apresenta a descrição correta do esquema utilizado.
Provas

A figura acima ilustra um sistema elétrico composto por uma unidade geradora trifásica equilibrada e uma carga trifásica interligadas por meio de uma linha de transmissão. Com base no sistema apresentado e assumindo que a unidade geradora seja ideal, assinale a alternativa correta a respeito da análise de sistemas trifásicos.
Provas
Disciplina: Segurança e Saúde no Trabalho (SST)
Banca: QUADRIX
Orgão: TERRACAP
A NR-10, que trata da segurança em instalações e serviços em eletricidade, estabelece requisitos e condições mínimas para atividades envolvendo eletricidade com o objetivo de garantir a segurança e a saúde dos trabalhadores que interajam com instalações elétricas, direta ou indiretamente. Em relação à NR-10, julgue os itens a seguir.
I Segundo a NR-10, em uma situação na qual os procedimentos previstos na norma não precisem ser alterados, são consideradas desenergizadas somente as instalações elétricas liberadas para trabalho mediante a execução de procedimentos apropriados na seguinte sequência: seccionamento; constatação da ausência de tensão; impedimento de reenergização; instalação de aterramento temporário com equipotencialização dos condutores do circuito; proteção dos elementos energizados existentes na zona controlada; e instalação da sinalização de impedimento de reenergização.
II Para a reenergização de uma instalação elétrica inicialmente desenergizada, a seguinte sequência de procedimentos deve ser respeitada: retirada de ferramentas, utensílios e equipamentos; retirada da zona controlada de todos os trabalhadores não envolvidos no processo de reenergização; remoção do aterramento temporário, da equipotencialização e das proteções adicionais; remoção da sinalização de impedimento de reenergização; e destravamento, se houver, e religação dos dispositivos de seccionamento.
III Considerando-se as diretrizes para trabalhos envolvendo alta tensão (AT), todo trabalhador em instalações elétricas energizadas em AT, bem como o trabalhador envolvido em atividades no sistema elétrico de potência, deve dispor de equipamento que permita a comunicação permanente com os demais membros da equipe ou com o centro de operação durante a realização do serviço.
Assinale a alternativa correta.
Provas
Texto para as questões de 1 a 8.
1 Brasília completa cinquenta anos de existência, mas pouca gente sabe que fui um dos organizadores da festa de
seu primeiro aniversário. É que tinha sido convidado por Paulo de Tarso, o primeiro prefeito da cidade, a presidir a
Fundação Cultural.
4 Aceitei o convite porque Brasília era uma coisa nova e instigante e também por ajudar-me a sair do impasse em
que me encontrava: perdera o entusiasmo pelas experiências neoconcretas e não sabia que rumo tomar.
Tomei o avião que me levaria à nova capital.
7 Viver em Brasília, naquela época, não era mole não. O vento erguia nuvens de poeira – um talco vermelho que
tisnava nosso rosto e nossas roupas. Não havia transporte coletivo. Eu me valia do carro da fundação. Nosso único
divertimento era ir ao aeroporto ver subir e descer os aviões. Por isso, quando um grupo de teatro rebolado, do Rio, me
10 telefonou propondo apresentar-se na cidade, topei sem hesitar.
No dia seguinte à estreia, tal foi a indignação dos convidados que o presidente Jânio Quadros enviou um bilhete
ao prefeito mandando tirar o espetáculo de cartaz. Quando os jornalistas me procuraram, declarei que não o faria, já que
13 não era censor. Isso gerou uma crise que foi superada por um fato inesperado: o grupo fugira da cidade sem pagar-nos
o aluguel do teatro.
Dias depois, o prefeito me chamava ao seu gabinete para tratar da comemoração do primeiro aniversário de
16 Brasília. Na parte cultural, que a mim cabia, programei uma exposição do acervo do Museu de Arte de São Paulo, uma
temporada do Teatro de Arena e um desfile da escola de samba Estação Primeira de Mangueira.
Os dois primeiros eventos não implicavam maiores problemas, mas o desfile da Mangueira, sim, a começar pelo
19 número de sambistas que teríamos que transportar até Brasília. Felizmente, a Aeronáutica se dispôs a colaborar, pondo
à nossa disposição um avião onde caberiam umas cem pessoas. Não era o ideal, mas dava para animar a festa, sobretudo
porque, ao contrário dos outros eventos, este seria na rua, com participação dos funcionários todos e dos candangos que
22 trabalhavam na construção da cidade.
Mal saiu na imprensa a notícia do desfile, meu gabinete se encheu de funcionários dos mais diversos órgãos
públicos: eram mangueirenses que haviam sido transferidos para lá e queriam desfilar na sua escola. Desfilaram. Foi o
25 grande acontecimento do aniversário da cidade. Era tanta gente que o prefeito quase não conseguiu chegar ao palanque.
Mas preparar as comemorações não foi fácil porque, naquela época, para conseguir um prego, era preciso
atravessar a cidade inteira. Um major do exército, para nos ajudar, definiu a situação: “O problema, doutor Gullar, é
28 viatura e gasolina”.
Passado o sufoco, fiz uma "embolada", que cantei numa festa na casa do prefeito:
“Não adianta, seu prefeito, abrir estrada
31 Não adianta carnaval na Esplanada
Não adianta superquadra sem esquina,
Catedral de perna fina, rebolado de menina
34 Que o problema é viatura e gasolina.”
Meses depois, Jânio Quadros renunciava e eu voltava ao Rio já com outra cabeça: trocara a vanguarda artística pelo engajamento político.
Ferreira Gullar. Primeiro aninho. Internet: (com adaptações).
Assinale a alternativa que apresenta proposta gramaticalmente correta e coerente para o seguinte trecho do texto: “Mal saiu na imprensa a notícia do desfile, meu gabinete se encheu de funcionários dos mais diversos órgãos públicos: eram mangueirenses que haviam sido transferidos para lá e queriam desfilar na sua escola. Desfilaram. Foi o grande acontecimento do aniversário da cidade” (linhas de 23 a 25).
Provas
Caderno Container