Foram encontradas 50 questões.
- Circuitos ElétricosLeis de Ohm e Kirchhoff
- Circuitos ElétricosTeoremas: Superposição, Thévenin, Norton e Outros

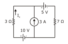
No circuito elétrico CC apresentado na figura acima, deseja-se calcular a corrente Ix. Para resolver o problema, optou-se por aplicar o princípio da superposição, técnica esta que permite obter separadamente as contribuições de cada fonte do circuito para a grandeza elétrica a ser calculada. Nesse contexto, é correto afirmar que as contribuições das fontes de 10 V, 5 V e 3 A para a corrente Ix serão, respectivamente, iguais a
Provas
Provas
Figura para as questões 37 e 38.

O método das tensões de nó consiste em uma ferramenta de grande utilidade para a análise de circuitos elétricos, visto que permite a obtenção da tensão de cada nó do circuito em relação a uma dada referência. No circuito elétrico CC apresentado, assumindo o nó A e a referência nas posições indicadas, assinale a alternativa que apresenta a equação correta referente à análise nodal do nó A para cálculo da tensão de nó VA.
Provas

Provas

O circuito CC ilustrado acima é alimentado por uma fonte independente de corrente de 6 mA. Adicionalmente, o circuito contém resistores e uma fonte de tensão dependente, cujo valor é função da tensão sobre o resistor de 2 kΩ, conforme ilustrado. Ao analisar o circuito elétrico, as correntes de malha I1, I2 e I3 indicadas na figura foram calculadas com o objetivo de obter o valor da corrente Ix que flui pelo resistor de 6 kΩ. Sabendo-se que Ix = I3 – I1, é correto afirmar que Ix será igual a
Provas

As Leis de Kirchhoff consistem em técnicas muito úteis no âmbito da análise de circuitos elétricos, visto que permitem a obtenção de relações de corrente e tensão que viabilizam a solução dos circuitos mesmo quando algumas grandezas elétricas do sistema não são conhecidas. No circuito ilustrado na figura acima, deseja-se calcular o valor das correntes Ix e Iy, bem como da tensão Vz. Assinale a alternativa que apresenta os valores corretos de Ix, Iy e Vz.
Provas
Resistores, indutores e capacitores são dispositivos tradicionalmente utilizados em circuitos elétricos CC e CA. Em um laboratório, quatro impedâncias, Z1, Z2, Z3 e Z4, de natureza desconhecida foram avaliadas em um ensaio. Basicamente, para facilitar a análise, usando um gerador de sinais, aplicou-se em cada impedância uma tensão alternada com valor de pico igual a 100 V e frequência de 50 Hz, enquanto, por meio de um osciloscópio, as formas de onda da tensão e da corrente nos elementos em estudo eram capturadas. A figura a seguir ilustra as formas de onda gravadas no osciloscópio.

Nesse caso hipotético, sabendo-se que as escalas de amplitude e tempo no osciloscópio foram ajustadas igualmente para as medições de tensão e corrente e assumindo-se que indutores e capacitores não foram aplicados em uma mesma impedância, é correto afirmar, com relação às impedâncias Z1, Z2, Z3 e Z4, que
Provas
Durante uma avaliação técnica das instalações de uma indústria, constatou-se que, em um determinado circuito elétrico CA, um conjunto de cargas monofásicas conectadas em paralelo estão absorvendo uma potência complexa igual a 350 + j740 VA. Ciente de que o fator de potência para este conjunto de cargas está abaixo do nível desejado, o diretor técnico da empresa solicitou a correção do fator de potência da referida instalação.
Nessa situação hipotética, assumindo-se que os elementos a serem utilizados no procedimento solicitado sejam ideais, é correto afirmar que
Provas

Os triângulos de potência são usualmente utilizados para representar a potência complexa relacionada a elementos instalados em circuitos elétricos que operem no regime de corrente alternada (CA). Nesses triângulos, é possível avaliar trigonometricamente o fator de potência do circuito e as potências aparente, ativa e reativa, por meio das quais se pode identificar a natureza da carga equivalente do circuito, ou seja, se esta é predominantemente indutiva, predominantemente capacitiva ou se tem característica resistiva. Com o objetivo de avaliar a natureza de duas cargas inseridas em um circuito CA, um engenheiro eletricista utilizou um osciloscópio para obter medições de tensão e corrente em cada um dos elementos. A partir dessas medições, parte dos triângulos de potência de cada elemento foram esboçados, conforme ilustrado acima.
Sabendo-se que o valor em módulo dos ângulos θ1 e θ2 é igual e assumindo-se que as medições realizadas pelo engenheiro eletricista, nesse caso hipotético, sejam confiáveis, é correto afirmar, no que se refere às cargas 1 e 2, que o fator de potência da carga 1 é
Provas
Texto para a questão.
Na tabela da NBR 5410 a seguir são apresentadas as relações entre a seção transversal de condutores de cobre e suas respectivas capacidades de condução de corrente, dadas em ampères.
|
Seções nominais mm2 |
Métodos de referência indicados na tabela 33 | |||||||||||
| A1 | A2 | B1 | B2 | C | D | |||||||
| Número de condutores carregados | ||||||||||||
| 2 | 3 | 2 | 3 | 2 | 3 | 2 | 3 | 2 | 3 | 2 | 3 | |
| (1) | (2) | (3) | (4) | (5) | (6) | (7) | (8) | (9) | (10) | (11) | (12) | (13) |
| Cobre | ||||||||||||
| 0,5 | 7 | 7 | 7 | 7 | 9 | 8 | 9 | 8 | 10 | 9 | 12 | 10 |
| 0,75 | 9 | 9 | 11 | 10 | 11 | 10 | 11 | 10 | 13 | 11 | 15 | 12 |
| 1 | 11 | 10 | 11 | 10 | 14 | 12 | 13 | 11 | 15 | 14 | 18 | 15 |
| 1,5 | 14,5 | 13,5 | 14 | 13 | 17,5 | 15,5 | 16,5 | 15 | 19,5 | 17,5 | 22 | 18 |
| 2,5 | 19,5 | 18 | 18,5 | 17,5 | 24 | 21 | 23 | 20 | 27 | 24 | 29 | 24 |
|
4 |
26 | 24 | 25 | 23 | 32 | 28 | 30 | 27 | 36 | 32 | 38 | 31 |
| 6 | 34 | 31 | 32 | 29 | 41 | 36 | 38 | 34 | 46 | 41 | 47 | 39 |
| 10 | 46 | 42 | 43 | 39 | 57 | 50 | 52 | 46 | 63 | 57 | 63 | 52 |
| 16 | 61 | 56 | 57 | 52 | 76 | 68 | 69 | 62 | 85 | 76 | 81 | 67 |
| 25 | 80 | 73 | 75 | 68 | 101 | 89 | 90 | 80 | 112 | 96 | 104 | 86 |
| 35 | 99 | 89 | 92 | 83 | 125 | 110 | 111 | 99 | 138 | 119 | 125 | 103 |
| 50 | 119 | 108 | 110 | 99 | 151 | 134 | 133 | 118 | 168 | 144 | 148 | 122 |
| 70 | 151 | 136 | 139 | 125 | 192 | 171 | 168 | 149 | 213 | 184 | 183 | 151 |
| 95 | 182 | 164 | 167 | 150 | 232 | 207 | 201 | 179 | 258 | 223 | 216 | 179 |
| 120 | 210 | 188 | 192 | 172 | 269 | 239 | 232 | 206 | 299 | 259 | 246 | 203 |
NBR 5410.
Durante o projeto de uma instalação elétrica, um engenheiro eletricista deseja calcular a seção transversal dos condutores de cobre que alimentarão um motor monofásico segundo o critério da capacidade de condução de corrente descrito na NBR 5410. Após alguns estudos, o engenheiro coletou as seguintes informações: a corrente nominal absorvida pelo motor é igual a 14 A; o método de instalação dos condutores deve ser do tipo B1; e existe a necessidade de aplicar fatores de correção de temperatura e de número de circuitos agrupados com valores iguais a 0,94 e 0,80, respectivamente.
Assumindo-se que as análises realizadas pelo engenheiro eletricista responsável pela instalação elétrica nesse caso hipotético estejam corretas e considerando-se os dados da tabela apresentada, é correto afirmar que a seção transversal dos condutores em questão, segundo o critério da capacidade de condução de corrente, será igual a
Provas
Caderno Container