Foram encontradas 1.262 questões.
Julgue o próximo item, com relação a sistemas de medição e controle elétrico e eletrônico.
Se um resistor tem um valor nominal de 200 !$ \Omega !$ e tolerância de !$ \pm !$5%, então o seu erro absoluto é de 10%.
Provas
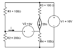
Considere o circuito elétrico abaixo.

Com referência ao circuito apresentado, julgue o seguinte item.
O valor absoluto da corrente que passa pelo resistor R2 é igual a 10 mA.
Provas
Com base na Lei n.º 13.303/2016 e no Regulamento de Licitações e Contratos da TELEBRAS (RELIC), julgue o item a seguir.
Nem sempre a celebração do contrato é necessária, podendo este ser substituído por autorização de compra, ordem de compra e serviço ou carta contrato.
Provas
| !$ x_1 !$ | !$ x_2 !$ | !$ x_3 !$ | !$ x_4 !$ | !$ x_5 !$ |
| 10,6 | 9,4 | 10,6 | 10,4 | 9,0 |
Suponha que o conjunto de dados mostrados no quadro acima seja uma realização de uma amostra aleatória simples de tamanho n = 5 que foi retirada de uma população cuja função de densidade de probabilidade é dada por
!$ f(x)=\dfrac{\theta e^{-\theta |x-\mu|}}{2} !$
na qual !$ x \in \mathbb{R} !$ e !$ \theta > 0 !$ e !$ \mu \in \mathbb{R} !$ são parâmetros desconhecidos.
Com base nessas informações, julgue o item subsequente.
A estimativa de máxima verossimilhança para o parâmetro μ é igual a 10,4.
Provas
| !$ x_1 !$ | !$ x_2 !$ | !$ x_3 !$ | !$ x_4 !$ | !$ x_5 !$ |
| 10,6 | 9,4 | 10,6 | 10,4 | 9,0 |
Suponha que o conjunto de dados mostrados no quadro acima seja uma realização de uma amostra aleatória simples de tamanho n = 5 que foi retirada de uma população cuja função de densidade de probabilidade é dada por
!$ f(x)=\dfrac{\theta e^{-\theta |x-\mu|}}{2} !$
na qual !$ x \in \mathbb{R} !$ e !$ \theta > 0 !$ e !$ \mu \in \mathbb{R} !$ são parâmetros desconhecidos.
Com base nessas informações, julgue o item subsequente.
A estimativa de máxima verossimilhança da moda populacional é igual a 10,6.
Provas
| !$ x_1 !$ | !$ x_2 !$ | !$ x_3 !$ | !$ x_4 !$ | !$ x_5 !$ |
| 10,6 | 9,4 | 10,6 | 10,4 | 9,0 |
Suponha que o conjunto de dados mostrados no quadro acima seja uma realização de uma amostra aleatória simples de tamanho n = 5 que foi retirada de uma população cuja função de densidade de probabilidade é dada por
!$ f(x)=\dfrac{\theta e^{-\theta |x-\mu|}}{2} !$
na qual !$ x \in \mathbb{R} !$ e !$ \theta > 0 !$ e !$ \mu \in \mathbb{R} !$ são parâmetros desconhecidos.
Com base nessas informações, julgue o item subsequente.
De acordo com o método dos mínimos quadrados ordinários, a estimativa do parâmetro !$ \mu !$ é igual a 10.
Provas
| !$ x_1 !$ | !$ x_2 !$ | !$ x_3 !$ | !$ x_4 !$ | !$ x_5 !$ |
| 10,6 | 9,4 | 10,6 | 10,4 | 9,0 |
Suponha que o conjunto de dados mostrados no quadro acima seja uma realização de uma amostra aleatória simples de tamanho n = 5 que foi retirada de uma população cuja função de densidade de probabilidade é dada por
!$ f(x)=\dfrac{\theta e^{-\theta |x-\mu|}}{2} !$
na qual !$ x \in \mathbb{R} !$ e !$ \theta > 0 !$ e !$ \mu \in \mathbb{R} !$ são parâmetros desconhecidos.
Com base nessas informações, julgue o item subsequente.
Se X for definida como uma variável aleatória que representa a distribuição populacional em tela e se p = P (X = 10,6), então a estimativa dessa probabilidade será !$ \hat{p} !$ = 2/5.
Provas
O quadro abaixo mostra a realização de uma amostra aleatória simples u1, u2, u3, u4, que foi retirada de uma distribuição uniforme contínua no intervalo [0, a].
|
u1 |
u2 | u3 | u4 |
| 7,53 | 3,02 | 5,69 | 1,22 |
Considerando que !$ \hat{a} !$ representa a estimativa de máxima verossimilhança do parâmetro a, julgue o item seguinte.
A estimativa de máxima verossimilhança para a média da distribuição em tela é igual a 4,365.
Provas
Considerando que !$ X_1, X_2, ... X_n !$ seja uma sequência de variáveis aleatórias independentes e identicamente distribuídas, tais que
!$ P(X_k=x)=p(1-p)^x !$ em que !$ x \in \{ 0,1,2,3, ... \}, 0 < p \le 1 !$ e !$ k \in \{ 1,2, ...,n\} !$, julgue o item a seguir.
!$ \overline{X}_n = \dfrac{1}{n} \sum\limits^n_{k-1}X_k !$, então, segundo a lei fraca dos grandes números, !$ \overline{X}_n !$ converge em probabilidade para !$ \dfrac{1}{p} !$.
Provas
Supondo que !$ P(Y=y|M=m)=\dfrac{e^{-m}m^y}{y!}, !$
para !$ y \in \{0,1,2,3 ... \} !$, em que !$ m > 0 !$, e !$ M !$ é uma variável aleatória contínua cuja função de densidade é dada por !$ f_M(m)= e^{-m} !$, julgue o item a seguir.
Y e M são variáveis aleatórias independentes.
Provas
Caderno Container