Foram encontradas 1.262 questões.
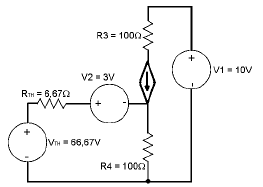
Considere o circuito elétrico abaixo.

Com referência ao circuito apresentado, julgue o seguinte item.
O equivalente de Thévenin do circuito apresentado é mostrado a seguir.

Provas
Julgue o próximo item, relativos a quadripolos e transformadas de Fourier e Laplace.
Ao analisar um determinado quadripolo, em regime permanente senoidal, ao abrir-se a porta 2 e aplicando-se uma tensão igual a 10.cos (200t)V na porta 1, encontrou-se uma corrente igual a 2.cos(200t + 60º)A e uma tensão de 20.cos (200t + 45º) V na porta 2. Ao se abrir a porta 1 e aplicar uma tensão igual a 5.cos(200t)V na porta 2, encontrou-se uma corrente igual a 3.cos(200t – 30º)A na porta 2 e uma tensão igual a 100.cos(200t – 90º)V na porta 1. Pode-se afirmar que os parâmetros Z11 e Z22 do referido quadripolo são iguais a: = 5!$ \angle !$60!$ \Omega !$ e = 1,67!$ \angle !$60!$ \Omega !$.
Provas
Julgue o próximo item, relativos a diodos semicondutores e transistores.
Um diodo do tipo Schottky é um diodo que funciona como um capacitor variável, controlado por tensão. O diodo Schottky é conectado em paralelo com um indutor para formar um circuito ressonante. Esta montagem é o princípio por trás do ajuste eletrônico de uma estação de rádio ou TV.
Provas
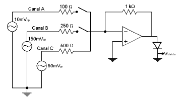
Um circuito de amplificação de sinais analógicos foi montado conforme abaixo.

Considerando que o amplificador da imagem possui largura de banda infinita e que os sinais transmitidos nos canais A, B e C estão sintonizados na mesma frequência, julgue o seguinte item.
Considere que sejam desconectados os canais A e B e seja inserido um diodo semicondutor da forma da seguinte representação.

O sinal obtido em VSaída é na forma mostrada na seguinte figura.

Provas
Um circuito de amplificação de sinais analógicos foi montado conforme abaixo.

Considerando que o amplificador da imagem possui largura de banda infinita e que os sinais transmitidos nos canais A, B e C estão sintonizados na mesma frequência, julgue o seguinte item.
Um amplificador operacional real possui impedância de saída não nula, em comparação com os amplificadores operacionais ideais, como única diferença perceptível em seu funcionamento.
Provas
Disciplina: Engenharia de Telecomunicações
Banca: CESPE / CEBRASPE
Orgão: TELEBRAS

Para o sistema de comunicação sem fio no diagrama precedente, considere que: a modulação utilizada é AM-DSB, o sinal original é m(t)=10.cos(30.2!$ \pi !$.t) + 5. cos(100.2!$ \pi !$.t), a frequência da portadora é !$ \omega_C !$ = 10.106.2!$ \pi !$ e a distância entre as duas antenas é de 1.000 m. Nessas condições, julgue o item a seguir.
O filtro representado pelo circuito a seguir pode ser utilizado no sistema de comunicação em tela, na recepção do sinal.

Provas
Disciplina: Engenharia de Telecomunicações
Banca: CESPE / CEBRASPE
Orgão: TELEBRAS
Julgue o próximo item, relativos ao efeito do ruído em sistemas analógicos e digitais.
Os ruídos, quanto à sua intensidade em função da frequência da transmissão, podem ser classificados em ruído branco, que tem uma amplitude decrescente com o aumento da frequência em determinada faixa do espectro eletromagnético; e ruído rosa, que possui uma intensidade média constante ao longo da sua faixa do espectro.
Provas
Disciplina: Engenharia de Telecomunicações
Banca: CESPE / CEBRASPE
Orgão: TELEBRAS
Julgue o próximo item, relativos ao efeito do ruído em sistemas analógicos e digitais.
Se, para um sistema de comunicação modulado em frequência, a relação sinal-ruído for 2 e a frequência do sinal modulante for 600 Hz, então, nessas condições, o deslocamento de frequência causado pelo ruído é inferior a 300 Hz.
Provas
Uma onda plana de 300 MHz, propagando-se no vácuo, incide em um meio composto por silício impuro, com um ângulo de incidência de 30º. Para o silício, a permissividade relativa é !$ \epsilon !$r = 3 e a permeabilidade relativa é !$ \mu !$r = 1. A impedância intrínseca do vácuo é !$ \eta_0 !$ = 120.!$ \Omega !$ ou, aproximadamente, 377 !$ \Omega !$.
Considerando as informações precedentes, julgue o item a seguir.
O índice de refração do silício impuro é superior a 2.
Provas

Considerando o diagrama precedente, julgue o item que se segue a respeito da teoria de engenharia de controle.
O circuito elétrico a seguir representa, de forma correta, o diagrama em questão.

Provas
Caderno Container