Foram encontradas 447 questões.
A medição de temperatura é realizada indiretamente. Por essa razão, a utilização de termorresistores, termistores e termopares é comum para este fim.
A esse respeito, analise as afirmativas abaixo.
I - O Pt 100 é assim chamado por possuir platina em sua composição e resistência padronizada de 100 \( \Omega \) a 0 °C.
II - O Efeito Seebeck é produzido por um circuito formado por dois fios condutores de metais distintos, em que circula uma corrente quando as juntas J1 e J2 são expostas a temperaturas diferentes.
III - A utilização de um sensor Pt 100 na configuração a dois fios não necessita de calibração para compensar a resistência do fios (Rc1 + Rc2).
IV - Os Efeitos Seebeck, Peltier e Thomson são fenômenos termoelétricos conhecidos e utilizados com termistores.
Estão corretas APENAS as afirmativas
Provas
Para a montagem de um mancal de deslizamento, foi projetado o ajuste 55 F7/h6 para o conjunto eixo-mancal cujos afastamentos são apresentados na tabela abaixo.
| Furo | Eixo | |
|
Afastamento superior [\( \mu \)m] |
60 | 0 |
|
Afastamento inferior [\( \mu \)m] |
30 | -19 |
Este é um ajuste
Provas

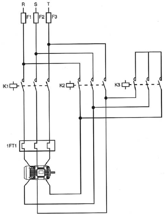
A figura acima representa os diagramas de força para partida de um motor de indução.
Este esquema refere-se a partida
Provas
A codificação de materiais UNSPSC (United Nations Standard Products and Services Code) tem estrutura de codificação de materiais
Provas

A figura acima representa a perspectiva de uma peça.
As vistas ortográficas a ela correspondentes são
Provas


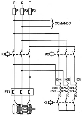
As figuras acima representam os diagramas de comando e de força de uma chave compensadora.
As bobinas não identificadas no diagrama de comando, na ordem da esquerda para a direita, correspondem às contatoras
Provas
Disciplina: Segurança e Saúde no Trabalho (SST)
Banca: CESGRANRIO
Orgão: SFE-RJ
Para proteção do trabalhador em atividades com eletricidade, o Ministério do Trabalho e Emprego, por meio da Norma Regulamentadora 6, relaciona quais são os Equipamentos de Proteção Individual (EPI) adequados para esse fim.
Para proteção dos membros superiores contra choques elétricos, devem ser usados os seguintes EPI:
Provas
A Figura 1 ilustra um sistema de abastecimento de água cujo Controlador Lógico Programável (CLP) está programado de forma a garantir que não falte água na caixa d’água e que a bomba não funcione em vazio, como mostra a Figura 2.

Figura 1 - Ilustração

Figura 2 - Ladder
Quando o nível de água atinge a altura do sensor, o seu contato físico fecha, energizando o canal de entrada no CLP.
Com base em todas as informações acima, analise as afirmativas que se seguem.
I – A bomba será ligada quando o contato do sensor de NÍVEL BAIXO na caixa d’água permanecer fechado por pelo menos 10 segundos, desde que o contato do sensor de NÍVEL BAIXO na cisterna esteja fechado.
II – A bomba será ligada quando o contato do sensor de NÍVEL BAIXO na caixa d’água permanecer aberto por pelo menos 10 segundos, desde que o contato do sensor de NÍVEL BAIXO na cisterna esteja fechado.
III – A bomba deverá ser desligada caso o contato do sensor de NÍVEL ALTO na caixa d’água ou o contato do sensor de NÍVEL BAIXO na cisterna esteja fechado.
IV – A bomba deverá ser desligada caso o contato do sensor de NÍVEL ALTO na caixa d’água esteja fechado ou caso o contato do sensor de NÍVEL BAIXO na cisterna esteja aberto.
É(São) correta(s) APENAS a(s) afirmativa(s)
Provas
O dimensionamento e a especificação corretos de materiais, equipamentos e dispositivos constituem fatores determinantes no desempenho de uma instalação elétrica industrial. Materiais e equipamentos não especificados adequadamente podem acarretar sérios riscos à instalação.
A esse respeito, considere as afirmativas abaixo.
I – Os pararraios são equipamentos destinados à proteção de sobretensões provocadas por descargas atmosféricas ou por chaveamento na rede.
II – Os disjuntores de potência são equipamentos destinados à manobra e à proteção de circuitos, capazes de interromper grandes potências de curto-circuito durante a ocorrência de um defeito, e estão sempre associados a relés, sem os quais não passariam de simples chaves com alto poder de interrupção.
III – O transformador de corrente (TC) está dividido em dois tipos, TC de medição e TC de proteção, sendo que este úlltimo tem uma classe de exatidão maior do que o de medição, pois o mesmo é responsável pela segurança das instalações.
É(São) correta(s) APENAS a(s) afirmativa(s)
Provas
Disciplina: Segurança e Saúde no Trabalho (SST)
Banca: CESGRANRIO
Orgão: SFE-RJ
Nos serviços executados em instalações elétricas, sempre que for possível, a proteção coletiva compreenderá prioritariamente a
Provas
Caderno Container